The UnoLine Plus is an optimum solution for industrial applications. This rotary vane pump has a proven track record as both a stand-alone pump and as a backing pump for Pfeiffer Vacuum Roots pumps.
This is a water-cooled pump that is extremely resistant to dust and dirt. It is equipped with an oil regeneration system. This enables condensate, dirt and dust particles to be removed from the operating fluid, collected in the vapour separator and then drained. The adjustable cooling water regulating valve keeps the UnoLine Plus at the required operating temperature. The pumps are equipped with a gas ballast system for pumping off vapours.
Rugged and powerful. Integrated gas ballast valve. For all low and medium vacuum applications.

A&J Vacuum services and repairs Pfeiffer UnoLine, along with all other Pfeiffer Vacuum and Turbo Pumps available on our website. Please contact us for additional information concerning our service program or click http://www.ajvs.com/service.php to access our Services page. We likewise offer emergency service and repair upon request. For more information, please contact A&J Vacuum Services at (973) 249-0854. Thank you for choosing AJVS as your supplier.
| Pumping speed at 50 Hz | 250 m³/h | 147.15 cfm | 4,166.67 l/min |
| Protection category | IP55 |
| Ultimate pressure with gas ballast | 1 hPa | 0.75 Torr | 1 mbar |
| Ultimate pressure without gas ballast | 5 · 10-2 hPa | 3.75 · 10-2 Torr | 5 · 10-2mbar |
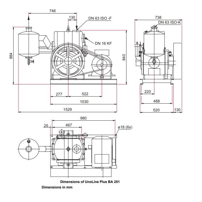
| Flange (in) | DN 63 ISO-F |
| Flange (out) | DN 63 ISO-K |
| Rated power 50 Hz | 11 kW |
| Motor version | 3-ph motor |
| Motor protection | 3TF |
| Mains cable | No |
| Cooling water pressure | 2,000-10,000 hPa | 1,500-7,500 Torr | 2,000-10,000 mbar |
| Cooling method, standard | Water |
| Cooling water flow | 50 l/h |
| Ambient temperature | 12-40 °C | 53.6-104 °F | 285-313 K |
| Cooling water temperature | 10-30 °C | 50-86 °F | 283-303 K |
| Exhaust pressure, min. | Atmospheric pressure |
| Exhaust pressure, max. | 1,500 hPa | 1,125 Torr | 1,500 mbar |
| Emission sound pressure level without gas ballast at 50 Hz | 63 dB(A) |
| Nominal rotation speed at 50 Hz | 1,500 rpm | 1,500 min-1 |
| Nominal rotation speed pump, 50 Hz | 490 min-1 |
| Operating fluid | P3 |
| Operating fluid filling | 17 l |
| Rotation speed at 50 Hz | 490 rpm | 490 min-1 |
| Weight: with motor | 570 kg | 1,256.62 lb |
A&J Vacuum services and repairs Pfeiffer UnoLine, along with all other Pfeiffer Vacuum and Turbo Pumps available on our website. Please contact us for additional information concerning our service program or click http://www.ajvs.com/service.php to access our Services page. We likewise offer emergency service and repair upon request. For more information, please contact A&J Vacuum Services at (973) 249-0854. Thank you for choosing AJVS as your supplier.
|
Service and Repair A & J Vacuum Services provides repair service for all types of High Vacuum equipment. We perform Turbomolecular Pump repair, Turbo Pump Repair, Dry Pump repair, Vacuum Pump repair, Mass Spectrometer repair, Rotary Vane Pump repair, Vacuum Booster repair, and Leak detector repair. Our highly trained technicians have years of experience and guarantee the highest quality service.
We operate at our own full service repair facility in Clifton, NJ. We have invested in state-of-the-art equipment including; complete line of decontamination, cleaning, drying, balancing, vibration analysis and software to minimize failures. Our in-house machine shop is capable of machining various components, prototypes and housing conversions as needed.
We support all major manufacturers including Pfeiffer Vacuum, Alcatel / Adixen, Edwards Vacuum, Varian, Oerlikon / Leybod Vacuum, Vacuubrand, and Agilent Technologies.
Repair Steps
Every pump and instrument is extensively tested for 48 hours. During our final tests, we monitor total pressure, temperature, vibration and noise level utilizing newest testing technologies and techniques specified by OEM. Upon request, we can provide our customers with a pump down graph. Call us for your free repair estimate at 1-973-249-0854.
Overview
The UnoLine Plus is an optimum solution for industrial applications. This rotary vane pump has a proven track record as both a stand-alone pump and as a backing pump for Pfeiffer Vacuum Roots pumps.
This is a water-cooled pump that is extremely resistant to dust and dirt. It is equipped with an oil regeneration system. This enables condensate, dirt and dust particles to be removed from the operating fluid, collected in the vapour separator and then drained. The adjustable cooling water regulating valve keeps the UnoLine Plus at the required operating temperature. The pumps are equipped with a gas ballast system for pumping off vapours.
Rugged and powerful. Integrated gas ballast valve. For all low and medium vacuum applications.

A&J Vacuum services and repairs Pfeiffer UnoLine, along with all other Pfeiffer Vacuum and Turbo Pumps available on our website. Please contact us for additional information concerning our service program or click http://www.ajvs.com/service.php to access our Services page. We likewise offer emergency service and repair upon request. For more information, please contact A&J Vacuum Services at (973) 249-0854. Thank you for choosing AJVS as your supplier.
Specifications
| Pumping speed at 50 Hz | 250 m³/h | 147.15 cfm | 4,166.67 l/min |
| Protection category | IP55 |
| Ultimate pressure with gas ballast | 1 hPa | 0.75 Torr | 1 mbar |
| Ultimate pressure without gas ballast | 5 · 10-2 hPa | 3.75 · 10-2 Torr | 5 · 10-2mbar |
| Flange (in) | DN 63 ISO-F |
| Flange (out) | DN 63 ISO-K |
| Rated power 50 Hz | 11 kW |
| Motor version | 3-ph motor |
| Motor protection | 3TF |
| Mains cable | No |
| Cooling water pressure | 2,000-10,000 hPa | 1,500-7,500 Torr | 2,000-10,000 mbar |
| Cooling method, standard | Water |
| Cooling water flow | 50 l/h |
| Ambient temperature | 12-40 °C | 53.6-104 °F | 285-313 K |
| Cooling water temperature | 10-30 °C | 50-86 °F | 283-303 K |
| Exhaust pressure, min. | Atmospheric pressure |
| Exhaust pressure, max. | 1,500 hPa | 1,125 Torr | 1,500 mbar |
| Emission sound pressure level without gas ballast at 50 Hz | 63 dB(A) |
| Nominal rotation speed at 50 Hz | 1,500 rpm | 1,500 min-1 |
| Nominal rotation speed pump, 50 Hz | 490 min-1 |
| Operating fluid | P3 |
| Operating fluid filling | 17 l |
| Rotation speed at 50 Hz | 490 rpm | 490 min-1 |
| Weight: with motor | 570 kg | 1,256.62 lb |
A&J Vacuum services and repairs Pfeiffer UnoLine, along with all other Pfeiffer Vacuum and Turbo Pumps available on our website. Please contact us for additional information concerning our service program or click http://www.ajvs.com/service.php to access our Services page. We likewise offer emergency service and repair upon request. For more information, please contact A&J Vacuum Services at (973) 249-0854. Thank you for choosing AJVS as your supplier.
Service & Repair
A & J Vacuum Services provides repair service for all types of High Vacuum equipment. We perform Turbomolecular Pump repair, Turbo Pump Repair, Dry Pump repair, Vacuum Pump repair, Mass Spectrometer repair, Rotary Vane Pump repair, Vacuum Booster repair, and Leak detector repair. Our highly trained technicians have years of experience and guarantee the highest quality service.
We operate at our own full service repair facility in Clifton, NJ. We have invested in state-of-the-art equipment including; complete line of decontamination, cleaning, drying, balancing, vibration analysis and software to minimize failures. Our in-house machine shop is capable of machining various components, prototypes and housing conversions as needed.
We support all major manufacturers including Pfeiffer Vacuum, Alcatel / Adixen, Edwards Vacuum, Varian, Oerlikon / Leybod Vacuum, Vacuubrand, and Agilent Technologies.
Repair Steps
Every pump and instrument is extensively tested for 48 hours. During our final tests, we monitor total pressure, temperature, vibration and noise level utilizing newest testing technologies and techniques specified by OEM. Upon request, we can provide our customers with a pump down graph. Call us for your free repair estimate at 1-973-249-0854.