Shopping Cart (
0
)
Billing and Shipping
Sign in
Sales and Service
855 882 2886
0
Items
$0.00
Welcome on our site:
Guest
Sign up
Sign in
About us
Repair & Service
My Account
Technical Library
Help & Support
Clients
Contact
Find us on:
Get started with your repair: 
Generate service RMA
Request a repair estimate
Home
Technical Library
Scroll Dry Pumps
Leybold
Technical Library
Leybold
We have an extensive library of videos, user manuals, MSDS sheets and exploded view documents. All our High Vacuum manuals and references are free to download. If you are looking for something that isn't here, plese contact us at
info@ajvs.com
Manuals
Oerlikon Scrollvac SC Series Manual.pdf (1.05 MB)
Leybold Scrollvac Plus Vacuum Pump Operating Manual (4.92 MB)
Leybold D16B D25B Tirvac Vacuum Pump 91265-1, 91265-2, 11335, 11276 (1.26 MB)
Leybold SC5D, SC15D, SC30D, SC60D Scroll Pump Manual, SC 5D, SC 15D, SC 30D, SC 60D (1.36 MB)
Leybold ScollVac 3 plus Manual, Scrollvac 3S Plus Operation Instructions (2.18 MB)
Video Demonstartions and Tutorials
Leybold Scrollvac 3Plus and 3S Plus Features overview
Leybold ScrollVac 3 Plus and Scrollvac 3S Plus Tip seal Replacement Video, How ti Replace a tip seal on a Scrollvac 3 Scroll Pump
Leybold Scrollvac 3 and Scrollvac 3S Plus Video
MFR Brochures
Leybold SC 30D, SC30D Technical Data (61.68 KB)
Leybold Scrollvac SC5D Technical Data 133100, SC 5D (61.64 KB)
Leybold TRIVAC D4B D8B D16B D25B D40B D65B Brochure (3.28 MB)
Leybold SCROLLVAC 3 and Scrollvac 3S Plus Brochure (7.78 MB)
Leybold Scrollvac Vacuum Pump Product Brochure (2.20 MB)
Leybold SC 15D, SC15D Technical Data (61.67 KB)
AJVS Brochures
AJVS Oerlikon SC 15 D Technical Data.pdf (316.19 KB)
Graphics
Leybold SC 30D, Leybold SC30D Motor Data (114.53 KB)
Leybold SC 15D, Leybold SC15D Overview (138.57 KB)
Leybold SC 5D, Leybold SC5D Motor Data, 133100, 133000 (94.29 KB)
Leybold SC 5D, Leybold SC5D Overview (166.43 KB)
Leybold SC 15D, Leybold SC15D Motor Data, 133003, 133101 (115.68 KB)
Leybold SC5d, SC15D, SC30D, SC60D Technical Data (146.59 KB)
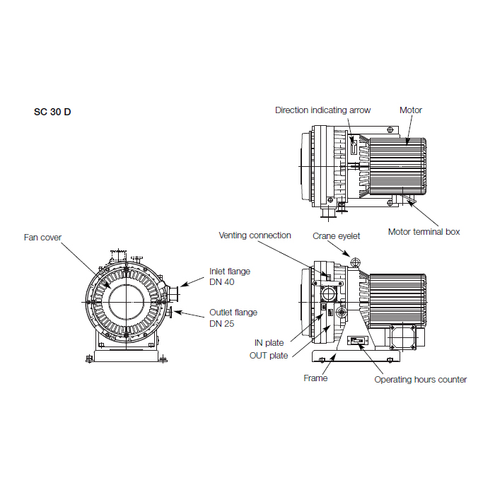
Leybold SC 30D, Leybold SC30D Overview (154.90 KB)
Leybold SC 30D, Leybold SC30D Motor Data, 133004, 133102 (114.53 KB)
Leybold SC5D, SC 5D Motor Data, 133100, 133000 (94.29 KB)
Deals & Promotions
Edwards ELD500 Wet Portable Leak Detector With Integral Oil Sealed Rotary Vane Pump, 100-120V 60Hz, D13510906 ELD 500
Item#:
PN23588
Mfr Part#:
D13510906
Price:
$37,268.00
Web savings:
$9,988.01
$27,279.99
Details
Add to cart
Pfeiffer HiScroll 6 Dry Scroll Pump with Manual Gas Ballast, 3.59 cfm, 100 - 127 V, 200 - 240 VAC, Single Phase, 50/60 HZ, ATEX, 2000026552 / PD S10 000 B / PDS10000B
Item#:
PN23774
Mfr Part#:
2000026552 / PD S10 000 B / PDS10000B
Price:
$7,030.00
Web savings:
$1,730.01
In Stock
$5,299.99
Details
Add to cart
Leybold Scrollvac 3 Plus Scroll Pump, Oil-Free Dry Pump, 1-phase, 50/60 Hz, 115 V, 3.5 m3/h, 142030V310
Item#:
PN41078
Mfr Part#:
142030V310
Price:
$5,885.00
Web savings:
$1,420.01
In Stock
$4,464.99
Details
Add to cart
Leybold Turbolab Core 90i Turbo Pumping Station, Includes Turbovac 90i Turbo Pump (DN 63 ISO-K), DIVAC 1.4T Diaphragm Pump, 501591V00000500
Item#:
PN24393
Mfr Part#:
501591V00000500
Price:
$10,719.00
Web savings:
$3,403.01
In Stock
$7,315.99
Details
Add to cart
Pfeiffer HiScroll 18 Dry Scroll Pump with Manual Gas Ballast, Pressure Sensor Included, 10.65 cfm, 100 - 127 V, 200 - 240 VAC, Single Phase, 50/60 HZ, 2000026597 / PDS30010B / PD S30 010 B
Item#:
PN23779
Mfr Part#:
2000026597 / PDS30010B / PD S30 010 B
Price:
$11,220.00
Web savings:
$1,020.00
In Stock
$10,200.00
Details
Add to cart
Edwards nXDS6iC Dry Scroll Vacuum Pump, Corrosive, 3.6 CFM / 100 - 127 V, 200 - 240 V, Single Phase, 50/60 Hz, A73502983
Item#:
PN15783
Mfr Part#:
A73502983
Price upon request
Details
CONTACT US
Edwards Turbo Station T85H T-Station Turbo Pumping T Station, Includes nEXT85H Turbo Pump, 100-120 VAC (DN 63 CF-F), E2M1.5 Vacuum Pump, TS85W3002
Item#:
PN22443
Mfr Part#:
TS85W3002
Price:
$14,783.00
Web savings:
$7,798.01
$6,984.99
Details
Add to cart
Edwards Turbo Station T85H T-Station Turbo Pumping T Station, Includes EXT85DX Turbo Pump, 100-120 VAC (DN 63 ISO-K), E2M1.5 Vacuum Pump, TS85W2002
Item#:
PN24550
Mfr Part#:
TS85W2002
Price:
$14,072.00
Web savings:
$7,422.01
In Stock
$6,649.99
Details
Add to cart
Pfeiffer Adixen ASM 340 D, Helium Leak Detector Dry Version, Universal Voltage 90-240 V, 50/60 Hz, KSBA00A2MM9A, Configurable I/O 37 pins, RS-232 and USB. Like New !
Item#:
PN17195
Mfr Part#:
KSBA00A2MM9A
Price:
$34,100.00
Web savings:
$11,400.00
$22,700.00
Details
Add to cart
Pfeiffer HiCube 300 Eco Turbo Pumping Station, Includes HiPace 300 Turbo Pump ISO 100, MVP 030-3 DC Diaphragm Vacuum Pump and DCU 002 Control Unit, 100-240 V 50/60 Hz, PMS7620000 / PM 025 019 AT / PM025019AT
Item#:
PN20408
Mfr Part#:
PMS7620000 / PM 025 019 AT / PM025019AT
Price:
$17,000.00
Web savings:
$5,100.01
In Stock
$11,899.99
Details
Add to cart
Edwards EMF 20 Oil Mist Exhaust Filter, Includes Mist Element and Odor Element, A46229000
Item#:
PN00844
Mfr Part#:
A46229000
Price:
$800.00
Web savings:
$130.01
In Stock
$669.99
Details
Add to cart
Pfeiffer ASM 390 Mobile Helium Leak Detector with ACP 40 Dry Scroll Pump and SplitFlow 80, ASM390, 2000034669 / CSGB01G2MM9A
Item#:
PN22455
Mfr Part#:
2000034669 / CSGB01G2MM9A
Price:
$56,000.00
Web savings:
$6,005.00
In Stock
$49,995.00
Details
Add to cart
Leybold Scrollvac 3S Plus Scroll Pump with Inlet Valve, Oil-Free Dry Pump, 1-phase, 50/60 Hz, 115 V, 3.5 m3/h, 142030V410
Item#:
PN41098
Mfr Part#:
142030V410
Price:
$6,475.00
Web savings:
$1,915.01
In Stock
$4,559.99
Details
Add to cart
Edwards Turbo Station T85 T-Station Dry Turbo Pumping T Station, Includes EXT85DX Turbo Pump (DN 63-ISO), XDD1 Backing Pump, 100-120V, TS85D2002
Item#:
PN24491
Mfr Part#:
TS85D2002
Price:
$15,351.00
Web savings:
$8,096.01
In Stock
$7,254.99
Details
Add to cart
Flexible Hose Coupling, Unbraided Vacuum Hose, KF 25 (NW 25), Stainless Steel Vacuum Fitting, 40", 1000mm, PN07714
Item#:
PN07714
Mfr Part#:
KF25FX1000
Price:
$465.00
Web savings:
$50.00
In Stock
$415.00
Details
Add to cart
Edwards Turbo Station T85H T-Station Turbo Pumping T Station, Includes EXT85DX Turbo Pump, 100-120 VAC (DN 40-KF), E2M1.5 Vacuum Pump, TS85W1002
Item#:
PN21267
Mfr Part#:
TS85W1002
Price:
$13,930.00
Web savings:
$7,348.01
In Stock
$6,581.99
Details
Add to cart
Edwards 3 RV3 Vacuum Pump, Single Phase, 115/230 V, 50/60 Hz, Factory set to 115V for USA, Hydrocarbon Oil, A65201906
Item#:
PN18128
Mfr Part#:
A65201906
Price:
$4,301.00
Web savings:
$1,601.01
In Stock
$2,699.99
Details
Add to cart
Leybold Turbolab Core 90i Turbo Pumping Station, Includes Turbovac 90i Turbo Pump (DN 63 CF-F), DIVAC 1.4T Diaphragm Pump, 501591V01000500
Item#:
PN24406
Mfr Part#:
501591V01000500
Price:
$11,139.00
Web savings:
$3,536.01
In Stock
$7,602.99
Details
Add to cart
Leybold Turbolab Core Turbo Pumping Station, Includes Turbovac 90i Turbo Pump (DN 40 KF), DIVAC 1.4T Diaphragm Pump, 501591V02000500
Item#:
PN24407
Mfr Part#:
501591V02000500
Price:
$10,799.00
Web savings:
$3,428.01
In Stock
$7,370.99
Details
Add to cart
Leybold Turbolab Core 250i Turbo Pumping Station, Includes Turbovac TV250i Turbo Pump (DN 100 ISO-K), DIVAC 1.4T Diaphragm Pump, 501591V08000500
Item#:
PN24454
Mfr Part#:
501591V08000500
Price:
$15,313.00
Web savings:
$4,861.01
In Stock
$10,451.99
Details
Add to cart
Leybold Turbolab Core 250i Turbo Station, Includes Turbovac TV250i Turbo Pump (DN 100 CF-F Conflat), DIVAC 1.4T Diaphragm Pump, 501591V09000500
Item#:
PN24455
Mfr Part#:
501591V09000500
Price:
$15,814.00
Web savings:
$5,020.01
In Stock
$10,793.99
Details
Add to cart
Leybold Turbolab 90i Turbo Pumping Station, Includes Turbovac 90i Turbo Pump (DN 63 ISO-K), DIVAC 3.0T Diaphragm Pump, 501592V00001000
Item#:
PN24457
Mfr Part#:
501592V02000000
Price:
$12,523.00
Web savings:
$4,528.00
In Stock
$7,995.00
Details
Add to cart
Contact
A&J Vacuum Services
16 Somerset Place,
Clifton, NJ 07012
Customer Service
Phone: 973-249-0854,
Fax: 973-249-0855
Service Hours
8:00am to 5:00pm,
Monday thru Friday EST
HELP & FAQ
Customer Self Service
Servicing Equipment
Shipping & Delivery
Payments
Policies
Skip to faq center
AJVS Help & Information
Hours of Operation
Return Policy
Privacy and Security
Shipping Options
High Vacuum Technical Library
Turbo Pumps & Systems
Rotary Vane Pumps
Diaphragm Dry Pumps
Scroll Dry Pumps
Dry Vacuum Pumps
Vacuum Measurement
Vacuum Hardware
Leak Detectors & Mass Specs
Spare Parts
Vacuum Fluids / Greases
Traps Mist Filters
Laboratory Equipment
Vacuum Boosters
Calibration Systems
Diffusion Pumps
Newsletter
Sign up for AJVS news and special offers
Weekly AJVS Newsletter
Promotion Alerts
Home
About us
Repair & Service
Technical Library
Clients
Contact
@ A&J Vacuum Services, Inc. 2000-2026. All Rights Reserved.
All trademarks, trade names or logons mentioned or used are the property of their respective owners.