- P/N B823-22-101
- 80 W
- Fully Remanufactured
- Edwards
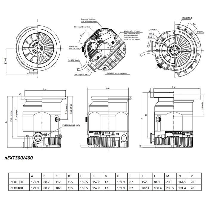
The nEXT 300T Turbo pumps consist of the turbomolecular pump with a permanently attached controller containing drive electronics.
The Edwards controller controls the electrical supply to the pump with the exception of standby speed control. It has no manual controls and can only be operated through the logic interface. To operate the nEXT pump you must connect it to your own control equipment and power supply or alternatively use the Edwards TIC Turbo Instrument Controller or TIC Turbo Controller.
Fully Remanufactured Edwards nEXT 300 Turbo pumps with an NW 25 interstage-port are supplied with an inlet-strainer that fits into the interstage-port. The inlet-screen and inlet-strainer protect the pump against damage that would be caused by debris entering the pump.
The nEXT 300 Turbo pump have a vent-port for venting the pump and vacuum system to atmospheric pressure. The pump is supplied with a manual vent-vavle fitted; this can be replaced with a TAV5 or TAV6 solenoid-operated vent-valve. The TAV valve can be directly controlled by the on-board controller.
Edwards nEXT 300 Pump have a purge-port: an inert purge gas can be introduced protect the bearing and motor from corrosion. An optional vent-port adapter and purge restrictor can be fitted to the purge-port to control the flow rate of the purge gas and to filter the gas supply.
A&J Vacuum also Repair / Rebuild and Rervice all Edwards EXT and nEXT Turbo Pumps Edwards Vacuum Gauges with Edwards Scroll Vacuum Pumps Edwards Turbo Pump repair, Edwards Vane Pumps and all other Edwards Vacuum Rotary Vane pumps. Please contact us for information on service program or click here http://www.ajvs.com/service.php to go to our Service page. We also offer Emergency service upon request. For more information Please contact A&J Vacuum Services at 973-249-0854.

A&J Vacuum also Repair / Rebuild and Rervice all Edwards EXT and nEXT Turbo Pumps Edwards Vacuum Gauges with Edwards Scroll Vacuum Pumps Edwards Turbo Pump repair, Edwards Vane Pumps and all other Edwards Vacuum Rotary Vane pumps. Please contact us for information on service program or click here http://www.ajvs.com/service.php to go to our Service page. We also offer Emergency service upon request. For more information Please contact A&J Vacuum Services at 973-249-0854.
We can have a repair estimate ready for your equipment within the hour of submission.
Start your equipment repair process by creating a Service RMA.
A&J Vacuum Services provides repairs on all types of High Vacuum equipment. We perform Turbomolecular Pump repair, Turbo Pump Repair, Dry Pump repair, Vacuum Pump repair and Mass Spectrometer repair. Our highly trained technicians will deliver the highest quality service and satisfaction.
We operate at our own full service repair facility which allows us to quickly and economically perform all repairs in a timely manner. Our advandced machinery enables us to handle all facets of the service and repair process. AJVS utilizes industry standard vibration analysis equipment and advanced testing equipment to troubleshoot and minimize all equipment failures. Our in-house machine shop is capable of machining various components, prototypes and housing conversions as needed.