The pumps comprise essentially the pump housing, a multi-stage rotor with the stator group, and the drive.
The first section of the rotor is a turbomolecular pump rotor while the second tile represents a Holweck stage. The Holweck pumping stage increases the permissible forevacuum pressure level markedly when compared with the classic turbomolecular pump.
The rotor shaft runs in two lifetime lubricated ceramic ball bearings.
The pump is driven by a split-cage DC motor. In this motor the rotor and stator windings are separated by a vacuum-tight can. Consequently the rotor runs inside the vacuum while the stator is outside the vacuum. This eliminates any need of vacuum feedthroughs. The pump is equipped with a temperature sensor and a resistor code.
Water cooling or an air cooling fan is available as optional equipment. The intake flange should be fitted with a wire mesh inlet screen to protect the pump against mechanical damage caused by foreign objects.
The pump is driven by an electronic frequency converter TURBO.DRIVE. All functions like, for example, speed control, pump sensing or temperature monitoring are monitored by the TURBO.DRIVE. This unit is powered by an external power supply.
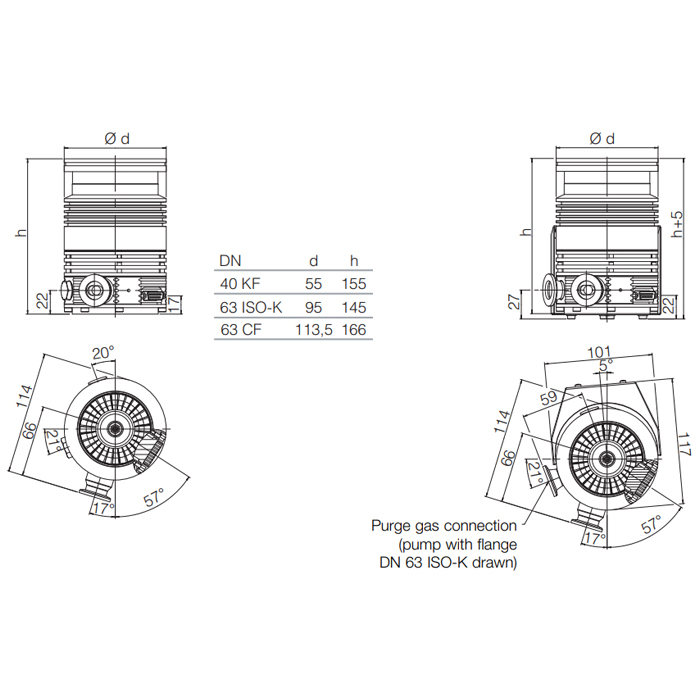
The TURBO.DRIVE may be installed beside or underneath the pump or up to 5 m away. The pumps are equipped with a purge gas facility.
The purge gas and venting connection is blanked off by default with a M8 closure screw. A purge gas and venting valve may be connected either directly or by using a M8 – DN16KF adapter. For space reasons, when the frequency converter is installed at the side, only either the air cooler or a purge gas valve can be connected.
This item has been fully tested and is ready for a wide variety of applications.


Click Here for Leybold Turbovac SL80 Manual
A&J Vacuum repair / rebuild and service all Leybold SL80 800002V3001 Turbo Pumps, Oerlikon SL 80 800002V3001 Pumps Leybold TMP Turbo Pump Service, Sogevac Pump Repair, Leybold Boosters, Leybold Vacuum Pumps, Leybold Helium Leak Detectors along with all other Leybold Turbo Pumping Stations, Leybold Turbo Pump Repair, Roots Pump Service and repair. Please contact us for information on service program or click here http://www.ajvs.com/service.php to go to our Service page. We also offer Emergency service upon request. For more information Please contact A&J Vacuum Services at 973-249-0854

Click Here for Leybold Turbovac SL80 Manual
A&J Vacuum repair / rebuild and service all Leybold SL80 800002V3001 Turbo Pumps, Oerlikon SL 80 800002V3001 Pumps Leybold TMP Turbo Pump Service, Sogevac Pump Repair, Leybold Boosters, Leybold Vacuum Pumps, Leybold Helium Leak Detectors along with all other Leybold Turbo Pumping Stations, Leybold Turbo Pump Repair, Roots Pump Service and repair. Please contact us for information on service program or click here http://www.ajvs.com/service.php to go to our Service page. We also offer Emergency service upon request. For more information Please contact A&J Vacuum Services at 973-249-0854
|
Service and Repair A & J Vacuum Services provides repair service for all types of High Vacuum equipment. We perform Turbomolecular Pump repair, Turbo Pump Repair, Dry Pump repair, Vacuum Pump repair, Mass Spectrometer repair, Rotary Vane Pump repair, Vacuum Booster repair, and Leak detector repair. Our highly trained technicians have years of experience and guarantee the highest quality service.
We operate at our own full service repair facility in Clifton, NJ. We have invested in state-of-the-art equipment including; complete line of decontamination, cleaning, drying, balancing, vibration analysis and software to minimize failures. Our in-house machine shop is capable of machining various components, prototypes and housing conversions as needed.
We support all major manufacturers including Pfeiffer Vacuum, Alcatel / Adixen, Edwards Vacuum, Varian, Oerlikon / Leybod Vacuum, Vacuubrand, and Agilent Technologies.
Repair Steps
Every pump and instrument is extensively tested for 48 hours. During our final tests, we monitor total pressure, temperature, vibration and noise level utilizing newest testing technologies and techniques specified by OEM. Upon request, we can provide our customers with a pump down graph. Call us for your free repair estimate at 1-973-249-0854.
Overview
The pumps comprise essentially the pump housing, a multi-stage rotor with the stator group, and the drive.
The first section of the rotor is a turbomolecular pump rotor while the second tile represents a Holweck stage. The Holweck pumping stage increases the permissible forevacuum pressure level markedly when compared with the classic turbomolecular pump.
The rotor shaft runs in two lifetime lubricated ceramic ball bearings.
The pump is driven by a split-cage DC motor. In this motor the rotor and stator windings are separated by a vacuum-tight can. Consequently the rotor runs inside the vacuum while the stator is outside the vacuum. This eliminates any need of vacuum feedthroughs. The pump is equipped with a temperature sensor and a resistor code.
Water cooling or an air cooling fan is available as optional equipment. The intake flange should be fitted with a wire mesh inlet screen to protect the pump against mechanical damage caused by foreign objects.
The pump is driven by an electronic frequency converter TURBO.DRIVE. All functions like, for example, speed control, pump sensing or temperature monitoring are monitored by the TURBO.DRIVE. This unit is powered by an external power supply.
The TURBO.DRIVE may be installed beside or underneath the pump or up to 5 m away. The pumps are equipped with a purge gas facility.
The purge gas and venting connection is blanked off by default with a M8 closure screw. A purge gas and venting valve may be connected either directly or by using a M8 – DN16KF adapter. For space reasons, when the frequency converter is installed at the side, only either the air cooler or a purge gas valve can be connected.
This item has been fully tested and is ready for a wide variety of applications.


Click Here for Leybold Turbovac SL80 Manual
A&J Vacuum repair / rebuild and service all Leybold SL80 800002V3001 Turbo Pumps, Oerlikon SL 80 800002V3001 Pumps Leybold TMP Turbo Pump Service, Sogevac Pump Repair, Leybold Boosters, Leybold Vacuum Pumps, Leybold Helium Leak Detectors along with all other Leybold Turbo Pumping Stations, Leybold Turbo Pump Repair, Roots Pump Service and repair. Please contact us for information on service program or click here http://www.ajvs.com/service.php to go to our Service page. We also offer Emergency service upon request. For more information Please contact A&J Vacuum Services at 973-249-0854
Specifications

Click Here for Leybold Turbovac SL80 Manual
A&J Vacuum repair / rebuild and service all Leybold SL80 800002V3001 Turbo Pumps, Oerlikon SL 80 800002V3001 Pumps Leybold TMP Turbo Pump Service, Sogevac Pump Repair, Leybold Boosters, Leybold Vacuum Pumps, Leybold Helium Leak Detectors along with all other Leybold Turbo Pumping Stations, Leybold Turbo Pump Repair, Roots Pump Service and repair. Please contact us for information on service program or click here http://www.ajvs.com/service.php to go to our Service page. We also offer Emergency service upon request. For more information Please contact A&J Vacuum Services at 973-249-0854
Service & Repair
A & J Vacuum Services provides repair service for all types of High Vacuum equipment. We perform Turbomolecular Pump repair, Turbo Pump Repair, Dry Pump repair, Vacuum Pump repair, Mass Spectrometer repair, Rotary Vane Pump repair, Vacuum Booster repair, and Leak detector repair. Our highly trained technicians have years of experience and guarantee the highest quality service.
We operate at our own full service repair facility in Clifton, NJ. We have invested in state-of-the-art equipment including; complete line of decontamination, cleaning, drying, balancing, vibration analysis and software to minimize failures. Our in-house machine shop is capable of machining various components, prototypes and housing conversions as needed.
We support all major manufacturers including Pfeiffer Vacuum, Alcatel / Adixen, Edwards Vacuum, Varian, Oerlikon / Leybod Vacuum, Vacuubrand, and Agilent Technologies.
Repair Steps
Every pump and instrument is extensively tested for 48 hours. During our final tests, we monitor total pressure, temperature, vibration and noise level utilizing newest testing technologies and techniques specified by OEM. Upon request, we can provide our customers with a pump down graph. Call us for your free repair estimate at 1-973-249-0854.