The Agilent Technologies TwisTorr 84 FS is a turbomolecular pump for high and ultra-high vacuum applications. The TwisTorr 84 FS is equipped with new and improved bearings and its TwisTorr drag state technology enables high compression of gases such as Helium and Hydrogen. The TwisTorr 84 FS is designed to pump any type of non corrosive gas and can be used with a smaller backing pump (5 m3/h).
The Agilent Varian TwisTorr 84 FS pumping action is obtained through a high speed turbine (max. 81000 rpm) driven by a high performance 3-phase electric motor. The TwisTorr 84 FS is free of contaminating agents and, therefore, is suitable for applications requiring a "clean" vacuum.
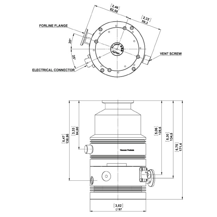
The TwisTorr 84 FS pump consists of a high frequency motor and a high-strength aluminum alloy turbine fitted with 9 bladed stages and 3 TwisTorr drag stages which are in the form of four disks. The turbine rotates counterclockwise when viewed from the high vacuum flange end. The TwisTorr 84 FS rotor is supported by permanently lubricated ceramic ball bearings. The static blades are precisely situated with the help of spacer rings and are made of stainless steel. The TwisTorr stators are in the form of machined disks with parallel spiral pumping channels. During normal operation, the motor is fed with a voltage of 54 Vac three-phase at 1350 Hz.
The Agilent TwisTorr 84 FS turbomolecular pump can be water cooled or air cooled. In order to prevent the pump from overheating, a thermistor sensor is mounted near the upper bearing.
Mass Spectrometry and Analytical Instrumentation, including GC/MS, LC/MS, ICP-MS, TOF.
Vacuum in Research and Development, including high energy physics, fusion technology, general research.
Industrial Vacuum Processing, including thin film deposition, device processing, and general processes such as vacuum furnaces.
Nanotechnology Instrumnets, including electron microscopy, focused ion beam systems, surface analysis, semiconductor manufacturing.


Please click here to view operating instructions for Agilent Varian TwisTorr 84 FS Turbo Pump.
Please click here to learn more about the Agilent Varian TwissTorr Turbo Pump Family and view Agilent Technologies TwissTorr Brochure.
A&J Vacuum repairs / rebuilds and services all Agilent TwisTorr Turbo Pumps, including Agilent TwissTorr 304 FS, Agilent TwisTorr 84 FS, along with all other Varian, Alcatel, Edwards, Bush, Leybold, Pfeiffer, Ulvac Turbo Pumps, and Turbo Pump Systems. Please contact us for information on service program or click here http://www.ajvs.com/service.php to go to our Service page. We also offer Emergency service upon request. For more information Please contact A&J Vacuum Services at 973-249-0854.

Please click here to view operating instructions for Agilent Varian TwisTorr 84 FS Turbo Pump.
Please click here to learn more about the Agilent Varian TwissTorr Turbo Pump Family and view Agilent Technologies TwissTorr Brochure.
A&J Vacuum repairs / rebuilds and services all Agilent TwisTorr Turbo Pumps, including Agilent TwissTorr 304 FS, Agilent TwisTorr 84 FS, along with all other Varian, Alcatel, Edwards, Bush, Leybold, Pfeiffer, Ulvac Turbo Pumps, and Turbo Pump Systems. Please contact us for information on service program or click here http://www.ajvs.com/service.php to go to our Service page. We also offer Emergency service upon request. For more information Please contact A&J Vacuum Services at 973-249-0854.
|
Service and Repair A & J Vacuum Services provides repair service for all types of High Vacuum equipment. We perform Turbomolecular Pump repair, Turbo Pump Repair, Dry Pump repair, Vacuum Pump repair, Mass Spectrometer repair, Rotary Vane Pump repair, Vacuum Booster repair, and Leak detector repair. Our highly trained technicians have years of experience and guarantee the highest quality service.
We operate at our own full service repair facility in Clifton, NJ. We have invested in state-of-the-art equipment including; complete line of decontamination, cleaning, drying, balancing, vibration analysis and software to minimize failures. Our in-house machine shop is capable of machining various components, prototypes and housing conversions as needed.
We support all major manufacturers including Pfeiffer Vacuum, Alcatel / Adixen, Edwards Vacuum, Varian, Oerlikon / Leybod Vacuum, Vacuubrand, and Agilent Technologies.
Repair Steps
Every pump and instrument is extensively tested for 48 hours. During our final tests, we monitor total pressure, temperature, vibration and noise level utilizing newest testing technologies and techniques specified by OEM. Upon request, we can provide our customers with a pump down graph. Call us for your free repair estimate at 1-973-249-0854.
Overview
The Agilent Technologies TwisTorr 84 FS is a turbomolecular pump for high and ultra-high vacuum applications. The TwisTorr 84 FS is equipped with new and improved bearings and its TwisTorr drag state technology enables high compression of gases such as Helium and Hydrogen. The TwisTorr 84 FS is designed to pump any type of non corrosive gas and can be used with a smaller backing pump (5 m3/h).
The Agilent Varian TwisTorr 84 FS pumping action is obtained through a high speed turbine (max. 81000 rpm) driven by a high performance 3-phase electric motor. The TwisTorr 84 FS is free of contaminating agents and, therefore, is suitable for applications requiring a "clean" vacuum.
The TwisTorr 84 FS pump consists of a high frequency motor and a high-strength aluminum alloy turbine fitted with 9 bladed stages and 3 TwisTorr drag stages which are in the form of four disks. The turbine rotates counterclockwise when viewed from the high vacuum flange end. The TwisTorr 84 FS rotor is supported by permanently lubricated ceramic ball bearings. The static blades are precisely situated with the help of spacer rings and are made of stainless steel. The TwisTorr stators are in the form of machined disks with parallel spiral pumping channels. During normal operation, the motor is fed with a voltage of 54 Vac three-phase at 1350 Hz.
The Agilent TwisTorr 84 FS turbomolecular pump can be water cooled or air cooled. In order to prevent the pump from overheating, a thermistor sensor is mounted near the upper bearing.
Mass Spectrometry and Analytical Instrumentation, including GC/MS, LC/MS, ICP-MS, TOF.
Vacuum in Research and Development, including high energy physics, fusion technology, general research.
Industrial Vacuum Processing, including thin film deposition, device processing, and general processes such as vacuum furnaces.
Nanotechnology Instrumnets, including electron microscopy, focused ion beam systems, surface analysis, semiconductor manufacturing.


Please click here to view operating instructions for Agilent Varian TwisTorr 84 FS Turbo Pump.
Please click here to learn more about the Agilent Varian TwissTorr Turbo Pump Family and view Agilent Technologies TwissTorr Brochure.
A&J Vacuum repairs / rebuilds and services all Agilent TwisTorr Turbo Pumps, including Agilent TwissTorr 304 FS, Agilent TwisTorr 84 FS, along with all other Varian, Alcatel, Edwards, Bush, Leybold, Pfeiffer, Ulvac Turbo Pumps, and Turbo Pump Systems. Please contact us for information on service program or click here http://www.ajvs.com/service.php to go to our Service page. We also offer Emergency service upon request. For more information Please contact A&J Vacuum Services at 973-249-0854.
Specifications

Please click here to view operating instructions for Agilent Varian TwisTorr 84 FS Turbo Pump.
Please click here to learn more about the Agilent Varian TwissTorr Turbo Pump Family and view Agilent Technologies TwissTorr Brochure.
A&J Vacuum repairs / rebuilds and services all Agilent TwisTorr Turbo Pumps, including Agilent TwissTorr 304 FS, Agilent TwisTorr 84 FS, along with all other Varian, Alcatel, Edwards, Bush, Leybold, Pfeiffer, Ulvac Turbo Pumps, and Turbo Pump Systems. Please contact us for information on service program or click here http://www.ajvs.com/service.php to go to our Service page. We also offer Emergency service upon request. For more information Please contact A&J Vacuum Services at 973-249-0854.
Service & Repair
A & J Vacuum Services provides repair service for all types of High Vacuum equipment. We perform Turbomolecular Pump repair, Turbo Pump Repair, Dry Pump repair, Vacuum Pump repair, Mass Spectrometer repair, Rotary Vane Pump repair, Vacuum Booster repair, and Leak detector repair. Our highly trained technicians have years of experience and guarantee the highest quality service.
We operate at our own full service repair facility in Clifton, NJ. We have invested in state-of-the-art equipment including; complete line of decontamination, cleaning, drying, balancing, vibration analysis and software to minimize failures. Our in-house machine shop is capable of machining various components, prototypes and housing conversions as needed.
We support all major manufacturers including Pfeiffer Vacuum, Alcatel / Adixen, Edwards Vacuum, Varian, Oerlikon / Leybod Vacuum, Vacuubrand, and Agilent Technologies.
Repair Steps
Every pump and instrument is extensively tested for 48 hours. During our final tests, we monitor total pressure, temperature, vibration and noise level utilizing newest testing technologies and techniques specified by OEM. Upon request, we can provide our customers with a pump down graph. Call us for your free repair estimate at 1-973-249-0854.