The reliable and sturdy design of Alcatel ATP150 Turbo Pumps ensures performance suited to the fields of application concerned.
Adixen ATP 150, ATP 400 and ATP 900 have machined rotors and stators and low rotational speed to provide increased resistance to air inrush, minimal gyroscopic effect and low ball bearing stress.
Adixen ATP 150 Turbo Pump bearings can be relubricated by the end user at site by using Alcatel Adixen PFPE Lubrication Syringe for Turbo Pump Bearings ABG 400, Old PN 101924 and New PN 200029
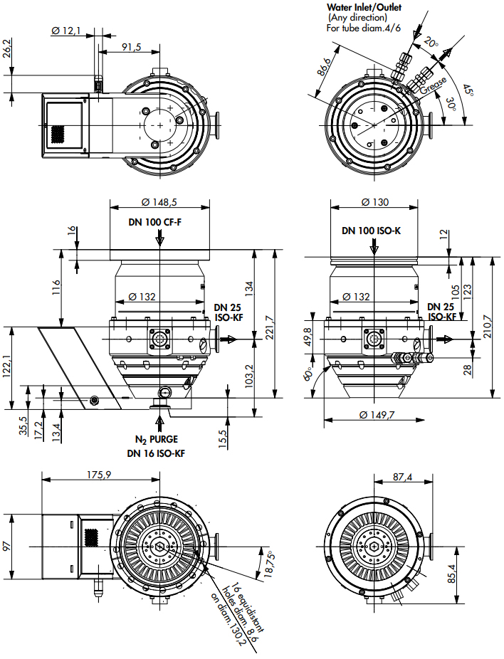
Alcatel ATP 150 Turbo Pump is also known as Adixen ATP150 Turbo Pump. ATP-150 Pump was design to operate in many different of Vacuum fields. This version of the ATP turbomolecular pump uses ambient cooling. The ATP Turbo could also be cooled with ATP Cooling Fan PN07046 or it can be water cooled PN00193.

Click Here for Alcatel/Adixen ATP Brochure
A&J Vacuum also repair / rebuild and service Alcatel ATP-150, ATP-400 and ATP-900 Turbo Pumps along with all other Alcatel Adixen Vacuum pumps and Pfeiffer Vacuum Rotary Vane pumps. Please contact us for information on service program or click here http://www.ajvs.com/service.php to go to our Service page. We also offer Emergency service upon request. For more information Please contact A&J Vacuum Services at 973-249-0854

Click Here for Alcatel/Adixen ATP Brochure
A&J Vacuum also repair / rebuild and service Alcatel ATP-150, ATP-400 and ATP-900 Turbo Pumps along with all other Alcatel Adixen Vacuum pumps and Pfeiffer Vacuum Rotary Vane pumps. Please contact us for information on service program or click here http://www.ajvs.com/service.php to go to our Service page. We also offer Emergency service upon request. For more information Please contact A&J Vacuum Services at 973-249-0854
|
Service and Repair A & J Vacuum Services provides repair service for all types of High Vacuum equipment. We perform Turbomolecular Pump repair, Turbo Pump Repair, Dry Pump repair, Vacuum Pump repair, Mass Spectrometer repair, Rotary Vane Pump repair, Vacuum Booster repair, and Leak detector repair. Our highly trained technicians have years of experience and guarantee the highest quality service.
We operate at our own full service repair facility in Clifton, NJ. We have invested in state-of-the-art equipment including; complete line of decontamination, cleaning, drying, balancing, vibration analysis and software to minimize failures. Our in-house machine shop is capable of machining various components, prototypes and housing conversions as needed.
We support all major manufacturers including Pfeiffer Vacuum, Alcatel / Adixen, Edwards Vacuum, Varian, Oerlikon / Leybod Vacuum, Vacuubrand, and Agilent Technologies.
Repair Steps
Every pump and instrument is extensively tested for 48 hours. During our final tests, we monitor total pressure, temperature, vibration and noise level utilizing newest testing technologies and techniques specified by OEM. Upon request, we can provide our customers with a pump down graph. Call us for your free repair estimate at 1-973-249-0854.
Overview
The reliable and sturdy design of Alcatel ATP150 Turbo Pumps ensures performance suited to the fields of application concerned.
Adixen ATP 150, ATP 400 and ATP 900 have machined rotors and stators and low rotational speed to provide increased resistance to air inrush, minimal gyroscopic effect and low ball bearing stress.
Adixen ATP 150 Turbo Pump bearings can be relubricated by the end user at site by using Alcatel Adixen PFPE Lubrication Syringe for Turbo Pump Bearings ABG 400, Old PN 101924 and New PN 200029
Alcatel ATP 150 Turbo Pump is also known as Adixen ATP150 Turbo Pump. ATP-150 Pump was design to operate in many different of Vacuum fields. This version of the ATP turbomolecular pump uses ambient cooling. The ATP Turbo could also be cooled with ATP Cooling Fan PN07046 or it can be water cooled PN00193.

Click Here for Alcatel/Adixen ATP Brochure
A&J Vacuum also repair / rebuild and service Alcatel ATP-150, ATP-400 and ATP-900 Turbo Pumps along with all other Alcatel Adixen Vacuum pumps and Pfeiffer Vacuum Rotary Vane pumps. Please contact us for information on service program or click here http://www.ajvs.com/service.php to go to our Service page. We also offer Emergency service upon request. For more information Please contact A&J Vacuum Services at 973-249-0854
Specifications

Click Here for Alcatel/Adixen ATP Brochure
A&J Vacuum also repair / rebuild and service Alcatel ATP-150, ATP-400 and ATP-900 Turbo Pumps along with all other Alcatel Adixen Vacuum pumps and Pfeiffer Vacuum Rotary Vane pumps. Please contact us for information on service program or click here http://www.ajvs.com/service.php to go to our Service page. We also offer Emergency service upon request. For more information Please contact A&J Vacuum Services at 973-249-0854
Spare Parts
Accessories
Service & Repair
A & J Vacuum Services provides repair service for all types of High Vacuum equipment. We perform Turbomolecular Pump repair, Turbo Pump Repair, Dry Pump repair, Vacuum Pump repair, Mass Spectrometer repair, Rotary Vane Pump repair, Vacuum Booster repair, and Leak detector repair. Our highly trained technicians have years of experience and guarantee the highest quality service.
We operate at our own full service repair facility in Clifton, NJ. We have invested in state-of-the-art equipment including; complete line of decontamination, cleaning, drying, balancing, vibration analysis and software to minimize failures. Our in-house machine shop is capable of machining various components, prototypes and housing conversions as needed.
We support all major manufacturers including Pfeiffer Vacuum, Alcatel / Adixen, Edwards Vacuum, Varian, Oerlikon / Leybod Vacuum, Vacuubrand, and Agilent Technologies.
Repair Steps
Every pump and instrument is extensively tested for 48 hours. During our final tests, we monitor total pressure, temperature, vibration and noise level utilizing newest testing technologies and techniques specified by OEM. Upon request, we can provide our customers with a pump down graph. Call us for your free repair estimate at 1-973-249-0854.