The Turbomolecular Pump TPH 2201 may only be used for the purpose of generating vacuum.
The turbo pumps may only be used to pump those media against which they are chemically resistant. For other media the operator is required to qualify the pumps for processes involved.
If the process produces dust, the maintenance intervals must be specified accordingly and sealing gas must be used.
If the pump is to be operated with more than 50% of the permissible gas load, sealing gas must be used.
The turbo pump must be connected to a backing pump.
Only Pfeiffer power pack units may be used to operate the TC 600. These power pack units guarantee voltage which is safely separated from the mains accordance with Standard EN 60 742. The use of other power pack units requires the express agreement of the manufacturer.
The pumps may only be operated providing the ambient conditions in compliance with Protection Type IP 30 are observed.

Click Here for Pfeiffer TPH 2201 Manual
A&J Vacuum Services offers full repair/service of Pfeiffer TPH 2201 Pump, along with all other brands offered on our website. AJVS also services Pfeiffer Turbo Pumps. Please contact us for information about our service and repair program or click http://www.ajvs.com/service.php to access our services page. We also offer emergency service upon request. For more information, please email A&J Vacuum Services at info@ajvs.com or call (973) 249-0854. Thank you for choosing AJVS as your supplier.

Click Here for Pfeiffer TPH 2201 Manual
A&J Vacuum Services offers full repair/service of Pfeiffer TPH 2201 Pump, along with all other brands offered on our website. AJVS also services Pfeiffer Turbo Pumps. Please contact us for information about our service and repair program or click http://www.ajvs.com/service.php to access our services page. We also offer emergency service upon request. For more information, please email A&J Vacuum Services at info@ajvs.com or call (973) 249-0854. Thank you for choosing AJVS as your supplier.
|
Service and Repair A & J Vacuum Services provides repair service for all types of High Vacuum equipment. We perform Turbomolecular Pump repair, Turbo Pump Repair, Dry Pump repair, Vacuum Pump repair, Mass Spectrometer repair, Rotary Vane Pump repair, Vacuum Booster repair, and Leak detector repair. Our highly trained technicians have years of experience and guarantee the highest quality service.
We operate at our own full service repair facility in Clifton, NJ. We have invested in state-of-the-art equipment including; complete line of decontamination, cleaning, drying, balancing, vibration analysis and software to minimize failures. Our in-house machine shop is capable of machining various components, prototypes and housing conversions as needed.
We support all major manufacturers including Pfeiffer Vacuum, Alcatel / Adixen, Edwards Vacuum, Varian, Oerlikon / Leybod Vacuum, Vacuubrand, and Agilent Technologies.
Repair Steps
Every pump and instrument is extensively tested for 48 hours. During our final tests, we monitor total pressure, temperature, vibration and noise level utilizing newest testing technologies and techniques specified by OEM. Upon request, we can provide our customers with a pump down graph. Call us for your free repair estimate at 1-973-249-0854.
Overview
The Turbomolecular Pump TPH 2201 may only be used for the purpose of generating vacuum.
The turbo pumps may only be used to pump those media against which they are chemically resistant. For other media the operator is required to qualify the pumps for processes involved.
If the process produces dust, the maintenance intervals must be specified accordingly and sealing gas must be used.
If the pump is to be operated with more than 50% of the permissible gas load, sealing gas must be used.
The turbo pump must be connected to a backing pump.
Only Pfeiffer power pack units may be used to operate the TC 600. These power pack units guarantee voltage which is safely separated from the mains accordance with Standard EN 60 742. The use of other power pack units requires the express agreement of the manufacturer.
The pumps may only be operated providing the ambient conditions in compliance with Protection Type IP 30 are observed.

Click Here for Pfeiffer TPH 2201 Manual
A&J Vacuum Services offers full repair/service of Pfeiffer TPH 2201 Pump, along with all other brands offered on our website. AJVS also services Pfeiffer Turbo Pumps. Please contact us for information about our service and repair program or click http://www.ajvs.com/service.php to access our services page. We also offer emergency service upon request. For more information, please email A&J Vacuum Services at info@ajvs.com or call (973) 249-0854. Thank you for choosing AJVS as your supplier.
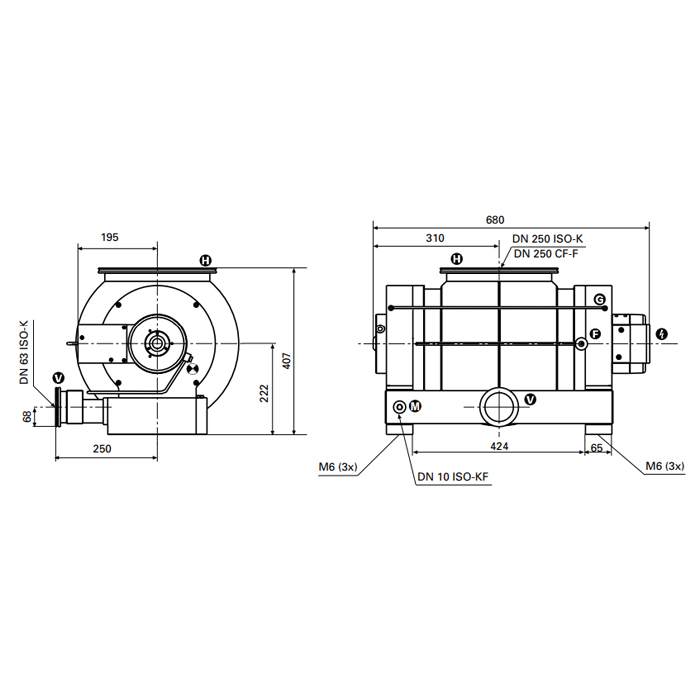
Specifications

Click Here for Pfeiffer TPH 2201 Manual
A&J Vacuum Services offers full repair/service of Pfeiffer TPH 2201 Pump, along with all other brands offered on our website. AJVS also services Pfeiffer Turbo Pumps. Please contact us for information about our service and repair program or click http://www.ajvs.com/service.php to access our services page. We also offer emergency service upon request. For more information, please email A&J Vacuum Services at info@ajvs.com or call (973) 249-0854. Thank you for choosing AJVS as your supplier.
Service & Repair
A & J Vacuum Services provides repair service for all types of High Vacuum equipment. We perform Turbomolecular Pump repair, Turbo Pump Repair, Dry Pump repair, Vacuum Pump repair, Mass Spectrometer repair, Rotary Vane Pump repair, Vacuum Booster repair, and Leak detector repair. Our highly trained technicians have years of experience and guarantee the highest quality service.
We operate at our own full service repair facility in Clifton, NJ. We have invested in state-of-the-art equipment including; complete line of decontamination, cleaning, drying, balancing, vibration analysis and software to minimize failures. Our in-house machine shop is capable of machining various components, prototypes and housing conversions as needed.
We support all major manufacturers including Pfeiffer Vacuum, Alcatel / Adixen, Edwards Vacuum, Varian, Oerlikon / Leybod Vacuum, Vacuubrand, and Agilent Technologies.
Repair Steps
Every pump and instrument is extensively tested for 48 hours. During our final tests, we monitor total pressure, temperature, vibration and noise level utilizing newest testing technologies and techniques specified by OEM. Upon request, we can provide our customers with a pump down graph. Call us for your free repair estimate at 1-973-249-0854.