The TURBOVAC model 361 is a turbomolecular pump featuring grease-lubricated bearings. This unit is engineered to pump vacuum chambers down to pressures in the high-vacuum range. A TURBOTRONIK frequency converter and a forevacuum pump are required for the operation of the TURBOVAC.
These units are not suitable for operation without a forevacuum pump.
The turbomolecular pumps from Oerlikon Leybold Vacuum generate a clean high and ultra-high vacuum, are easy to operate and are exceptionally reliable. In connection with a well rated backing pump, pressures below 10-10 mbar (0.75 x 10-10 Torr) can be attained.
Oerlikon Leybold Vacuum offers two product lines:
Each of the two product lines contains “classic” turbomolecular pumps as well as turbomolecular pumps with a compound stage. Oerlikon Leybold Vacuum is one of the world’s leading manufacturer of turbomolecular pumps.
Consequently, the TURBOVAC and the TURBOVAC MAG pumps are successfully used in many applications. A list of the most important ones is given in the table “Applications” in the section “General”


Click Here for Leybold TMP 361 Manual
AJVS.com service and repair all Leybold Turbo Pumping Stations, Leybold TMP 361 Turbo Pump Repair, Roots Pump Service and repair. Please contact us for information on service program or click here http://www.ajvs.com/service.php to go to our Service page. We also offer Emergency service upon request. For more information Please contact A&J Vacuum Services at 973-249-0854

AJVS.com service and repair all Leybold Turbo Pumping Stations, Leybold TMP 361 Turbo Pump Repair, Roots Pump Service and repair. Please contact us for information on service program or click here http://www.ajvs.com/service.php to go to our Service page. We also offer Emergency service upon request. For more information Please contact A&J Vacuum Services at 973-249-0854
|
Service and Repair A & J Vacuum Services provides repair service for all types of High Vacuum equipment. We perform Turbomolecular Pump repair, Turbo Pump Repair, Dry Pump repair, Vacuum Pump repair, Mass Spectrometer repair, Rotary Vane Pump repair, Vacuum Booster repair, and Leak detector repair. Our highly trained technicians have years of experience and guarantee the highest quality service.
We operate at our own full service repair facility in Clifton, NJ. We have invested in state-of-the-art equipment including; complete line of decontamination, cleaning, drying, balancing, vibration analysis and software to minimize failures. Our in-house machine shop is capable of machining various components, prototypes and housing conversions as needed.
We support all major manufacturers including Pfeiffer Vacuum, Alcatel / Adixen, Edwards Vacuum, Varian, Oerlikon / Leybod Vacuum, Vacuubrand, and Agilent Technologies.
Repair Steps
Every pump and instrument is extensively tested for 48 hours. During our final tests, we monitor total pressure, temperature, vibration and noise level utilizing newest testing technologies and techniques specified by OEM. Upon request, we can provide our customers with a pump down graph. Call us for your free repair estimate at 1-973-249-0854.
Overview
The TURBOVAC model 361 is a turbomolecular pump featuring grease-lubricated bearings. This unit is engineered to pump vacuum chambers down to pressures in the high-vacuum range. A TURBOTRONIK frequency converter and a forevacuum pump are required for the operation of the TURBOVAC.
These units are not suitable for operation without a forevacuum pump.
The turbomolecular pumps from Oerlikon Leybold Vacuum generate a clean high and ultra-high vacuum, are easy to operate and are exceptionally reliable. In connection with a well rated backing pump, pressures below 10-10 mbar (0.75 x 10-10 Torr) can be attained.
Oerlikon Leybold Vacuum offers two product lines:
Each of the two product lines contains “classic” turbomolecular pumps as well as turbomolecular pumps with a compound stage. Oerlikon Leybold Vacuum is one of the world’s leading manufacturer of turbomolecular pumps.
Consequently, the TURBOVAC and the TURBOVAC MAG pumps are successfully used in many applications. A list of the most important ones is given in the table “Applications” in the section “General”


Click Here for Leybold TMP 361 Manual
AJVS.com service and repair all Leybold Turbo Pumping Stations, Leybold TMP 361 Turbo Pump Repair, Roots Pump Service and repair. Please contact us for information on service program or click here http://www.ajvs.com/service.php to go to our Service page. We also offer Emergency service upon request. For more information Please contact A&J Vacuum Services at 973-249-0854
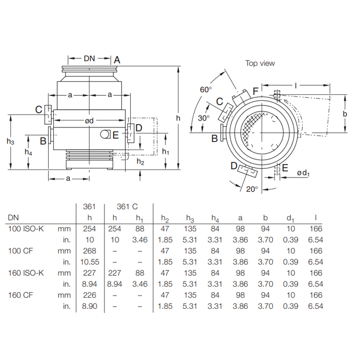
Specifications

AJVS.com service and repair all Leybold Turbo Pumping Stations, Leybold TMP 361 Turbo Pump Repair, Roots Pump Service and repair. Please contact us for information on service program or click here http://www.ajvs.com/service.php to go to our Service page. We also offer Emergency service upon request. For more information Please contact A&J Vacuum Services at 973-249-0854
Spare Parts
Accessories
Service & Repair
A & J Vacuum Services provides repair service for all types of High Vacuum equipment. We perform Turbomolecular Pump repair, Turbo Pump Repair, Dry Pump repair, Vacuum Pump repair, Mass Spectrometer repair, Rotary Vane Pump repair, Vacuum Booster repair, and Leak detector repair. Our highly trained technicians have years of experience and guarantee the highest quality service.
We operate at our own full service repair facility in Clifton, NJ. We have invested in state-of-the-art equipment including; complete line of decontamination, cleaning, drying, balancing, vibration analysis and software to minimize failures. Our in-house machine shop is capable of machining various components, prototypes and housing conversions as needed.
We support all major manufacturers including Pfeiffer Vacuum, Alcatel / Adixen, Edwards Vacuum, Varian, Oerlikon / Leybod Vacuum, Vacuubrand, and Agilent Technologies.
Repair Steps
Every pump and instrument is extensively tested for 48 hours. During our final tests, we monitor total pressure, temperature, vibration and noise level utilizing newest testing technologies and techniques specified by OEM. Upon request, we can provide our customers with a pump down graph. Call us for your free repair estimate at 1-973-249-0854.