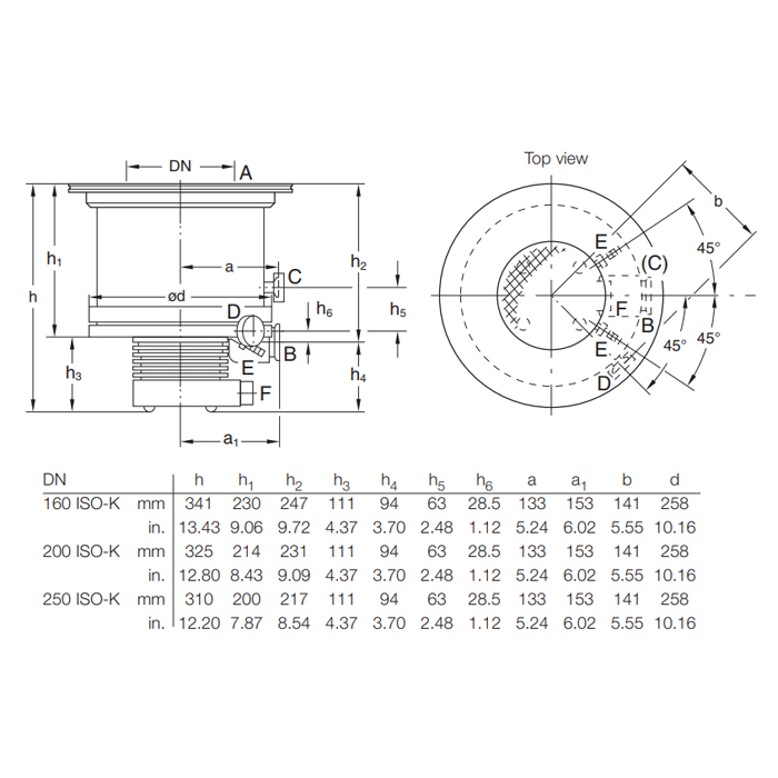
- Inlet flange DN 250 ISO-K
- Outlet Flange DN 63 ISO-K
- P/N 800150V0032
- TMP 1100 C
The TURBOVAC 1100 C is a turbomolecular pump featuring grease-lubricated bearings. It is engineered to pump vacuum chambers down to pressures in the high vacuum range. A Leybold TURBOTRONIK frequency converter and a forevacuum pump are required for the operation of the TURBOVAC.
These units are not suitable for operation without a forevacuum pump.
The TURBOVAC TMP1100C 800150V0032 is equipped with a type Turbo Guard 3 rotor bearing monitoring device featuring an operating hours counter.
TURBOVAC 1100C Turbo Pumps versions identified with a “C” in the model number are equipped with a purge gas feature, it protects only the bearing area and the motor in the TURBOVAC.
Corrosive gases (such as chlorine) can destroy the rotors.
During operation the pressure inside the TURBOVAC is so low that there is no danger of ignition (at pressures below about 100 mbar, 75 Torr). A hazardous condition will be created if flammable mixtures enter the hot pump at pressures above 100 mbar (75 Torr). During operation the pump can reach temperatures as high as 120°C (248 °F).
Sparks could occur in case of damage to the pump and these could ignite explosive mixtures. We would be glad to consult with you as regards the media which can safely be handled with this unit.
A&J Vacuum repair / rebuild and service all Leybold TMP1000C, TMP1100C Turbo Pump Service, Leybold Vacuum Pumps along with all other Varian, Alcatel, Edwards, Bush, Leybold, Pfeiffer, Ulvac Oil lubricated Pumps, Varian Scroll Dry Pumps. Please contact us for information on service program or click here http://www.ajvs.com/service.php to go to our Service page. We also offer Emergency service upon request. For more information Please contact A&J Vacuum Services at 973-249-0854.

A&J Vacuum repair / rebuild and service all Leybold TMP1000C, TMP1100C Turbo Pump Service, Leybold Vacuum Pumps along with all other Varian, Alcatel, Edwards, Bush, Leybold, Pfeiffer, Ulvac Oil lubricated Pumps, Varian Scroll Dry Pumps. Please contact us for information on service program or click here http://www.ajvs.com/service.php to go to our Service page. We also offer Emergency service upon request. For more information Please contact A&J Vacuum Services at 973-249-0854.
We can have a repair estimate ready for your equipment within the hour of submission.
Start your equipment repair process by creating a Service RMA.
A&J Vacuum Services provides repairs on all types of High Vacuum equipment. We perform Turbomolecular Pump repair, Turbo Pump Repair, Dry Pump repair, Vacuum Pump repair and Mass Spectrometer repair. Our highly trained technicians will deliver the highest quality service and satisfaction.
We operate at our own full service repair facility which allows us to quickly and economically perform all repairs in a timely manner. Our advandced machinery enables us to handle all facets of the service and repair process. AJVS utilizes industry standard vibration analysis equipment and advanced testing equipment to troubleshoot and minimize all equipment failures. Our in-house machine shop is capable of machining various components, prototypes and housing conversions as needed.