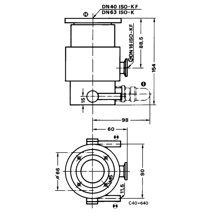
This Turbomolecular Drag Pump has a pumping velocity of 55 liters per second and a final pressure of 1 x 10-7. It has been thoroughly examined and is ready for broad range of applications within the research and industrial industries. The TPH 055 Turbo Pump comes with an entire 12-Month Warranty.
A turbopump is a gas turbine that is made up of two independent components ; a rotodynamic pump and a driving turbine. They can be mounted on the same shaft or customarily geared together. The design of a turbopump is to produce a high pressure fluid for feeding a combustion chamber or other use. Visit the turbo pump wiki page for more information.
A turbomolecular pump is a form of vacuum pump similar to a turbopump which is used to obtain and hold a high vacuum. These pumps work on the principle that gas particles can be given momentum in a wanted direction by reiterated collision with a traveling solid surface. In a turbomolecular pump, a quickly spinning turbine rotor 'strikes' gas particles from the intake of the pump towards the exhaust in order to make or hold a vacuum. Visit the turbomolecular pump wiki page for more information.


Click Here for Pfeiffer TPH 055 Manual
A&J Vacuum Services offers full repair/service of Pfeiffer TPH 055 Pump, along with all other brands offered on our website. AJVS also services Pfeiffer Turbo Pumps. Please contact us for information about our service and repair program or click http://www.ajvs.com/service.php to access our services page. We also offer emergency service upon request. For more information, please email A&J Vacuum Services at info@ajvs.com or call (973) 249-0854. Thank you for choosing AJVS as your supplier.

Click Here for Pfeiffer TPH 055 Manual
A&J Vacuum Services offers full repair/service of Pfeiffer TPH 055 Pump, along with all other brands offered on our website. AJVS also services Pfeiffer Turbo Pumps. Please contact us for information about our service and repair program or click http://www.ajvs.com/service.php to access our services page. We also offer emergency service upon request. For more information, please email A&J Vacuum Services at info@ajvs.com or call (973) 249-0854. Thank you for choosing AJVS as your supplier.
|
Service and Repair A & J Vacuum Services provides repair service for all types of High Vacuum equipment. We perform Turbomolecular Pump repair, Turbo Pump Repair, Dry Pump repair, Vacuum Pump repair, Mass Spectrometer repair, Rotary Vane Pump repair, Vacuum Booster repair, and Leak detector repair. Our highly trained technicians have years of experience and guarantee the highest quality service.
We operate at our own full service repair facility in Clifton, NJ. We have invested in state-of-the-art equipment including; complete line of decontamination, cleaning, drying, balancing, vibration analysis and software to minimize failures. Our in-house machine shop is capable of machining various components, prototypes and housing conversions as needed.
We support all major manufacturers including Pfeiffer Vacuum, Alcatel / Adixen, Edwards Vacuum, Varian, Oerlikon / Leybod Vacuum, Vacuubrand, and Agilent Technologies.
Repair Steps
Every pump and instrument is extensively tested for 48 hours. During our final tests, we monitor total pressure, temperature, vibration and noise level utilizing newest testing technologies and techniques specified by OEM. Upon request, we can provide our customers with a pump down graph. Call us for your free repair estimate at 1-973-249-0854.
Overview
This Turbomolecular Drag Pump has a pumping velocity of 55 liters per second and a final pressure of 1 x 10-7. It has been thoroughly examined and is ready for broad range of applications within the research and industrial industries. The TPH 055 Turbo Pump comes with an entire 12-Month Warranty.
A turbopump is a gas turbine that is made up of two independent components ; a rotodynamic pump and a driving turbine. They can be mounted on the same shaft or customarily geared together. The design of a turbopump is to produce a high pressure fluid for feeding a combustion chamber or other use. Visit the turbo pump wiki page for more information.
A turbomolecular pump is a form of vacuum pump similar to a turbopump which is used to obtain and hold a high vacuum. These pumps work on the principle that gas particles can be given momentum in a wanted direction by reiterated collision with a traveling solid surface. In a turbomolecular pump, a quickly spinning turbine rotor 'strikes' gas particles from the intake of the pump towards the exhaust in order to make or hold a vacuum. Visit the turbomolecular pump wiki page for more information.


Click Here for Pfeiffer TPH 055 Manual
A&J Vacuum Services offers full repair/service of Pfeiffer TPH 055 Pump, along with all other brands offered on our website. AJVS also services Pfeiffer Turbo Pumps. Please contact us for information about our service and repair program or click http://www.ajvs.com/service.php to access our services page. We also offer emergency service upon request. For more information, please email A&J Vacuum Services at info@ajvs.com or call (973) 249-0854. Thank you for choosing AJVS as your supplier.
Specifications

Click Here for Pfeiffer TPH 055 Manual
A&J Vacuum Services offers full repair/service of Pfeiffer TPH 055 Pump, along with all other brands offered on our website. AJVS also services Pfeiffer Turbo Pumps. Please contact us for information about our service and repair program or click http://www.ajvs.com/service.php to access our services page. We also offer emergency service upon request. For more information, please email A&J Vacuum Services at info@ajvs.com or call (973) 249-0854. Thank you for choosing AJVS as your supplier.
Spare Parts
Accessories
Service & Repair
A & J Vacuum Services provides repair service for all types of High Vacuum equipment. We perform Turbomolecular Pump repair, Turbo Pump Repair, Dry Pump repair, Vacuum Pump repair, Mass Spectrometer repair, Rotary Vane Pump repair, Vacuum Booster repair, and Leak detector repair. Our highly trained technicians have years of experience and guarantee the highest quality service.
We operate at our own full service repair facility in Clifton, NJ. We have invested in state-of-the-art equipment including; complete line of decontamination, cleaning, drying, balancing, vibration analysis and software to minimize failures. Our in-house machine shop is capable of machining various components, prototypes and housing conversions as needed.
We support all major manufacturers including Pfeiffer Vacuum, Alcatel / Adixen, Edwards Vacuum, Varian, Oerlikon / Leybod Vacuum, Vacuubrand, and Agilent Technologies.
Repair Steps
Every pump and instrument is extensively tested for 48 hours. During our final tests, we monitor total pressure, temperature, vibration and noise level utilizing newest testing technologies and techniques specified by OEM. Upon request, we can provide our customers with a pump down graph. Call us for your free repair estimate at 1-973-249-0854.