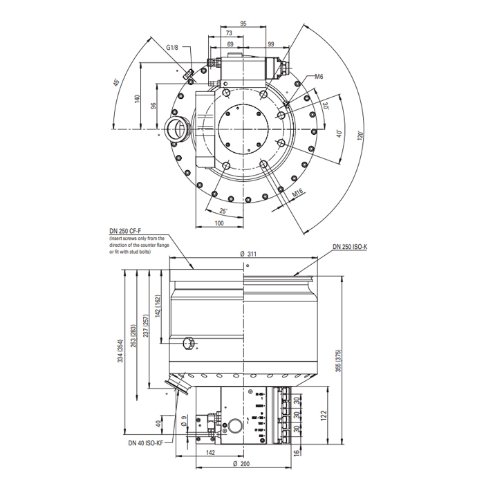
The Pfeiffer TPH2301 PN Turbo pump may only be used for the purpose of generating vacuum.
Pfeiffer TPH 2301PN It is designed to pump corrosive gases and vapours. Where corrosive gas processes are involved, gas bonding and particles which can damage the surfaces of the pump can be produced. The motor and bearing compartments have to be protected with sealing gas.
The New Pfeiffer 2301 Turbo Pump may only be used to pump those media against which they are chemically resistant. For other media the operator is required to qualify teh pumps for the processes involved.
If the process produces dust, the maintenance intervals must be specified accordingly and sealing gas must be used.
If the TPH2301PN Turbo Pump is to be operated with more than 50% of the permissible gas load then sealing gas should be used to ensure rotor cooling.
Complete Operating Instruction for Pfeiffer TPH2301 is available in PDF format below.

Click Here for Pfeiffer TPH2301 Manual
A&J Vacuum also repair / rebuild and service Pfeiffer TPH 2301 PN Turbo Pumps along with all other Pfeiffer Turbo Pumps, Pfeiffer Rotary Vane Pumps, Pfeiffer Dry Pumps, Pfeiffer Leak Detector Repair and all other Pfeiffer Vacuum Rotary Vane pumps. Please contact us for information on service program or click here http://www.ajvs.com/service.php to go to our Service page. We also offer Emergency service upon request. For more information Please contact A&J Vacuum Services at 973-249-0854

A&J Vacuum also repair / rebuild and service Pfeiffer TPH 2301 PN Turbo Pumps along with all other Pfeiffer Turbo Pumps, Pfeiffer Rotary Vane Pumps, Pfeiffer Dry Pumps, Pfeiffer Leak Detector Repair and all other Pfeiffer Vacuum Rotary Vane pumps. Please contact us for information on service program or click here http://www.ajvs.com/service.php to go to our Service page. We also offer Emergency service upon request. For more information Please contact A&J Vacuum Services at 973-249-0854
|
Service and Repair A & J Vacuum Services provides repair service for all types of High Vacuum equipment. We perform Turbomolecular Pump repair, Turbo Pump Repair, Dry Pump repair, Vacuum Pump repair, Mass Spectrometer repair, Rotary Vane Pump repair, Vacuum Booster repair, and Leak detector repair. Our highly trained technicians have years of experience and guarantee the highest quality service.
We operate at our own full service repair facility in Clifton, NJ. We have invested in state-of-the-art equipment including; complete line of decontamination, cleaning, drying, balancing, vibration analysis and software to minimize failures. Our in-house machine shop is capable of machining various components, prototypes and housing conversions as needed.
We support all major manufacturers including Pfeiffer Vacuum, Alcatel / Adixen, Edwards Vacuum, Varian, Oerlikon / Leybod Vacuum, Vacuubrand, and Agilent Technologies.
Repair Steps
Every pump and instrument is extensively tested for 48 hours. During our final tests, we monitor total pressure, temperature, vibration and noise level utilizing newest testing technologies and techniques specified by OEM. Upon request, we can provide our customers with a pump down graph. Call us for your free repair estimate at 1-973-249-0854.
Overview
The Pfeiffer TPH2301 PN Turbo pump may only be used for the purpose of generating vacuum.
Pfeiffer TPH 2301PN It is designed to pump corrosive gases and vapours. Where corrosive gas processes are involved, gas bonding and particles which can damage the surfaces of the pump can be produced. The motor and bearing compartments have to be protected with sealing gas.
The New Pfeiffer 2301 Turbo Pump may only be used to pump those media against which they are chemically resistant. For other media the operator is required to qualify teh pumps for the processes involved.
If the process produces dust, the maintenance intervals must be specified accordingly and sealing gas must be used.
If the TPH2301PN Turbo Pump is to be operated with more than 50% of the permissible gas load then sealing gas should be used to ensure rotor cooling.
Complete Operating Instruction for Pfeiffer TPH2301 is available in PDF format below.

Click Here for Pfeiffer TPH2301 Manual
A&J Vacuum also repair / rebuild and service Pfeiffer TPH 2301 PN Turbo Pumps along with all other Pfeiffer Turbo Pumps, Pfeiffer Rotary Vane Pumps, Pfeiffer Dry Pumps, Pfeiffer Leak Detector Repair and all other Pfeiffer Vacuum Rotary Vane pumps. Please contact us for information on service program or click here http://www.ajvs.com/service.php to go to our Service page. We also offer Emergency service upon request. For more information Please contact A&J Vacuum Services at 973-249-0854
Specifications

A&J Vacuum also repair / rebuild and service Pfeiffer TPH 2301 PN Turbo Pumps along with all other Pfeiffer Turbo Pumps, Pfeiffer Rotary Vane Pumps, Pfeiffer Dry Pumps, Pfeiffer Leak Detector Repair and all other Pfeiffer Vacuum Rotary Vane pumps. Please contact us for information on service program or click here http://www.ajvs.com/service.php to go to our Service page. We also offer Emergency service upon request. For more information Please contact A&J Vacuum Services at 973-249-0854
Videos
Spare Parts
Accessories
Service & Repair
A & J Vacuum Services provides repair service for all types of High Vacuum equipment. We perform Turbomolecular Pump repair, Turbo Pump Repair, Dry Pump repair, Vacuum Pump repair, Mass Spectrometer repair, Rotary Vane Pump repair, Vacuum Booster repair, and Leak detector repair. Our highly trained technicians have years of experience and guarantee the highest quality service.
We operate at our own full service repair facility in Clifton, NJ. We have invested in state-of-the-art equipment including; complete line of decontamination, cleaning, drying, balancing, vibration analysis and software to minimize failures. Our in-house machine shop is capable of machining various components, prototypes and housing conversions as needed.
We support all major manufacturers including Pfeiffer Vacuum, Alcatel / Adixen, Edwards Vacuum, Varian, Oerlikon / Leybod Vacuum, Vacuubrand, and Agilent Technologies.
Repair Steps
Every pump and instrument is extensively tested for 48 hours. During our final tests, we monitor total pressure, temperature, vibration and noise level utilizing newest testing technologies and techniques specified by OEM. Upon request, we can provide our customers with a pump down graph. Call us for your free repair estimate at 1-973-249-0854.