This TMH1600PC / P/N PM P02 469 Turbo Pump has a free of wear permanent magnetic bearing at high vacuum side and oil lubricated ceramic bearing at the backing side.
This Pfeiffer TMH-1600PC was installed on Novellus CVD system, PMK01740, PM K01 740.
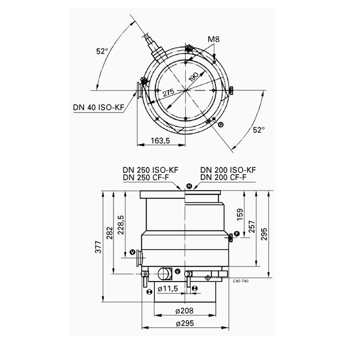
The Pfeiffer Turbo Pumps TMH-1600PC and TMU-1600PC models are identical in terms of design. They only differ in their intake flange. The pumps have a free of wear permanent magnetic bearing at high vacuum side and oil lubricated ceramic bearing at the backing side. Turbo pump designed for a wide range of applications in research industry.
Complete Operating Instruction for TMH 1600 PC PM P02 469 is available in PDF format below.

Click Here for TMH 1600 PC Instruction Manual
A&J Vacuum repair / rebuild and service Pfeiffer TMH-1600PC Turbo Pumps, Pfeiffer Backing Pumps along with all other Pfeiffer Vacuum Pumps and all other Pfeiffer Leak Detector Service and repair. Please contact us for information on service program or click here http://www.ajvs.com/service.php to go to our Service page. We also offer Emergency service upon request. For more information Please contact A&J Vacuum Services at 973-249-0854.

Click Here for TMH 1600 PC Instruction Manual
A&J Vacuum repair / rebuild and service Pfeiffer TMH-1600PC Turbo Pumps, Pfeiffer Backing Pumps along with all other Pfeiffer Vacuum Pumps and all other Pfeiffer Leak Detector Service and repair. Please contact us for information on service program or click here http://www.ajvs.com/service.php to go to our Service page. We also offer Emergency service upon request. For more information Please contact A&J Vacuum Services at 973-249-0854.
|
Service and Repair A & J Vacuum Services provides repair service for all types of High Vacuum equipment. We perform Turbomolecular Pump repair, Turbo Pump Repair, Dry Pump repair, Vacuum Pump repair, Mass Spectrometer repair, Rotary Vane Pump repair, Vacuum Booster repair, and Leak detector repair. Our highly trained technicians have years of experience and guarantee the highest quality service.
We operate at our own full service repair facility in Clifton, NJ. We have invested in state-of-the-art equipment including; complete line of decontamination, cleaning, drying, balancing, vibration analysis and software to minimize failures. Our in-house machine shop is capable of machining various components, prototypes and housing conversions as needed.
We support all major manufacturers including Pfeiffer Vacuum, Alcatel / Adixen, Edwards Vacuum, Varian, Oerlikon / Leybod Vacuum, Vacuubrand, and Agilent Technologies.
Repair Steps
Every pump and instrument is extensively tested for 48 hours. During our final tests, we monitor total pressure, temperature, vibration and noise level utilizing newest testing technologies and techniques specified by OEM. Upon request, we can provide our customers with a pump down graph. Call us for your free repair estimate at 1-973-249-0854.
Overview
This TMH1600PC / P/N PM P02 469 Turbo Pump has a free of wear permanent magnetic bearing at high vacuum side and oil lubricated ceramic bearing at the backing side.
This Pfeiffer TMH-1600PC was installed on Novellus CVD system, PMK01740, PM K01 740.
The Pfeiffer Turbo Pumps TMH-1600PC and TMU-1600PC models are identical in terms of design. They only differ in their intake flange. The pumps have a free of wear permanent magnetic bearing at high vacuum side and oil lubricated ceramic bearing at the backing side. Turbo pump designed for a wide range of applications in research industry.
Complete Operating Instruction for TMH 1600 PC PM P02 469 is available in PDF format below.

Click Here for TMH 1600 PC Instruction Manual
A&J Vacuum repair / rebuild and service Pfeiffer TMH-1600PC Turbo Pumps, Pfeiffer Backing Pumps along with all other Pfeiffer Vacuum Pumps and all other Pfeiffer Leak Detector Service and repair. Please contact us for information on service program or click here http://www.ajvs.com/service.php to go to our Service page. We also offer Emergency service upon request. For more information Please contact A&J Vacuum Services at 973-249-0854.
Specifications

Click Here for TMH 1600 PC Instruction Manual
A&J Vacuum repair / rebuild and service Pfeiffer TMH-1600PC Turbo Pumps, Pfeiffer Backing Pumps along with all other Pfeiffer Vacuum Pumps and all other Pfeiffer Leak Detector Service and repair. Please contact us for information on service program or click here http://www.ajvs.com/service.php to go to our Service page. We also offer Emergency service upon request. For more information Please contact A&J Vacuum Services at 973-249-0854.
Service & Repair
A & J Vacuum Services provides repair service for all types of High Vacuum equipment. We perform Turbomolecular Pump repair, Turbo Pump Repair, Dry Pump repair, Vacuum Pump repair, Mass Spectrometer repair, Rotary Vane Pump repair, Vacuum Booster repair, and Leak detector repair. Our highly trained technicians have years of experience and guarantee the highest quality service.
We operate at our own full service repair facility in Clifton, NJ. We have invested in state-of-the-art equipment including; complete line of decontamination, cleaning, drying, balancing, vibration analysis and software to minimize failures. Our in-house machine shop is capable of machining various components, prototypes and housing conversions as needed.
We support all major manufacturers including Pfeiffer Vacuum, Alcatel / Adixen, Edwards Vacuum, Varian, Oerlikon / Leybod Vacuum, Vacuubrand, and Agilent Technologies.
Repair Steps
Every pump and instrument is extensively tested for 48 hours. During our final tests, we monitor total pressure, temperature, vibration and noise level utilizing newest testing technologies and techniques specified by OEM. Upon request, we can provide our customers with a pump down graph. Call us for your free repair estimate at 1-973-249-0854.