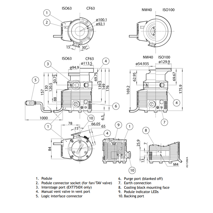
The Edwards EXT75DX / B72243000 is a hybrid bearing compound turbo pump that combines the proven technology of a ceramic mechanical lower bearing, a dry permanent magnetic upper bearing and Holweck drag stage with the added convenience of an on-board 24V controller allowing parallel and serial communication compatible with Edwards TAG and TIC controllers.
Edwards EXT 75DX It is available with either a DN 40 NW, ISO 63, DN 63 CF or an ISO 100 inlet flange with an N2 pumping speed of up to 66 ls-1. A basic pump system would require an EXT75DX pump, a TAG or TIC controller, either an air or water cooling accessory and a suitable backing pump.

Click Here for Edwards EXT 75 DX Manual
A&J Vacuum also Repair / Rebuild and Rervice all Edwards EXT and nEXT Turbo Pumps Edwards Vacuum Gauges with Edwards Scroll Vacuum Pumps Edwards Turbo Pump repair, Edwards Vane Pumps and all other Edwards Vacuum Rotary Vane pumps. Please contact us for information on service program or click here http://www.ajvs.com/service.php to go to our Service page. We also offer Emergency service upon request. For more information Please contact A&J Vacuum Services at 973-249-0854

Click Here for Edwards EXT 75 DX Manual
A&J Vacuum also Repair / Rebuild and Rervice all Edwards EXT and nEXT Turbo Pumps Edwards Vacuum Gauges with Edwards Scroll Vacuum Pumps Edwards Turbo Pump repair, Edwards Vane Pumps and all other Edwards Vacuum Rotary Vane pumps. Please contact us for information on service program or click here http://www.ajvs.com/service.php to go to our Service page. We also offer Emergency service upon request. For more information Please contact A&J Vacuum Services at 973-249-0854
|
Service and Repair A & J Vacuum Services provides repair service for all types of High Vacuum equipment. We perform Turbomolecular Pump repair, Turbo Pump Repair, Dry Pump repair, Vacuum Pump repair, Mass Spectrometer repair, Rotary Vane Pump repair, Vacuum Booster repair, and Leak detector repair. Our highly trained technicians have years of experience and guarantee the highest quality service.
We operate at our own full service repair facility in Clifton, NJ. We have invested in state-of-the-art equipment including; complete line of decontamination, cleaning, drying, balancing, vibration analysis and software to minimize failures. Our in-house machine shop is capable of machining various components, prototypes and housing conversions as needed.
We support all major manufacturers including Pfeiffer Vacuum, Alcatel / Adixen, Edwards Vacuum, Varian, Oerlikon / Leybod Vacuum, Vacuubrand, and Agilent Technologies.
Repair Steps
Every pump and instrument is extensively tested for 48 hours. During our final tests, we monitor total pressure, temperature, vibration and noise level utilizing newest testing technologies and techniques specified by OEM. Upon request, we can provide our customers with a pump down graph. Call us for your free repair estimate at 1-973-249-0854.
Overview
The Edwards EXT75DX / B72243000 is a hybrid bearing compound turbo pump that combines the proven technology of a ceramic mechanical lower bearing, a dry permanent magnetic upper bearing and Holweck drag stage with the added convenience of an on-board 24V controller allowing parallel and serial communication compatible with Edwards TAG and TIC controllers.
Edwards EXT 75DX It is available with either a DN 40 NW, ISO 63, DN 63 CF or an ISO 100 inlet flange with an N2 pumping speed of up to 66 ls-1. A basic pump system would require an EXT75DX pump, a TAG or TIC controller, either an air or water cooling accessory and a suitable backing pump.

Click Here for Edwards EXT 75 DX Manual
A&J Vacuum also Repair / Rebuild and Rervice all Edwards EXT and nEXT Turbo Pumps Edwards Vacuum Gauges with Edwards Scroll Vacuum Pumps Edwards Turbo Pump repair, Edwards Vane Pumps and all other Edwards Vacuum Rotary Vane pumps. Please contact us for information on service program or click here http://www.ajvs.com/service.php to go to our Service page. We also offer Emergency service upon request. For more information Please contact A&J Vacuum Services at 973-249-0854
Specifications

Click Here for Edwards EXT 75 DX Manual
A&J Vacuum also Repair / Rebuild and Rervice all Edwards EXT and nEXT Turbo Pumps Edwards Vacuum Gauges with Edwards Scroll Vacuum Pumps Edwards Turbo Pump repair, Edwards Vane Pumps and all other Edwards Vacuum Rotary Vane pumps. Please contact us for information on service program or click here http://www.ajvs.com/service.php to go to our Service page. We also offer Emergency service upon request. For more information Please contact A&J Vacuum Services at 973-249-0854
Service & Repair
A & J Vacuum Services provides repair service for all types of High Vacuum equipment. We perform Turbomolecular Pump repair, Turbo Pump Repair, Dry Pump repair, Vacuum Pump repair, Mass Spectrometer repair, Rotary Vane Pump repair, Vacuum Booster repair, and Leak detector repair. Our highly trained technicians have years of experience and guarantee the highest quality service.
We operate at our own full service repair facility in Clifton, NJ. We have invested in state-of-the-art equipment including; complete line of decontamination, cleaning, drying, balancing, vibration analysis and software to minimize failures. Our in-house machine shop is capable of machining various components, prototypes and housing conversions as needed.
We support all major manufacturers including Pfeiffer Vacuum, Alcatel / Adixen, Edwards Vacuum, Varian, Oerlikon / Leybod Vacuum, Vacuubrand, and Agilent Technologies.
Repair Steps
Every pump and instrument is extensively tested for 48 hours. During our final tests, we monitor total pressure, temperature, vibration and noise level utilizing newest testing technologies and techniques specified by OEM. Upon request, we can provide our customers with a pump down graph. Call us for your free repair estimate at 1-973-249-0854.