The Pfeiffer Vacuum TMH 064 Turbo Pump is designed for a wide range of applications in the research industry.
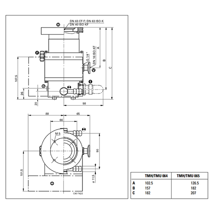
The Pfeiffer TMH064 / PM P02 361 and TMU models are identical in terms of their design. They only differ in their intake flange. Pfeiffer TMU 064 has a DN-63 CF Conflat Flange. The Volume Flow Rate is N2: 30 l/s. Noise level Pfeiffer TMU 064 (PMP02361) is <50 dB. The weight of TMH064 is 3.6 kg.
Pfeiffer TMH064 / PNP02361 comes with pin connector to be used with Pfeiffer TCP 035 , and Pfeiffrer TCP 015 / PMC01598 Turbo Controller


Click Here for Pfeiffer TMH 064 Manual
A&J Vacuum also repair / rebuild and service Pfeiffer TMH064 / PMP02361 Turbo pumps along with all other Pfeiffer Turbo pumps and Pfeiffer Vacuum Rotary Vane pumps. Please contact us for information on service program or click here http://www.ajvs.com/service.php to go to our Service page.

Click Here for Pfeiffer TMH 064 Manual
A&J Vacuum also repair / rebuild and service Pfeiffer TMH064 / PMP02361 Turbo pumps along with all other Pfeiffer Turbo pumps and Pfeiffer Vacuum Rotary Vane pumps. Please contact us for information on service program or click here http://www.ajvs.com/service.php to go to our Service page.
|
Service and Repair A & J Vacuum Services provides repair service for all types of High Vacuum equipment. We perform Turbomolecular Pump repair, Turbo Pump Repair, Dry Pump repair, Vacuum Pump repair, Mass Spectrometer repair, Rotary Vane Pump repair, Vacuum Booster repair, and Leak detector repair. Our highly trained technicians have years of experience and guarantee the highest quality service.
We operate at our own full service repair facility in Clifton, NJ. We have invested in state-of-the-art equipment including; complete line of decontamination, cleaning, drying, balancing, vibration analysis and software to minimize failures. Our in-house machine shop is capable of machining various components, prototypes and housing conversions as needed.
We support all major manufacturers including Pfeiffer Vacuum, Alcatel / Adixen, Edwards Vacuum, Varian, Oerlikon / Leybod Vacuum, Vacuubrand, and Agilent Technologies.
Repair Steps
Every pump and instrument is extensively tested for 48 hours. During our final tests, we monitor total pressure, temperature, vibration and noise level utilizing newest testing technologies and techniques specified by OEM. Upon request, we can provide our customers with a pump down graph. Call us for your free repair estimate at 1-973-249-0854.
Overview
The Pfeiffer Vacuum TMH 064 Turbo Pump is designed for a wide range of applications in the research industry.
The Pfeiffer TMH064 / PM P02 361 and TMU models are identical in terms of their design. They only differ in their intake flange. Pfeiffer TMU 064 has a DN-63 CF Conflat Flange. The Volume Flow Rate is N2: 30 l/s. Noise level Pfeiffer TMU 064 (PMP02361) is <50 dB. The weight of TMH064 is 3.6 kg.
Pfeiffer TMH064 / PNP02361 comes with pin connector to be used with Pfeiffer TCP 035 , and Pfeiffrer TCP 015 / PMC01598 Turbo Controller


Click Here for Pfeiffer TMH 064 Manual
A&J Vacuum also repair / rebuild and service Pfeiffer TMH064 / PMP02361 Turbo pumps along with all other Pfeiffer Turbo pumps and Pfeiffer Vacuum Rotary Vane pumps. Please contact us for information on service program or click here http://www.ajvs.com/service.php to go to our Service page.
Specifications

Click Here for Pfeiffer TMH 064 Manual
A&J Vacuum also repair / rebuild and service Pfeiffer TMH064 / PMP02361 Turbo pumps along with all other Pfeiffer Turbo pumps and Pfeiffer Vacuum Rotary Vane pumps. Please contact us for information on service program or click here http://www.ajvs.com/service.php to go to our Service page.
Service & Repair
A & J Vacuum Services provides repair service for all types of High Vacuum equipment. We perform Turbomolecular Pump repair, Turbo Pump Repair, Dry Pump repair, Vacuum Pump repair, Mass Spectrometer repair, Rotary Vane Pump repair, Vacuum Booster repair, and Leak detector repair. Our highly trained technicians have years of experience and guarantee the highest quality service.
We operate at our own full service repair facility in Clifton, NJ. We have invested in state-of-the-art equipment including; complete line of decontamination, cleaning, drying, balancing, vibration analysis and software to minimize failures. Our in-house machine shop is capable of machining various components, prototypes and housing conversions as needed.
We support all major manufacturers including Pfeiffer Vacuum, Alcatel / Adixen, Edwards Vacuum, Varian, Oerlikon / Leybod Vacuum, Vacuubrand, and Agilent Technologies.
Repair Steps
Every pump and instrument is extensively tested for 48 hours. During our final tests, we monitor total pressure, temperature, vibration and noise level utilizing newest testing technologies and techniques specified by OEM. Upon request, we can provide our customers with a pump down graph. Call us for your free repair estimate at 1-973-249-0854.