- PN 9698918S001
- CE/CSA certification.
- Ready for MoniTorr operation.
- Induction (Asynchronous) motor.
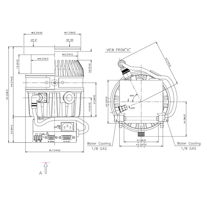
The Varian TV 301, V301 9698918S001 Navigator is an integrated system with a turbomolecular pump for high and ultra-high vacuum applications with its relevant controller. The system can pump any type of gas or gas compound. It is not suitable for pumping liquids or solid particles. The pumping action is obtained through a high speed turbine (max. 56000 rpm) driven by a high-performance 3-phase electric motor. The TV 301 Navigator is free of contaminating agents and, therefore, is suitable for applications requiring a "clean" vacuum. It is equipped with auxiliary connectors to supply an additional fan, to control the vent valve, to be controlled from a remote site by means of an host computer connected through a serial line (RS232 or RS485). The TV 301 Tubro Pump is available in four different models that differ only in the high vacuum flange. The pump consists of a high frequency motor driving a turbine fitted with 8 bladed stages and 3 Macrotorr stages. The turbine rotates in an anticlockwise direction when viewed from the high vacuum flange end. The turbine is made of high-strength aluminium alloy, machined from a single block. The Macrotorr stages are in the form of four discs. The turbine rotor is supported by permanently lubricated high precision ceramic ball bearings installed on the forevacuum side of the pump. The static blades of the stator are made of stainless steel. These are supported and accurately positioned by spacer rings. The Macrotorr stators are in the form of selfpositioning machined discs with pumping channels and an opening restricted by the corresponding rotor discs. These are made of aluminium alloy.
During normal operation, the motor is fed with a voltage of 54 Vac three-phase at 933 Hz. To reduce losses during start-up to a minimum, the frequency increases according to a ramp with a higher initial voltage/frequency ratio. The pump can be water cooled or air cooled: in the first case the customer can use the dedicated channels on the pump body, in the second case an external optional fan is available. A thermistor sensor is mounted near the upper bearing to prevent the pump from overheating. The pump is balanced after assembly with a residual vibration amplitude less than 0.01. The pump can operate in any position and can be supported on the high vacuum flange. The connection of the forevacuum on the side of the pump is a KF 16 NW flange.
A&J Vacuum also repair / rebuild and service Varian Agilent TV301 / V301 Turbo Pumps and Turbo Pump Controllers along with all other Varian and Agilent Technology Vacuum Rotary Vane Pumps, Varian Dry Scroll Pump repair, Varian Leak Detector Repair and all other Pfeiffer Vacuum Rotary Vane pumps. Please contact us for information on service program or click here http://www.ajvs.com/service.php to go to our Service page. We also offer Emergency service upon request. For more information Please contact A&J Vacuum Services at 973-249-0854.

A&J Vacuum also repair / rebuild and service Varian Agilent TV301 / V301 Turbo Pumps and Turbo Pump Controllers along with all other Varian and Agilent Technology Vacuum Rotary Vane Pumps, Varian Dry Scroll Pump repair, Varian Leak Detector Repair and all other Pfeiffer Vacuum Rotary Vane pumps. Please contact us for information on service program or click here http://www.ajvs.com/service.php to go to our Service page. We also offer Emergency service upon request. For more information Please contact A&J Vacuum Services at 973-249-0854.
We can have a repair estimate ready for your equipment within the hour of submission.
Start your equipment repair process by creating a Service RMA.
A&J Vacuum Services provides repairs on all types of High Vacuum equipment. We perform Turbomolecular Pump repair, Turbo Pump Repair, Dry Pump repair, Vacuum Pump repair and Mass Spectrometer repair. Our highly trained technicians will deliver the highest quality service and satisfaction.
We operate at our own full service repair facility which allows us to quickly and economically perform all repairs in a timely manner. Our advandced machinery enables us to handle all facets of the service and repair process. AJVS utilizes industry standard vibration analysis equipment and advanced testing equipment to troubleshoot and minimize all equipment failures. Our in-house machine shop is capable of machining various components, prototypes and housing conversions as needed.