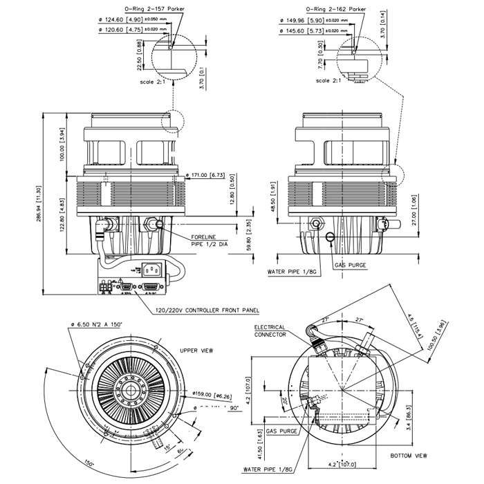
The Agilent Technologies TV401/301 969-8928M002 Turbo Pump consists of a high frequency motor driving a turbine with three pumping ports and 3 Macrotorr stages. The TV401/301 NSF 9698928 turbine rotates in an counterclockwise direction when viewed from the high vacuum flange end.
The TV401/301 NSF 969-8928 pump was designed for LC/MS-10-0605 Liquid chromatography / mass spectrometry or alternatively HPLC-MS) is an analytical chemistry technique that combines the physical separation capabilities of liquid chromatography (or HPLC) with the mass analysis capabilities of mass spectrometry (MS).
Agilent TV401/301 9698928M002 turbine is made of high-strength aluminium alloy, machined from a single block. The Macrotorr stages are in the form of 3 discs. The turbine rotor is supported by permanently lu-bricated high precision ceramic ball bearings installed on the forevacuum side of the pump. The static blades of the stator are made of stainless steel. These are supported and accurately positioned by spacer rings. The Macrotorr stators are in the form of self-positioning machined discs with pumping channels and an opening restricted by the corresponding rotor discs. These are made of aluminium alloy.
The nominal rotational speed is 60 krpm. The pump can be water cooled or air cooled: in the first case the customer can use the dedicated channels on the pump body, in the second case an external optional fan is available. A thermistor sensor is mounted near the upper bearing to prevent the pump from overheating. The pump can operate in any position and must be supported on the flange.
A barb fitting of 1/2 inches outer diameter is available to connect the TV 401/301 NSF pump to the fore-vacuum pump.
NOTE: The TV 401/301 NSF pump is characterized by its high compression ratio also for oil vapors. When using a mechanical oil-sealed pump, it is advisable to install a suitable trap between the turbopump and the fore-vacuum pump in order to prevent oil backstreaming.
Please refer to operation manual for additional information.
The TV401/301 NSF is designed to be used with Turbo Controller model : 9698979
There are no returns, refunds or exchanges on this product.


A&J Vacuum also repair / rebuild and service all Varian Agilent TV401/301 9698928M002 Turbo Pumps along with all Varian Dry Scroll Vacuum pumps and Varian Rotary Vane pumps. Please contact us for information on service program or click here http://www.ajvs.com/service.php to go to our Service page.

A&J Vacuum also repair / rebuild and service all Varian Agilent TV401/301 9698928M002 Turbo Pumps along with all Varian Dry Scroll Vacuum pumps and Varian Rotary Vane pumps. Please contact us for information on service program or click here http://www.ajvs.com/service.php to go to our Service page.
|
Service and Repair A & J Vacuum Services provides repair service for all types of High Vacuum equipment. We perform Turbomolecular Pump repair, Turbo Pump Repair, Dry Pump repair, Vacuum Pump repair, Mass Spectrometer repair, Rotary Vane Pump repair, Vacuum Booster repair, and Leak detector repair. Our highly trained technicians have years of experience and guarantee the highest quality service.
We operate at our own full service repair facility in Clifton, NJ. We have invested in state-of-the-art equipment including; complete line of decontamination, cleaning, drying, balancing, vibration analysis and software to minimize failures. Our in-house machine shop is capable of machining various components, prototypes and housing conversions as needed.
We support all major manufacturers including Pfeiffer Vacuum, Alcatel / Adixen, Edwards Vacuum, Varian, Oerlikon / Leybod Vacuum, Vacuubrand, and Agilent Technologies.
Repair Steps
Every pump and instrument is extensively tested for 48 hours. During our final tests, we monitor total pressure, temperature, vibration and noise level utilizing newest testing technologies and techniques specified by OEM. Upon request, we can provide our customers with a pump down graph. Call us for your free repair estimate at 1-973-249-0854.
Overview
The Agilent Technologies TV401/301 969-8928M002 Turbo Pump consists of a high frequency motor driving a turbine with three pumping ports and 3 Macrotorr stages. The TV401/301 NSF 9698928 turbine rotates in an counterclockwise direction when viewed from the high vacuum flange end.
The TV401/301 NSF 969-8928 pump was designed for LC/MS-10-0605 Liquid chromatography / mass spectrometry or alternatively HPLC-MS) is an analytical chemistry technique that combines the physical separation capabilities of liquid chromatography (or HPLC) with the mass analysis capabilities of mass spectrometry (MS).
Agilent TV401/301 9698928M002 turbine is made of high-strength aluminium alloy, machined from a single block. The Macrotorr stages are in the form of 3 discs. The turbine rotor is supported by permanently lu-bricated high precision ceramic ball bearings installed on the forevacuum side of the pump. The static blades of the stator are made of stainless steel. These are supported and accurately positioned by spacer rings. The Macrotorr stators are in the form of self-positioning machined discs with pumping channels and an opening restricted by the corresponding rotor discs. These are made of aluminium alloy.
The nominal rotational speed is 60 krpm. The pump can be water cooled or air cooled: in the first case the customer can use the dedicated channels on the pump body, in the second case an external optional fan is available. A thermistor sensor is mounted near the upper bearing to prevent the pump from overheating. The pump can operate in any position and must be supported on the flange.
A barb fitting of 1/2 inches outer diameter is available to connect the TV 401/301 NSF pump to the fore-vacuum pump.
NOTE: The TV 401/301 NSF pump is characterized by its high compression ratio also for oil vapors. When using a mechanical oil-sealed pump, it is advisable to install a suitable trap between the turbopump and the fore-vacuum pump in order to prevent oil backstreaming.
Please refer to operation manual for additional information.
The TV401/301 NSF is designed to be used with Turbo Controller model : 9698979
There are no returns, refunds or exchanges on this product.


A&J Vacuum also repair / rebuild and service all Varian Agilent TV401/301 9698928M002 Turbo Pumps along with all Varian Dry Scroll Vacuum pumps and Varian Rotary Vane pumps. Please contact us for information on service program or click here http://www.ajvs.com/service.php to go to our Service page.
Specifications

A&J Vacuum also repair / rebuild and service all Varian Agilent TV401/301 9698928M002 Turbo Pumps along with all Varian Dry Scroll Vacuum pumps and Varian Rotary Vane pumps. Please contact us for information on service program or click here http://www.ajvs.com/service.php to go to our Service page.
Spare Parts
Accessories
Service & Repair
A & J Vacuum Services provides repair service for all types of High Vacuum equipment. We perform Turbomolecular Pump repair, Turbo Pump Repair, Dry Pump repair, Vacuum Pump repair, Mass Spectrometer repair, Rotary Vane Pump repair, Vacuum Booster repair, and Leak detector repair. Our highly trained technicians have years of experience and guarantee the highest quality service.
We operate at our own full service repair facility in Clifton, NJ. We have invested in state-of-the-art equipment including; complete line of decontamination, cleaning, drying, balancing, vibration analysis and software to minimize failures. Our in-house machine shop is capable of machining various components, prototypes and housing conversions as needed.
We support all major manufacturers including Pfeiffer Vacuum, Alcatel / Adixen, Edwards Vacuum, Varian, Oerlikon / Leybod Vacuum, Vacuubrand, and Agilent Technologies.
Repair Steps
Every pump and instrument is extensively tested for 48 hours. During our final tests, we monitor total pressure, temperature, vibration and noise level utilizing newest testing technologies and techniques specified by OEM. Upon request, we can provide our customers with a pump down graph. Call us for your free repair estimate at 1-973-249-0854.