The Turbo-V300HT series pumps are turbo-molecular pumps for high and ultra-high vacuum applications and can pump any type of gas or gas compound. They are not suitable for pumping liquids or solid particles. The pumping action is obtained through a high speedturbine (max. 56000 rpm) driven by a high-performance 3-phase electric motor. The Turbo-V300HT pumps are free of contaminating agents and, therefore, are suitable for applications requiring a "clean" vacuum.
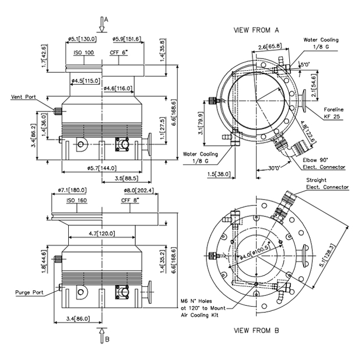
The Turbo-V300HT pump consists of a high frequency motor driving a turbine fitted with 8 bladed stages and 3 Macrotorr stages. The turbine rotates in a counter-clockwise direction when viewed from the high vacuum flange end. The turbine is made of high-strength, light aluminium alloy, and is machined from a single block of aluminium. The turbine blades have five different angles, from 42° to 10°, while the Macrotorr stages are in form of discs. The turbine rotor is supported by permanently lubricated high precision ceramic ball bearings installed on the forevacuum side of the pump.


Click Here for Agilent / Varian V300HT Manual
A&J Vacuum also repair / rebuild and service Varian Agilent V300HT / V 300 HT Turbo Pumps and Turbo Pump Controllers along with all other Varian and Agilent Technology Vacuum Rotary Vane Pumps, Varian Dry Scroll Pump repair, Varian Leak Detector Repair and all other Pfeiffer Vacuum Rotary Vane pumps. Please contact us for information on service program or click here http://www.ajvs.com/service.php to go to our Service page. We also offer Emergency service upon request. For more information Please contact A&J Vacuum Services at 973-249-0854

Click Here for Agilent / Varian V300HT Manual
A&J Vacuum also repair / rebuild and service Varian Agilent V300HT / V 300 HT Turbo Pumps and Turbo Pump Controllers along with all other Varian and Agilent Technology Vacuum Rotary Vane Pumps, Varian Dry Scroll Pump repair, Varian Leak Detector Repair and all other Pfeiffer Vacuum Rotary Vane pumps. Please contact us for information on service program or click here http://www.ajvs.com/service.php to go to our Service page. We also offer Emergency service upon request. For more information Please contact A&J Vacuum Services at 973-249-0854
|
Service and Repair A & J Vacuum Services provides repair service for all types of High Vacuum equipment. We perform Turbomolecular Pump repair, Turbo Pump Repair, Dry Pump repair, Vacuum Pump repair, Mass Spectrometer repair, Rotary Vane Pump repair, Vacuum Booster repair, and Leak detector repair. Our highly trained technicians have years of experience and guarantee the highest quality service.
We operate at our own full service repair facility in Clifton, NJ. We have invested in state-of-the-art equipment including; complete line of decontamination, cleaning, drying, balancing, vibration analysis and software to minimize failures. Our in-house machine shop is capable of machining various components, prototypes and housing conversions as needed.
We support all major manufacturers including Pfeiffer Vacuum, Alcatel / Adixen, Edwards Vacuum, Varian, Oerlikon / Leybod Vacuum, Vacuubrand, and Agilent Technologies.
Repair Steps
Every pump and instrument is extensively tested for 48 hours. During our final tests, we monitor total pressure, temperature, vibration and noise level utilizing newest testing technologies and techniques specified by OEM. Upon request, we can provide our customers with a pump down graph. Call us for your free repair estimate at 1-973-249-0854.
Overview
The Turbo-V300HT series pumps are turbo-molecular pumps for high and ultra-high vacuum applications and can pump any type of gas or gas compound. They are not suitable for pumping liquids or solid particles. The pumping action is obtained through a high speedturbine (max. 56000 rpm) driven by a high-performance 3-phase electric motor. The Turbo-V300HT pumps are free of contaminating agents and, therefore, are suitable for applications requiring a "clean" vacuum.
The Turbo-V300HT pump consists of a high frequency motor driving a turbine fitted with 8 bladed stages and 3 Macrotorr stages. The turbine rotates in a counter-clockwise direction when viewed from the high vacuum flange end. The turbine is made of high-strength, light aluminium alloy, and is machined from a single block of aluminium. The turbine blades have five different angles, from 42° to 10°, while the Macrotorr stages are in form of discs. The turbine rotor is supported by permanently lubricated high precision ceramic ball bearings installed on the forevacuum side of the pump.


Click Here for Agilent / Varian V300HT Manual
A&J Vacuum also repair / rebuild and service Varian Agilent V300HT / V 300 HT Turbo Pumps and Turbo Pump Controllers along with all other Varian and Agilent Technology Vacuum Rotary Vane Pumps, Varian Dry Scroll Pump repair, Varian Leak Detector Repair and all other Pfeiffer Vacuum Rotary Vane pumps. Please contact us for information on service program or click here http://www.ajvs.com/service.php to go to our Service page. We also offer Emergency service upon request. For more information Please contact A&J Vacuum Services at 973-249-0854
Specifications

Click Here for Agilent / Varian V300HT Manual
A&J Vacuum also repair / rebuild and service Varian Agilent V300HT / V 300 HT Turbo Pumps and Turbo Pump Controllers along with all other Varian and Agilent Technology Vacuum Rotary Vane Pumps, Varian Dry Scroll Pump repair, Varian Leak Detector Repair and all other Pfeiffer Vacuum Rotary Vane pumps. Please contact us for information on service program or click here http://www.ajvs.com/service.php to go to our Service page. We also offer Emergency service upon request. For more information Please contact A&J Vacuum Services at 973-249-0854
Service & Repair
A & J Vacuum Services provides repair service for all types of High Vacuum equipment. We perform Turbomolecular Pump repair, Turbo Pump Repair, Dry Pump repair, Vacuum Pump repair, Mass Spectrometer repair, Rotary Vane Pump repair, Vacuum Booster repair, and Leak detector repair. Our highly trained technicians have years of experience and guarantee the highest quality service.
We operate at our own full service repair facility in Clifton, NJ. We have invested in state-of-the-art equipment including; complete line of decontamination, cleaning, drying, balancing, vibration analysis and software to minimize failures. Our in-house machine shop is capable of machining various components, prototypes and housing conversions as needed.
We support all major manufacturers including Pfeiffer Vacuum, Alcatel / Adixen, Edwards Vacuum, Varian, Oerlikon / Leybod Vacuum, Vacuubrand, and Agilent Technologies.
Repair Steps
Every pump and instrument is extensively tested for 48 hours. During our final tests, we monitor total pressure, temperature, vibration and noise level utilizing newest testing technologies and techniques specified by OEM. Upon request, we can provide our customers with a pump down graph. Call us for your free repair estimate at 1-973-249-0854.