- Nominal Rotational Speed: 60,000 RPM
- Pumping Speed: Nitrogen: 310 l/s
- Compression Ratio: Nitrogen: > 1 x 109
- P/N 8698928R004
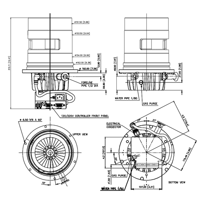
The Agilent Technologies TV 401/301 Turbo Pump consists of a high frequency motor driving a turbine with three pumping ports and 3 Macrotorr stages.
The turbine of TV401/301/21 NSF pump rotates in an counterclockwise direction when viewed from the high vacuum flange end. The turbine is made of high-strength aluminium alloy, machined from a single block.
TheTV-401 301 21 Macrotorr stages are in the form of 3 discs. The turbine rotor is supported by permanently lu-bricated high precision ceramic ball bearings installed on the forevacuum side of the pump. The static blades of the stator are made of stainless steel. These are supported and accurately positioned by spacer rings. The Macrotorr stators are in the form of self-positioning machined discs with pumping channels and an opening restricted by the corresponding rotor discs. These are made of aluminium alloy.
The pump can be water cooled or air cooled: in the first case the customer can use the dedicated channels on the pump body, in the second case an external optional fan is available. A thermistor sensor is mounted near the upper bearing to prevent the pump from overheating. The pump can operate in any position and must be supported on the flange. The connection of the forevacuum on the side of the pump is a KF16 flange.
There are no returns, refunds or exchanges on this product.


A&J Vacuum also repair / rebuild and service all Varian Agilent TV401/301 8698928R003 Turbo Pumps along with all Varian Dry Scroll Vacuum pumps and Varian Rotary Vane pumps. Please contact us for information on service program or click here http://www.ajvs.com/service.php to go to our Service page.

A&J Vacuum also repair / rebuild and service all Varian Agilent TV401/301 8698928R003 Turbo Pumps along with all Varian Dry Scroll Vacuum pumps and Varian Rotary Vane pumps. Please contact us for information on service program or click here http://www.ajvs.com/service.php to go to our Service page.
We can have a repair estimate ready for your equipment within the hour of submission.
Start your equipment repair process by creating a Service RMA.
A&J Vacuum Services provides repairs on all types of High Vacuum equipment. We perform Turbomolecular Pump repair, Turbo Pump Repair, Dry Pump repair, Vacuum Pump repair and Mass Spectrometer repair. Our highly trained technicians will deliver the highest quality service and satisfaction.
We operate at our own full service repair facility which allows us to quickly and economically perform all repairs in a timely manner. Our advandced machinery enables us to handle all facets of the service and repair process. AJVS utilizes industry standard vibration analysis equipment and advanced testing equipment to troubleshoot and minimize all equipment failures. Our in-house machine shop is capable of machining various components, prototypes and housing conversions as needed.