The Pfeiffer HiPace Series is a complete line of compact, yet powerful turbo pumps featuring pumping speeds ranging from 10 - 2,000 liters per second. The Pfeiffer Vacuum HiPace 10 Turbo Pump models are cost-effective and offer flexible installation in any orientation. The proven bearing system of the HiPace 10 provides unrivaled dependability, while its sophisticated rotor design enables higher pumping speeds, greater backing pump compatibility, improved gas throughputs and a favorable compression rate for light gases.


A&J Vacuum services and repairs Pfeiffer Vacuum HiPace 10 Turbo Pumps, along with all additional varieties of Pfeiffer Vacuum turbo pumps available on our website. Please contact us for additional information concerning our service program or click http://www.ajvs.com/service.php to access our Services page. We likewise offer emergency service and repair upon request. For more information, please contact A&J Vacuum Services at (973) 249-0854. Thank you for choosing AJVS as your supplier.
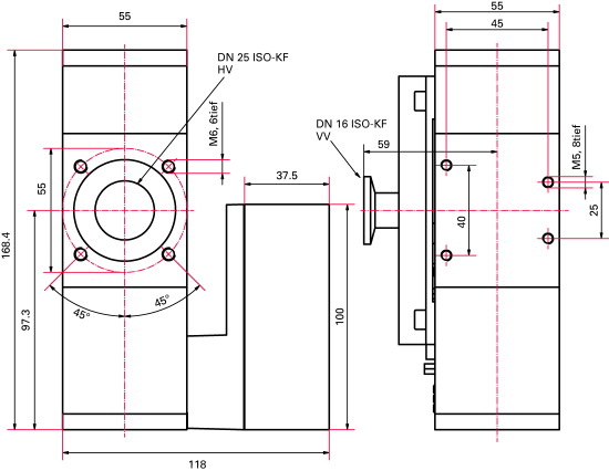
Pfeiffer Vacuum HiPace 10 Technical Data:
| Bearing | Ball Bearing |
| Compression Ratio for Ar | 2.5 * 10^7 |
| Compression Ratio for H2 | 3.0 * 10^2 |
| Compression Ratio for He | 3.0 * 10^3 |
| Compression Ratio for N2 | 3.0 * 10^6 |
| Cooling Method, Standard | Convection |
| Electronic Drive Unit | with TC 110 |
| Flange Model (Inlet) | DN 25 |
| Flange Model (Outlet) | DN 16 ISO-KF/G 1/8" |
| Fore-Vacuum Max. for N2 | 25 hPa | 18.75 Torr | 25 mbar |
| Gas Throughput at Full Rotational Speed for Ar | 0.37 hPa·l/s |
| Gas Throughput at Full Rotational Speed for H2 | 2.78 hPa·l/s |
| Gas Throughput at Full Rotational Speed for He | 0.48 hPa·l/s |
| Gas Throughput at Full Rotational Speed for N2 | 0.37 hPa·l/s |
| I/O Interfaces | RS-485, Remote |
| Integrated Power Supply | YES |
| Mounting Orientation | Any |
| Operating Voltage: V DC | 24 (± 5 %) V DC |
| Particulate Matter | YES |
| Permissible Magnetic Field Max. | 3 mT |
| Protection Category | IP30 |
| Pumping Speed for Ar | 11.5 l/s |
| Pumping Speed for H2 | 3.7 l/s |
| Pumping Speed for He | 6 l/s |
| Pumping Speed for N2 | 10 l/s |
| Rotation Speed ± 2 % | 90,000 rpm | 90,000 min-1 |
| Rotation Speed Variable | 50 – 100 % |
| Run-Up Time | 0.9 min |
| Sound Pressure Level | ≤ 50 dB(A) |
| Ultimate Pressure According to PNEUROP | < 5 * 10^[-5] hPa | < 3.75 * 10^[-5] Torr | < 5 * 10^[-5] mbar |
| Weight | 2 kg | 4.41 lb |
A&J Vacuum services and repairs Pfeiffer Vacuum HiPace 10 Turbo Pumps, along with all additional varieties of Pfeiffer Vacuum turbo pumps available on our website. Please contact us for additional information concerning our service program or click http://www.ajvs.com/service.php to access our Services page. We likewise offer emergency service and repair upon request. For more information, please contact A&J Vacuum Services at (973) 249-0854. Thank you for choosing AJVS as your supplier.
Pfeiffer_Vacuum_TC110_Turbo_Pump_Controller
Pfeiffer Hipace 10 Turbo Pump Manual PM P03 960, PM P03 963, PMP03960, PMP03963, Turbo Pump, Turbo Pump Sale, s,allest Turbo Pump,
|
Service and Repair A & J Vacuum Services provides repair service for all types of High Vacuum equipment. We perform Turbomolecular Pump repair, Turbo Pump Repair, Dry Pump repair, Vacuum Pump repair, Mass Spectrometer repair, Rotary Vane Pump repair, Vacuum Booster repair, and Leak detector repair. Our highly trained technicians have years of experience and guarantee the highest quality service.
We operate at our own full service repair facility in Clifton, NJ. We have invested in state-of-the-art equipment including; complete line of decontamination, cleaning, drying, balancing, vibration analysis and software to minimize failures. Our in-house machine shop is capable of machining various components, prototypes and housing conversions as needed.
We support all major manufacturers including Pfeiffer Vacuum, Alcatel / Adixen, Edwards Vacuum, Varian, Oerlikon / Leybod Vacuum, Vacuubrand, and Agilent Technologies.
Repair Steps
Every pump and instrument is extensively tested for 48 hours. During our final tests, we monitor total pressure, temperature, vibration and noise level utilizing newest testing technologies and techniques specified by OEM. Upon request, we can provide our customers with a pump down graph. Call us for your free repair estimate at 1-973-249-0854.
Overview
The Pfeiffer HiPace Series is a complete line of compact, yet powerful turbo pumps featuring pumping speeds ranging from 10 - 2,000 liters per second. The Pfeiffer Vacuum HiPace 10 Turbo Pump models are cost-effective and offer flexible installation in any orientation. The proven bearing system of the HiPace 10 provides unrivaled dependability, while its sophisticated rotor design enables higher pumping speeds, greater backing pump compatibility, improved gas throughputs and a favorable compression rate for light gases.


A&J Vacuum services and repairs Pfeiffer Vacuum HiPace 10 Turbo Pumps, along with all additional varieties of Pfeiffer Vacuum turbo pumps available on our website. Please contact us for additional information concerning our service program or click http://www.ajvs.com/service.php to access our Services page. We likewise offer emergency service and repair upon request. For more information, please contact A&J Vacuum Services at (973) 249-0854. Thank you for choosing AJVS as your supplier.
Specifications
Pfeiffer Vacuum HiPace 10 Technical Data:
| Bearing | Ball Bearing |
| Compression Ratio for Ar | 2.5 * 10^7 |
| Compression Ratio for H2 | 3.0 * 10^2 |
| Compression Ratio for He | 3.0 * 10^3 |
| Compression Ratio for N2 | 3.0 * 10^6 |
| Cooling Method, Standard | Convection |
| Electronic Drive Unit | with TC 110 |
| Flange Model (Inlet) | DN 25 |
| Flange Model (Outlet) | DN 16 ISO-KF/G 1/8" |
| Fore-Vacuum Max. for N2 | 25 hPa | 18.75 Torr | 25 mbar |
| Gas Throughput at Full Rotational Speed for Ar | 0.37 hPa·l/s |
| Gas Throughput at Full Rotational Speed for H2 | 2.78 hPa·l/s |
| Gas Throughput at Full Rotational Speed for He | 0.48 hPa·l/s |
| Gas Throughput at Full Rotational Speed for N2 | 0.37 hPa·l/s |
| I/O Interfaces | RS-485, Remote |
| Integrated Power Supply | YES |
| Mounting Orientation | Any |
| Operating Voltage: V DC | 24 (± 5 %) V DC |
| Particulate Matter | YES |
| Permissible Magnetic Field Max. | 3 mT |
| Protection Category | IP30 |
| Pumping Speed for Ar | 11.5 l/s |
| Pumping Speed for H2 | 3.7 l/s |
| Pumping Speed for He | 6 l/s |
| Pumping Speed for N2 | 10 l/s |
| Rotation Speed ± 2 % | 90,000 rpm | 90,000 min-1 |
| Rotation Speed Variable | 50 – 100 % |
| Run-Up Time | 0.9 min |
| Sound Pressure Level | ≤ 50 dB(A) |
| Ultimate Pressure According to PNEUROP | < 5 * 10^[-5] hPa | < 3.75 * 10^[-5] Torr | < 5 * 10^[-5] mbar |
| Weight | 2 kg | 4.41 lb |
A&J Vacuum services and repairs Pfeiffer Vacuum HiPace 10 Turbo Pumps, along with all additional varieties of Pfeiffer Vacuum turbo pumps available on our website. Please contact us for additional information concerning our service program or click http://www.ajvs.com/service.php to access our Services page. We likewise offer emergency service and repair upon request. For more information, please contact A&J Vacuum Services at (973) 249-0854. Thank you for choosing AJVS as your supplier.
Service & Repair
A & J Vacuum Services provides repair service for all types of High Vacuum equipment. We perform Turbomolecular Pump repair, Turbo Pump Repair, Dry Pump repair, Vacuum Pump repair, Mass Spectrometer repair, Rotary Vane Pump repair, Vacuum Booster repair, and Leak detector repair. Our highly trained technicians have years of experience and guarantee the highest quality service.
We operate at our own full service repair facility in Clifton, NJ. We have invested in state-of-the-art equipment including; complete line of decontamination, cleaning, drying, balancing, vibration analysis and software to minimize failures. Our in-house machine shop is capable of machining various components, prototypes and housing conversions as needed.
We support all major manufacturers including Pfeiffer Vacuum, Alcatel / Adixen, Edwards Vacuum, Varian, Oerlikon / Leybod Vacuum, Vacuubrand, and Agilent Technologies.
Repair Steps
Every pump and instrument is extensively tested for 48 hours. During our final tests, we monitor total pressure, temperature, vibration and noise level utilizing newest testing technologies and techniques specified by OEM. Upon request, we can provide our customers with a pump down graph. Call us for your free repair estimate at 1-973-249-0854.