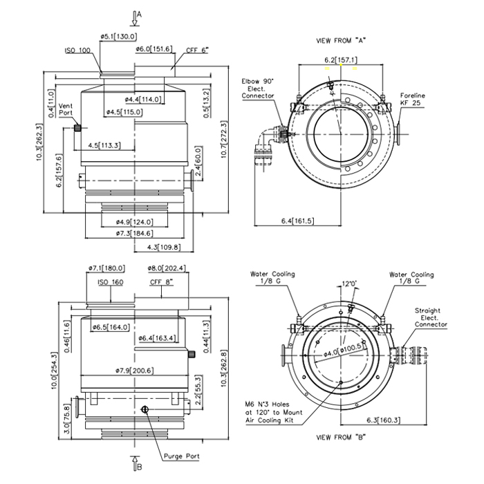
The Turbo-V550 pump consists of a high frequency motor driving a turbine fitted with 8 bladed stages and 4 Macrotorr stages. The turbine rotates in an anticlockwise direction when viewed from the high vacuum flange end.
The turbine is made of high-strength, light aluminium alloy, and is machined from a single block of aluminium. The turbine blades have six different angles, from 40° to 16°, while the Macrotorr stages are in form of discs
The turbine rotor is supported by permanently lubricated high precision ceramic ball bearings installed on the forevacuum side of the pump.
The static blades of the stator are made of stainless steel. These are supported and accurately positioned by spacer rings.
The Macrotorr stators are in the form of selfpositioning machined discs with pumping channels and an opening restricted by the corresponding rotor discs. These are made of aluminium alloy.
During normal operation, the motor is fed with a voltage of 56 Vac three-phase at 700 Hz. To reduce losses during start-up to a minimum, the frequency increases according to a ramp with a higher initial voltage/frequency ratio.
The external body of the pump is shaped so that the pump can function with natural convection air cooling. Kits are available for water cooling or forced air cooling to cool the pump in the cases where it is used under heavy load or when natural convection is insufficient for cooling purposes.


Click Here for Varian V550 Manual
A&J Vacuum also repair / rebuild and service Varian V550 / 9699049 Turbo Pumps V-550 and Turbo Pump Controllers along with all other Varian and Agilent Technology Vacuum Rotary Vane Pumps, Varian Dry Scroll Pump repair, Varian Leak Detector Repair and all other Pfeiffer Vacuum Rotary Vane pumps. Please contact us for information on service program or click here http://www.ajvs.com/service.php to go to our Service page. We also offer Emergency service upon request. For more information Please contact A&J Vacuum Services at 973-249-0854

Click Here for Varian V550 Manual
A&J Vacuum also repair / rebuild and service Varian V550 / 9699049 Turbo Pumps V-550 and Turbo Pump Controllers along with all other Varian and Agilent Technology Vacuum Rotary Vane Pumps, Varian Dry Scroll Pump repair, Varian Leak Detector Repair and all other Pfeiffer Vacuum Rotary Vane pumps. Please contact us for information on service program or click here http://www.ajvs.com/service.php to go to our Service page. We also offer Emergency service upon request. For more information Please contact A&J Vacuum Services at 973-249-0854
AJVS_Vacuum_Pump_Turbo_Pump_Service_and_Repair.pdf
AJVS_Agilent_Varian_V_550_9699049_Sales_and_Repair.pdf
|
Service and Repair A & J Vacuum Services provides repair service for all types of High Vacuum equipment. We perform Turbomolecular Pump repair, Turbo Pump Repair, Dry Pump repair, Vacuum Pump repair, Mass Spectrometer repair, Rotary Vane Pump repair, Vacuum Booster repair, and Leak detector repair. Our highly trained technicians have years of experience and guarantee the highest quality service.
We operate at our own full service repair facility in Clifton, NJ. We have invested in state-of-the-art equipment including; complete line of decontamination, cleaning, drying, balancing, vibration analysis and software to minimize failures. Our in-house machine shop is capable of machining various components, prototypes and housing conversions as needed.
We support all major manufacturers including Pfeiffer Vacuum, Alcatel / Adixen, Edwards Vacuum, Varian, Oerlikon / Leybod Vacuum, Vacuubrand, and Agilent Technologies.
Repair Steps
Every pump and instrument is extensively tested for 48 hours. During our final tests, we monitor total pressure, temperature, vibration and noise level utilizing newest testing technologies and techniques specified by OEM. Upon request, we can provide our customers with a pump down graph. Call us for your free repair estimate at 1-973-249-0854.
Overview
The Turbo-V550 pump consists of a high frequency motor driving a turbine fitted with 8 bladed stages and 4 Macrotorr stages. The turbine rotates in an anticlockwise direction when viewed from the high vacuum flange end.
The turbine is made of high-strength, light aluminium alloy, and is machined from a single block of aluminium. The turbine blades have six different angles, from 40° to 16°, while the Macrotorr stages are in form of discs
The turbine rotor is supported by permanently lubricated high precision ceramic ball bearings installed on the forevacuum side of the pump.
The static blades of the stator are made of stainless steel. These are supported and accurately positioned by spacer rings.
The Macrotorr stators are in the form of selfpositioning machined discs with pumping channels and an opening restricted by the corresponding rotor discs. These are made of aluminium alloy.
During normal operation, the motor is fed with a voltage of 56 Vac three-phase at 700 Hz. To reduce losses during start-up to a minimum, the frequency increases according to a ramp with a higher initial voltage/frequency ratio.
The external body of the pump is shaped so that the pump can function with natural convection air cooling. Kits are available for water cooling or forced air cooling to cool the pump in the cases where it is used under heavy load or when natural convection is insufficient for cooling purposes.


Click Here for Varian V550 Manual
A&J Vacuum also repair / rebuild and service Varian V550 / 9699049 Turbo Pumps V-550 and Turbo Pump Controllers along with all other Varian and Agilent Technology Vacuum Rotary Vane Pumps, Varian Dry Scroll Pump repair, Varian Leak Detector Repair and all other Pfeiffer Vacuum Rotary Vane pumps. Please contact us for information on service program or click here http://www.ajvs.com/service.php to go to our Service page. We also offer Emergency service upon request. For more information Please contact A&J Vacuum Services at 973-249-0854
Specifications

Click Here for Varian V550 Manual
A&J Vacuum also repair / rebuild and service Varian V550 / 9699049 Turbo Pumps V-550 and Turbo Pump Controllers along with all other Varian and Agilent Technology Vacuum Rotary Vane Pumps, Varian Dry Scroll Pump repair, Varian Leak Detector Repair and all other Pfeiffer Vacuum Rotary Vane pumps. Please contact us for information on service program or click here http://www.ajvs.com/service.php to go to our Service page. We also offer Emergency service upon request. For more information Please contact A&J Vacuum Services at 973-249-0854
Spare Parts
Accessories
Service & Repair
A & J Vacuum Services provides repair service for all types of High Vacuum equipment. We perform Turbomolecular Pump repair, Turbo Pump Repair, Dry Pump repair, Vacuum Pump repair, Mass Spectrometer repair, Rotary Vane Pump repair, Vacuum Booster repair, and Leak detector repair. Our highly trained technicians have years of experience and guarantee the highest quality service.
We operate at our own full service repair facility in Clifton, NJ. We have invested in state-of-the-art equipment including; complete line of decontamination, cleaning, drying, balancing, vibration analysis and software to minimize failures. Our in-house machine shop is capable of machining various components, prototypes and housing conversions as needed.
We support all major manufacturers including Pfeiffer Vacuum, Alcatel / Adixen, Edwards Vacuum, Varian, Oerlikon / Leybod Vacuum, Vacuubrand, and Agilent Technologies.
Repair Steps
Every pump and instrument is extensively tested for 48 hours. During our final tests, we monitor total pressure, temperature, vibration and noise level utilizing newest testing technologies and techniques specified by OEM. Upon request, we can provide our customers with a pump down graph. Call us for your free repair estimate at 1-973-249-0854.