The Edwards EXT70H B72222000, EXT70Hi, EXT250H and EXT250Hi pumps are compound vacuum pumps that combine a turbomolecular pump and a drag pump on a single shaft.
The turbomolecular pump is made from a multi-stage axial-flow turbine which is optimised for operation in molecular flow conditions. The drag pump is made from pumping channels formed by plane rotating disks. The drag pump is designed for operation at higher pressures than conventional turbomolecular pumps.
The light alloy rotor is machined from one piece to form the angled blades of the turbomolecular pump and the disks of the drag pump. The rotor blades rotate between angled stator blades which are supported by spacer rings. The rotor and stator blades have an open structure at the pump inlet, and a more closed structure at the outlet. This configuration gives an optimum combination of pumping speed and compression when pumping gases of both high and low molecular weight. For the blades to be effective, their speed must be close to the thermal velocity of the gas. The rotor of the Edwards EXT70 B722 -22-000 therefore rotates at up to 90000 r min-1, and the rotor of the Edwards EXT250 therefore rotates at up to 60000 r min-1.
Gas from the inlet is compressed through each of the bladed stages of the turbomolecular pump and transferred to the drag pump. In the drag pump stages, the gas is further compressed as it is pumped around the channels formed by the separation of the disks. The inlet and outlet of each channel is separated by a close-running seal which diverts the gas through a port to the next channel, or to the pump outlet.
The rotating assembly is supported at the inlet end by a frictionless magnetic bearing and by a precision ceramic ball bearing at the outlet end. The ball bearing is lubricated from an oil reservoir and wick mechanism.
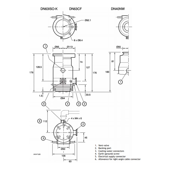
The Edwards EXT B72222000 pump is supplied with an inlet-screen fitted in the bore of the inlet-flange. The Edwards EXT250Hi pump is also supplied with an inlet-strainer which fits in the interstage-port. The inlet-screen and inlet-strainer protect the pump against damage which would be caused by debris which enters the pump. The inlet-screen also protects you from the sharp blades in the pump.
The Edwards EXT70 pump has a vent-port that you can use to vent the pump and your vacuum system to atmospheric pressure. The vent-port introduces vent gas part way up the pump rotor; this ensures maximum cleanliness. The pump is supplied with a manual vent-valve fitted to the vent-port.
The EXT250H and EXT250Hi pumps have a purge-port in the motor and bearing housing chamber. In order to protect the bearing lubricant from the effects of high oxygen concentrations, you can introduce an inert purge gas through the purge-port. You can fit an optional vent-port adaptor and purge restrictor to the purge-port to control the flow rate of the purge gas and to filter the gas supply.

A&J Vacuum Services offers full repair/service of Edwards Pumps, along with all other brands offered on our website. AJVS also services Edwards Turbo Pumps. Please contact us for information about our service and repair program or click http://www.ajvs.com/service.php to access our services page. We also offer emergency service upon request. For more information, please email A&J Vacuum Services at info@ajvs.com or call (973) 249-0854. Thank you for choosing AJVS as your supplier.

A&J Vacuum Services offers full repair/service of Edwards Pumps, along with all other brands offered on our website. AJVS also services Edwards Turbo Pumps. Please contact us for information about our service and repair program or click http://www.ajvs.com/service.php to access our services page. We also offer emergency service upon request. For more information, please email A&J Vacuum Services at info@ajvs.com or call (973) 249-0854. Thank you for choosing AJVS as your supplier.
|
Service and Repair A & J Vacuum Services provides repair service for all types of High Vacuum equipment. We perform Turbomolecular Pump repair, Turbo Pump Repair, Dry Pump repair, Vacuum Pump repair, Mass Spectrometer repair, Rotary Vane Pump repair, Vacuum Booster repair, and Leak detector repair. Our highly trained technicians have years of experience and guarantee the highest quality service.
We operate at our own full service repair facility in Clifton, NJ. We have invested in state-of-the-art equipment including; complete line of decontamination, cleaning, drying, balancing, vibration analysis and software to minimize failures. Our in-house machine shop is capable of machining various components, prototypes and housing conversions as needed.
We support all major manufacturers including Pfeiffer Vacuum, Alcatel / Adixen, Edwards Vacuum, Varian, Oerlikon / Leybod Vacuum, Vacuubrand, and Agilent Technologies.
Repair Steps
Every pump and instrument is extensively tested for 48 hours. During our final tests, we monitor total pressure, temperature, vibration and noise level utilizing newest testing technologies and techniques specified by OEM. Upon request, we can provide our customers with a pump down graph. Call us for your free repair estimate at 1-973-249-0854.
Overview
The Edwards EXT70H B72222000, EXT70Hi, EXT250H and EXT250Hi pumps are compound vacuum pumps that combine a turbomolecular pump and a drag pump on a single shaft.
The turbomolecular pump is made from a multi-stage axial-flow turbine which is optimised for operation in molecular flow conditions. The drag pump is made from pumping channels formed by plane rotating disks. The drag pump is designed for operation at higher pressures than conventional turbomolecular pumps.
The light alloy rotor is machined from one piece to form the angled blades of the turbomolecular pump and the disks of the drag pump. The rotor blades rotate between angled stator blades which are supported by spacer rings. The rotor and stator blades have an open structure at the pump inlet, and a more closed structure at the outlet. This configuration gives an optimum combination of pumping speed and compression when pumping gases of both high and low molecular weight. For the blades to be effective, their speed must be close to the thermal velocity of the gas. The rotor of the Edwards EXT70 B722 -22-000 therefore rotates at up to 90000 r min-1, and the rotor of the Edwards EXT250 therefore rotates at up to 60000 r min-1.
Gas from the inlet is compressed through each of the bladed stages of the turbomolecular pump and transferred to the drag pump. In the drag pump stages, the gas is further compressed as it is pumped around the channels formed by the separation of the disks. The inlet and outlet of each channel is separated by a close-running seal which diverts the gas through a port to the next channel, or to the pump outlet.
The rotating assembly is supported at the inlet end by a frictionless magnetic bearing and by a precision ceramic ball bearing at the outlet end. The ball bearing is lubricated from an oil reservoir and wick mechanism.
The Edwards EXT B72222000 pump is supplied with an inlet-screen fitted in the bore of the inlet-flange. The Edwards EXT250Hi pump is also supplied with an inlet-strainer which fits in the interstage-port. The inlet-screen and inlet-strainer protect the pump against damage which would be caused by debris which enters the pump. The inlet-screen also protects you from the sharp blades in the pump.
The Edwards EXT70 pump has a vent-port that you can use to vent the pump and your vacuum system to atmospheric pressure. The vent-port introduces vent gas part way up the pump rotor; this ensures maximum cleanliness. The pump is supplied with a manual vent-valve fitted to the vent-port.
The EXT250H and EXT250Hi pumps have a purge-port in the motor and bearing housing chamber. In order to protect the bearing lubricant from the effects of high oxygen concentrations, you can introduce an inert purge gas through the purge-port. You can fit an optional vent-port adaptor and purge restrictor to the purge-port to control the flow rate of the purge gas and to filter the gas supply.

A&J Vacuum Services offers full repair/service of Edwards Pumps, along with all other brands offered on our website. AJVS also services Edwards Turbo Pumps. Please contact us for information about our service and repair program or click http://www.ajvs.com/service.php to access our services page. We also offer emergency service upon request. For more information, please email A&J Vacuum Services at info@ajvs.com or call (973) 249-0854. Thank you for choosing AJVS as your supplier.
Specifications

A&J Vacuum Services offers full repair/service of Edwards Pumps, along with all other brands offered on our website. AJVS also services Edwards Turbo Pumps. Please contact us for information about our service and repair program or click http://www.ajvs.com/service.php to access our services page. We also offer emergency service upon request. For more information, please email A&J Vacuum Services at info@ajvs.com or call (973) 249-0854. Thank you for choosing AJVS as your supplier.
Spare Parts
Accessories
Service & Repair
A & J Vacuum Services provides repair service for all types of High Vacuum equipment. We perform Turbomolecular Pump repair, Turbo Pump Repair, Dry Pump repair, Vacuum Pump repair, Mass Spectrometer repair, Rotary Vane Pump repair, Vacuum Booster repair, and Leak detector repair. Our highly trained technicians have years of experience and guarantee the highest quality service.
We operate at our own full service repair facility in Clifton, NJ. We have invested in state-of-the-art equipment including; complete line of decontamination, cleaning, drying, balancing, vibration analysis and software to minimize failures. Our in-house machine shop is capable of machining various components, prototypes and housing conversions as needed.
We support all major manufacturers including Pfeiffer Vacuum, Alcatel / Adixen, Edwards Vacuum, Varian, Oerlikon / Leybod Vacuum, Vacuubrand, and Agilent Technologies.
Repair Steps
Every pump and instrument is extensively tested for 48 hours. During our final tests, we monitor total pressure, temperature, vibration and noise level utilizing newest testing technologies and techniques specified by OEM. Upon request, we can provide our customers with a pump down graph. Call us for your free repair estimate at 1-973-249-0854.