The Varian Turbo-V1000 ICE pump consists of a high frequency motor driving a turbine fitted with 15 bladed stages. The turbine rotates in an counterclockwise direction when viewed from the high vacuum flange end.
The turbine is made of high-strength, light aluminium alloy, and is machined from a single block of aluminium. The turbine stages have six different angles, from 44¶? to 16¶?.
The turbine rotor is supported by permanently lubricated high precision ceramic ball bearings installed on the forevacuum side of the pump. The static blades of the stator are made of stainless steel with five different blade angles from 44¶? to 16¶?. These are supported and accurately positioned by spacer rings.
The Spiral Seal is a dynamic seal based on a Siegbahn disk that increases the protection of the bearings against corrosive gases. A special centrifugal stage, named centrifugal dust seal, is provided in order to protect the pump bearings from particles contamination.
The aluminium parts are protected against corrosion caused by chlorinated and fluorinated gases by means of a protective film. The film (called Armorr Coating) is deposited by means of a vacuum process allowing an uniformity of the coating thickness with no impact on the pump balance.
During normal operation, the motor is fed with a voltage of 56 Vac three-phase at 633 Hz. To reduce losses during start-up to a minimum, the frequency increases according to a ramp with a higher initial voltage/frequency ratio.
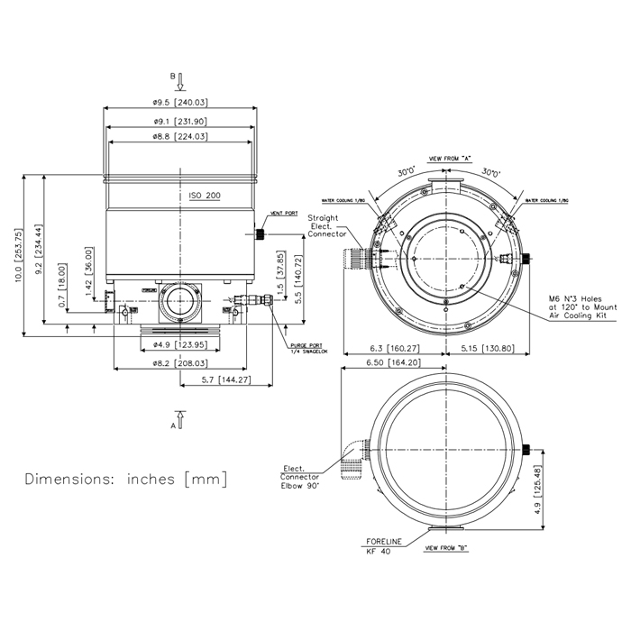
A water cooling kit is available to cool the pump in the cases where it is used under heavy load orwhen forced air is insufficient for cooling purposes.
Two thermistor sensors are mounted near the upper and the lower bearings to prevent the pump from overheating. The thermistor sensors, the motor stator windings and the earth are connected to a Turbo-V controller through a 8 pin socket on the side of the pump.
An M5 hole in the pump envelope is provided to install an accelerometer for diagnostic purposes.
The pump is balanced after assembly with a residual vibration amplitude less than 0.01 ?m.
The pump can operate in any position and can be supported on the high vacuum flange or on its base. The connection of the forevacuum on the side of the pump is a KF 40 flange.


Click Here for Varian V 1000 ICE Manual
A&J Vacuum Services offers full repair/service of Varian Pumps, along with all other brands offered on our website. AJVS also services Varian Turbo Pumps. Please contact us for information about our service and repair program or click http://www.ajvs.com/service.php to access our services page. We also offer emergency service upon request. For more information, please email A&J Vacuum Services at info@ajvs.com or call (973) 249-0854. Thank you for choosing AJVS as your supplier.

Click Here for Varian V 1000 ICE Manual
A&J Vacuum Services offers full repair/service of Varian Pumps, along with all other brands offered on our website. AJVS also services Varian Turbo Pumps. Please contact us for information about our service and repair program or click http://www.ajvs.com/service.php to access our services page. We also offer emergency service upon request. For more information, please email A&J Vacuum Services at info@ajvs.com or call (973) 249-0854. Thank you for choosing AJVS as your supplier.
|
Service and Repair A & J Vacuum Services provides repair service for all types of High Vacuum equipment. We perform Turbomolecular Pump repair, Turbo Pump Repair, Dry Pump repair, Vacuum Pump repair, Mass Spectrometer repair, Rotary Vane Pump repair, Vacuum Booster repair, and Leak detector repair. Our highly trained technicians have years of experience and guarantee the highest quality service.
We operate at our own full service repair facility in Clifton, NJ. We have invested in state-of-the-art equipment including; complete line of decontamination, cleaning, drying, balancing, vibration analysis and software to minimize failures. Our in-house machine shop is capable of machining various components, prototypes and housing conversions as needed.
We support all major manufacturers including Pfeiffer Vacuum, Alcatel / Adixen, Edwards Vacuum, Varian, Oerlikon / Leybod Vacuum, Vacuubrand, and Agilent Technologies.
Repair Steps
Every pump and instrument is extensively tested for 48 hours. During our final tests, we monitor total pressure, temperature, vibration and noise level utilizing newest testing technologies and techniques specified by OEM. Upon request, we can provide our customers with a pump down graph. Call us for your free repair estimate at 1-973-249-0854.
Overview
The Varian Turbo-V1000 ICE pump consists of a high frequency motor driving a turbine fitted with 15 bladed stages. The turbine rotates in an counterclockwise direction when viewed from the high vacuum flange end.
The turbine is made of high-strength, light aluminium alloy, and is machined from a single block of aluminium. The turbine stages have six different angles, from 44¶? to 16¶?.
The turbine rotor is supported by permanently lubricated high precision ceramic ball bearings installed on the forevacuum side of the pump. The static blades of the stator are made of stainless steel with five different blade angles from 44¶? to 16¶?. These are supported and accurately positioned by spacer rings.
The Spiral Seal is a dynamic seal based on a Siegbahn disk that increases the protection of the bearings against corrosive gases. A special centrifugal stage, named centrifugal dust seal, is provided in order to protect the pump bearings from particles contamination.
The aluminium parts are protected against corrosion caused by chlorinated and fluorinated gases by means of a protective film. The film (called Armorr Coating) is deposited by means of a vacuum process allowing an uniformity of the coating thickness with no impact on the pump balance.
During normal operation, the motor is fed with a voltage of 56 Vac three-phase at 633 Hz. To reduce losses during start-up to a minimum, the frequency increases according to a ramp with a higher initial voltage/frequency ratio.
A water cooling kit is available to cool the pump in the cases where it is used under heavy load orwhen forced air is insufficient for cooling purposes.
Two thermistor sensors are mounted near the upper and the lower bearings to prevent the pump from overheating. The thermistor sensors, the motor stator windings and the earth are connected to a Turbo-V controller through a 8 pin socket on the side of the pump.
An M5 hole in the pump envelope is provided to install an accelerometer for diagnostic purposes.
The pump is balanced after assembly with a residual vibration amplitude less than 0.01 ?m.
The pump can operate in any position and can be supported on the high vacuum flange or on its base. The connection of the forevacuum on the side of the pump is a KF 40 flange.


Click Here for Varian V 1000 ICE Manual
A&J Vacuum Services offers full repair/service of Varian Pumps, along with all other brands offered on our website. AJVS also services Varian Turbo Pumps. Please contact us for information about our service and repair program or click http://www.ajvs.com/service.php to access our services page. We also offer emergency service upon request. For more information, please email A&J Vacuum Services at info@ajvs.com or call (973) 249-0854. Thank you for choosing AJVS as your supplier.
Specifications

Click Here for Varian V 1000 ICE Manual
A&J Vacuum Services offers full repair/service of Varian Pumps, along with all other brands offered on our website. AJVS also services Varian Turbo Pumps. Please contact us for information about our service and repair program or click http://www.ajvs.com/service.php to access our services page. We also offer emergency service upon request. For more information, please email A&J Vacuum Services at info@ajvs.com or call (973) 249-0854. Thank you for choosing AJVS as your supplier.
Service & Repair
A & J Vacuum Services provides repair service for all types of High Vacuum equipment. We perform Turbomolecular Pump repair, Turbo Pump Repair, Dry Pump repair, Vacuum Pump repair, Mass Spectrometer repair, Rotary Vane Pump repair, Vacuum Booster repair, and Leak detector repair. Our highly trained technicians have years of experience and guarantee the highest quality service.
We operate at our own full service repair facility in Clifton, NJ. We have invested in state-of-the-art equipment including; complete line of decontamination, cleaning, drying, balancing, vibration analysis and software to minimize failures. Our in-house machine shop is capable of machining various components, prototypes and housing conversions as needed.
We support all major manufacturers including Pfeiffer Vacuum, Alcatel / Adixen, Edwards Vacuum, Varian, Oerlikon / Leybod Vacuum, Vacuubrand, and Agilent Technologies.
Repair Steps
Every pump and instrument is extensively tested for 48 hours. During our final tests, we monitor total pressure, temperature, vibration and noise level utilizing newest testing technologies and techniques specified by OEM. Upon request, we can provide our customers with a pump down graph. Call us for your free repair estimate at 1-973-249-0854.