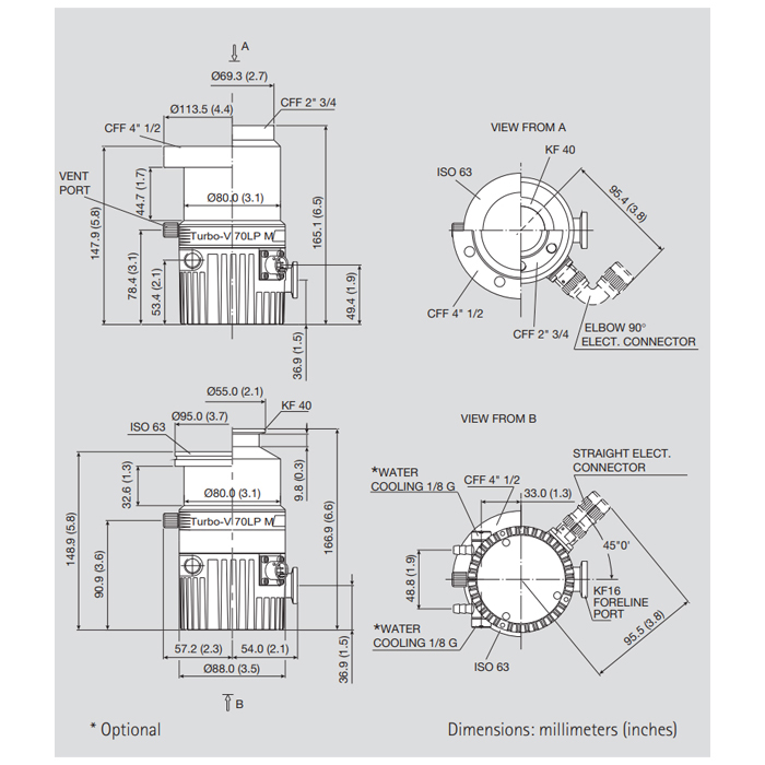
The Varian/Agilent TV 70 LP turbo pump. The pumping speed up to 68 l/s N2. Varian TV 70 LP(9699365) has the compression ratio 5 x 108. The weight of Agilent TV 70 LP is 1.7 kg. Rotational speed is about 75000 rpm.
The Varian V70LP pump consists of a high frequency motor driving a turbine fitted with 10 bladed stages and 4 Macrotorr stages. The turbine rotates in an anticlockwise direction when viewed from the high vacuum flange end.
The TV70LP / 969-9365 turbine is made of high-strength, light aluminium alloy, and is machined from a single block of aluminium. The turbine blades have five different angles, from 44° to 12°, while the Macrotorr stages are in the form of discs.
The V-70LP turbine rotor is supported by permanently lubricated high precision ceramic ball bearings installed on the forevacuum side of the pump. The static blades of the stator are fabricated in stainless steel. These are supported and accurately positioned by spacer rings.
During normal operation, the V-70lp motor functions with a power feed at 54 Vac three-phase at 1250 Hz. To reduce losses during start-up to a minimum, the frequency increases according to a ramp with a higher initial voltage/frequency ratio.


Click Here for Varian TV 70 LP Manual
A&J Vacuum repair / rebuild and service all Varian TV70LP, Agilent TV 70LP, V-70LP Turbo Pump Service, Varian Vacuum Pumps along with all other Varian, Alcatel, Edwards, Bush, Leybold, Pfeiffer, Ulvac Oil lubricated Pumps, Varian Scroll Dry Pumps. Please contact us for information on service program or click here http://www.ajvs.com/service.php to go to our Service page. We also offer Emergency service upon request. For more information Please contact A&J Vacuum Services at 973-249-0854

Click Here for Varian TV 70 LP Manual
A&J Vacuum repair / rebuild and service all Varian TV70LP, Agilent TV 70LP, V-70LP Turbo Pump Service, Varian Vacuum Pumps along with all other Varian, Alcatel, Edwards, Bush, Leybold, Pfeiffer, Ulvac Oil lubricated Pumps, Varian Scroll Dry Pumps. Please contact us for information on service program or click here http://www.ajvs.com/service.php to go to our Service page. We also offer Emergency service upon request. For more information Please contact A&J Vacuum Services at 973-249-0854
|
Service and Repair A & J Vacuum Services provides repair service for all types of High Vacuum equipment. We perform Turbomolecular Pump repair, Turbo Pump Repair, Dry Pump repair, Vacuum Pump repair, Mass Spectrometer repair, Rotary Vane Pump repair, Vacuum Booster repair, and Leak detector repair. Our highly trained technicians have years of experience and guarantee the highest quality service.
We operate at our own full service repair facility in Clifton, NJ. We have invested in state-of-the-art equipment including; complete line of decontamination, cleaning, drying, balancing, vibration analysis and software to minimize failures. Our in-house machine shop is capable of machining various components, prototypes and housing conversions as needed.
We support all major manufacturers including Pfeiffer Vacuum, Alcatel / Adixen, Edwards Vacuum, Varian, Oerlikon / Leybod Vacuum, Vacuubrand, and Agilent Technologies.
Repair Steps
Every pump and instrument is extensively tested for 48 hours. During our final tests, we monitor total pressure, temperature, vibration and noise level utilizing newest testing technologies and techniques specified by OEM. Upon request, we can provide our customers with a pump down graph. Call us for your free repair estimate at 1-973-249-0854.
Overview
The Varian/Agilent TV 70 LP turbo pump. The pumping speed up to 68 l/s N2. Varian TV 70 LP(9699365) has the compression ratio 5 x 108. The weight of Agilent TV 70 LP is 1.7 kg. Rotational speed is about 75000 rpm.
The Varian V70LP pump consists of a high frequency motor driving a turbine fitted with 10 bladed stages and 4 Macrotorr stages. The turbine rotates in an anticlockwise direction when viewed from the high vacuum flange end.
The TV70LP / 969-9365 turbine is made of high-strength, light aluminium alloy, and is machined from a single block of aluminium. The turbine blades have five different angles, from 44° to 12°, while the Macrotorr stages are in the form of discs.
The V-70LP turbine rotor is supported by permanently lubricated high precision ceramic ball bearings installed on the forevacuum side of the pump. The static blades of the stator are fabricated in stainless steel. These are supported and accurately positioned by spacer rings.
During normal operation, the V-70lp motor functions with a power feed at 54 Vac three-phase at 1250 Hz. To reduce losses during start-up to a minimum, the frequency increases according to a ramp with a higher initial voltage/frequency ratio.


Click Here for Varian TV 70 LP Manual
A&J Vacuum repair / rebuild and service all Varian TV70LP, Agilent TV 70LP, V-70LP Turbo Pump Service, Varian Vacuum Pumps along with all other Varian, Alcatel, Edwards, Bush, Leybold, Pfeiffer, Ulvac Oil lubricated Pumps, Varian Scroll Dry Pumps. Please contact us for information on service program or click here http://www.ajvs.com/service.php to go to our Service page. We also offer Emergency service upon request. For more information Please contact A&J Vacuum Services at 973-249-0854
Specifications

Click Here for Varian TV 70 LP Manual
A&J Vacuum repair / rebuild and service all Varian TV70LP, Agilent TV 70LP, V-70LP Turbo Pump Service, Varian Vacuum Pumps along with all other Varian, Alcatel, Edwards, Bush, Leybold, Pfeiffer, Ulvac Oil lubricated Pumps, Varian Scroll Dry Pumps. Please contact us for information on service program or click here http://www.ajvs.com/service.php to go to our Service page. We also offer Emergency service upon request. For more information Please contact A&J Vacuum Services at 973-249-0854
Service & Repair
A & J Vacuum Services provides repair service for all types of High Vacuum equipment. We perform Turbomolecular Pump repair, Turbo Pump Repair, Dry Pump repair, Vacuum Pump repair, Mass Spectrometer repair, Rotary Vane Pump repair, Vacuum Booster repair, and Leak detector repair. Our highly trained technicians have years of experience and guarantee the highest quality service.
We operate at our own full service repair facility in Clifton, NJ. We have invested in state-of-the-art equipment including; complete line of decontamination, cleaning, drying, balancing, vibration analysis and software to minimize failures. Our in-house machine shop is capable of machining various components, prototypes and housing conversions as needed.
We support all major manufacturers including Pfeiffer Vacuum, Alcatel / Adixen, Edwards Vacuum, Varian, Oerlikon / Leybod Vacuum, Vacuubrand, and Agilent Technologies.
Repair Steps
Every pump and instrument is extensively tested for 48 hours. During our final tests, we monitor total pressure, temperature, vibration and noise level utilizing newest testing technologies and techniques specified by OEM. Upon request, we can provide our customers with a pump down graph. Call us for your free repair estimate at 1-973-249-0854.