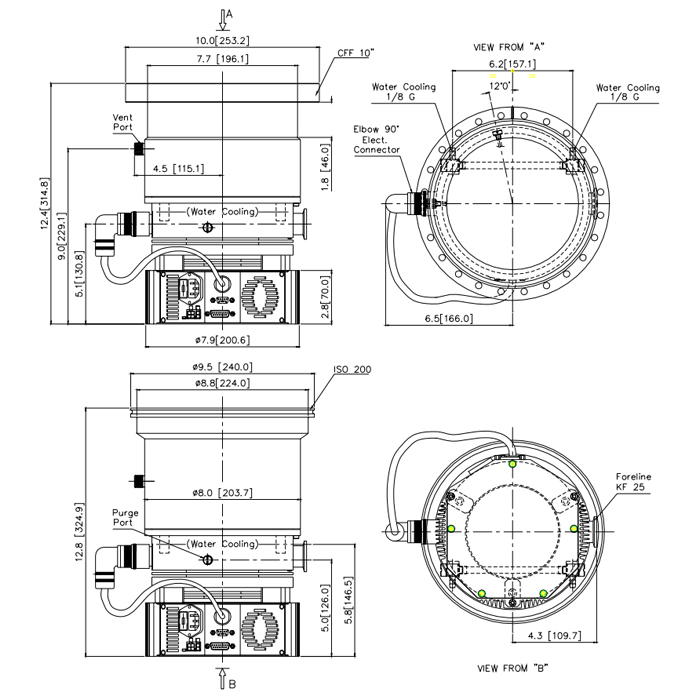
Fully Rebuild Varian TV701 NAV / 969-8926 Navigator Turbomolecular Pump has DN 200-ISO Inlet Flange.
Varian Turbo-V701 consists of a high frequency motor driving a turbine fitted with 8 bladed stages and 4 Macrotorr stages. The turbine rotates in a counterclockwise direction when viewed from the high vacuum flange end.
The Agilent TV-701 P/N 9698926 turbine is made of high-strength aluminium alloy, machined from a single block. The Macrotorr stages are in the form of four discs. The turbine rotor is supported by permanently lubricated high precision ceramic ball bearings installed on the forevacuum side of the pump. The static blades of the stator are made of stainless steel.
These are supported and accurately positioned by spacer rings. The Macrotorr V701 stators are in the form of selfpositioning machined discs with pumping channels and an opening restricted by the corresponding rotor discs. These are made of aluminium alloy.
During normal operation Varian V-701 969-8926 the motor is fed with a voltage of 54 Vac three-phase at 715 Hz. To reduce losses during start-up to a minimum, the frequency increases according to a ramp with a higher initial voltage/frequency ratio. The pump can be water cooled or air cooled: in the first case the customer can use the dedicated channels on the pump body, in the second case an external optional fan is available. A thermistor sensor is mounted near the upper bearing to prevent the pump from overheating.
The Agilent TV701 Navigator pump is balanced after assembly with a residual vibration amplitude less than 0.01. The pump can operate in any position and can be supported on the high vacuum flange. The connection of the forevacuum on the side of the pump is a KF 25 NW flange.
Agilent V-701 Turbo Pump is very popular among many Analytical Instrument manufacturers. Varian Navigator pump is being used in many SEM Scanning Electron Microscopes, Mass Spectrometers along with Ion-Beam Instruments and Systems. Agilent Varian Turbo-V701 Navigator turbomolecular pump is very cost efective for many applications within semiconductor applications and manufacturing.


Click Here for Varian V701 Manual
A&J Vacuum also repair / rebuild and service Varian TV-701 9698926 Turbo pumps along with all other Agilent Turbo pumps and Pfeiffer Vacuum Rotary Vane pumps. Please contact us for information on service program or click here http://www.ajvs.com/service.php to go to our Service page. We also offer Emergency service upon request. For more information Please contact A&J Vacuum Services at 973-249-0854

Click Here for Varian V701 Manual
A&J Vacuum also repair / rebuild and service Varian TV-701 9698926 Turbo pumps along with all other Agilent Turbo pumps and Pfeiffer Vacuum Rotary Vane pumps. Please contact us for information on service program or click here http://www.ajvs.com/service.php to go to our Service page. We also offer Emergency service upon request. For more information Please contact A&J Vacuum Services at 973-249-0854
|
Service and Repair A & J Vacuum Services provides repair service for all types of High Vacuum equipment. We perform Turbomolecular Pump repair, Turbo Pump Repair, Dry Pump repair, Vacuum Pump repair, Mass Spectrometer repair, Rotary Vane Pump repair, Vacuum Booster repair, and Leak detector repair. Our highly trained technicians have years of experience and guarantee the highest quality service.
We operate at our own full service repair facility in Clifton, NJ. We have invested in state-of-the-art equipment including; complete line of decontamination, cleaning, drying, balancing, vibration analysis and software to minimize failures. Our in-house machine shop is capable of machining various components, prototypes and housing conversions as needed.
We support all major manufacturers including Pfeiffer Vacuum, Alcatel / Adixen, Edwards Vacuum, Varian, Oerlikon / Leybod Vacuum, Vacuubrand, and Agilent Technologies.
Repair Steps
Every pump and instrument is extensively tested for 48 hours. During our final tests, we monitor total pressure, temperature, vibration and noise level utilizing newest testing technologies and techniques specified by OEM. Upon request, we can provide our customers with a pump down graph. Call us for your free repair estimate at 1-973-249-0854.
Overview
Fully Rebuild Varian TV701 NAV / 969-8926 Navigator Turbomolecular Pump has DN 200-ISO Inlet Flange.
Varian Turbo-V701 consists of a high frequency motor driving a turbine fitted with 8 bladed stages and 4 Macrotorr stages. The turbine rotates in a counterclockwise direction when viewed from the high vacuum flange end.
The Agilent TV-701 P/N 9698926 turbine is made of high-strength aluminium alloy, machined from a single block. The Macrotorr stages are in the form of four discs. The turbine rotor is supported by permanently lubricated high precision ceramic ball bearings installed on the forevacuum side of the pump. The static blades of the stator are made of stainless steel.
These are supported and accurately positioned by spacer rings. The Macrotorr V701 stators are in the form of selfpositioning machined discs with pumping channels and an opening restricted by the corresponding rotor discs. These are made of aluminium alloy.
During normal operation Varian V-701 969-8926 the motor is fed with a voltage of 54 Vac three-phase at 715 Hz. To reduce losses during start-up to a minimum, the frequency increases according to a ramp with a higher initial voltage/frequency ratio. The pump can be water cooled or air cooled: in the first case the customer can use the dedicated channels on the pump body, in the second case an external optional fan is available. A thermistor sensor is mounted near the upper bearing to prevent the pump from overheating.
The Agilent TV701 Navigator pump is balanced after assembly with a residual vibration amplitude less than 0.01. The pump can operate in any position and can be supported on the high vacuum flange. The connection of the forevacuum on the side of the pump is a KF 25 NW flange.
Agilent V-701 Turbo Pump is very popular among many Analytical Instrument manufacturers. Varian Navigator pump is being used in many SEM Scanning Electron Microscopes, Mass Spectrometers along with Ion-Beam Instruments and Systems. Agilent Varian Turbo-V701 Navigator turbomolecular pump is very cost efective for many applications within semiconductor applications and manufacturing.


Click Here for Varian V701 Manual
A&J Vacuum also repair / rebuild and service Varian TV-701 9698926 Turbo pumps along with all other Agilent Turbo pumps and Pfeiffer Vacuum Rotary Vane pumps. Please contact us for information on service program or click here http://www.ajvs.com/service.php to go to our Service page. We also offer Emergency service upon request. For more information Please contact A&J Vacuum Services at 973-249-0854
Specifications

Click Here for Varian V701 Manual
A&J Vacuum also repair / rebuild and service Varian TV-701 9698926 Turbo pumps along with all other Agilent Turbo pumps and Pfeiffer Vacuum Rotary Vane pumps. Please contact us for information on service program or click here http://www.ajvs.com/service.php to go to our Service page. We also offer Emergency service upon request. For more information Please contact A&J Vacuum Services at 973-249-0854
Spare Parts
Accessories
Service & Repair
A & J Vacuum Services provides repair service for all types of High Vacuum equipment. We perform Turbomolecular Pump repair, Turbo Pump Repair, Dry Pump repair, Vacuum Pump repair, Mass Spectrometer repair, Rotary Vane Pump repair, Vacuum Booster repair, and Leak detector repair. Our highly trained technicians have years of experience and guarantee the highest quality service.
We operate at our own full service repair facility in Clifton, NJ. We have invested in state-of-the-art equipment including; complete line of decontamination, cleaning, drying, balancing, vibration analysis and software to minimize failures. Our in-house machine shop is capable of machining various components, prototypes and housing conversions as needed.
We support all major manufacturers including Pfeiffer Vacuum, Alcatel / Adixen, Edwards Vacuum, Varian, Oerlikon / Leybod Vacuum, Vacuubrand, and Agilent Technologies.
Repair Steps
Every pump and instrument is extensively tested for 48 hours. During our final tests, we monitor total pressure, temperature, vibration and noise level utilizing newest testing technologies and techniques specified by OEM. Upon request, we can provide our customers with a pump down graph. Call us for your free repair estimate at 1-973-249-0854.