The Agilent V 250 turbo pump has the pumping speed up to 250 l/s N2. Agilent V 250 (9699007) has the compression ratio 2 x 108. The weight of Agilent V 250 is 11.4 kg. Varian V250 rotational speed is 56000 RPM. Noise level of Agilent 969-9007 is 45 dB at 1 meter.
The Varian V 250 Turbo pump p/n 9699007 consists of a high frequency motor driving a turbine fitted with 8 bladed stages and 3 Macrotorr stages. The turbine rotates in an counter clockwise direction when viewed from the high vacuum flange end. The turbine is made of high-strength, light aluminium alloy, and is machined from a single block of aluminium.
The 969-9007 Varian V-250 turbine blades have five different angles, from 42° to 10°, while the Macrotorr stages are in form of discs. The turbine rotor is supported by permanently lubricated high precision ceramic ball bearings installed on the forevacuum side of the pump. The static blades of the stator are fabricated in stainless steel with five different angles, from 36° to 10°. These are supported and accurately positioned by spacer rings.The Macrotorr stators are in the form of selfpositioning machined discs with pumping channels and an opening restricted by the corresponding rotor discs. These are made of aluminium alloy.
During normal operation, the Varian V 250 pump motor functions with a power feed at 58 Vac three-phase at 933 Hz. To reduce losses during start-up to a minimum, the frequency increases according to a ramp with a higher initial voltage/frequency ratio. The external body of the pump is fitted with fins which allow the pump itself to function with natural convection air cooling. Kits are available for water cooling or forced air cooling to cool the pump in the cases where it is used under heavy load or when natural convection is insufficient for cooling purposes. A thermistor sensor is mounted near the upper bearing to prevent the pump from overheating. The thermistor sensor, the motor stator windings and the earth are connected to a Turbo-V 250 controller p/n 9699523 / P/N 18446 through a 6 pin socket on the side of the pump.
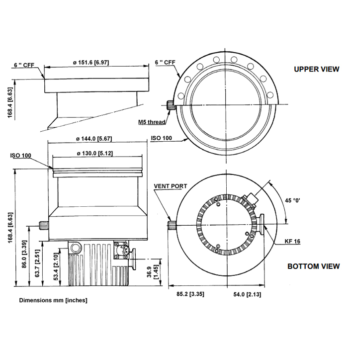
The Varian V250 pump is balanced after assembly with a residual vibration amplitude less than 0.01. The pump can operate in any position and can be supported on the high vacuum flange or on its base. The connection of the forevacuum on the side of the pump is a KF 16 NW flange.


Click Here for Varian V250 Manual
A&J Vacuum also repair / rebuild and service Varian V250, TV250 / 9699007 Turbo Pumps along with all other Varian Turbo Pumps and Agilent Varian Vacuum Rotary Vane pumps. Please contact us for information on service program or click here http://www.ajvs.com/service.php to go to our Service page. We also offer Emergency service upon request. For more information Please contact A&J Vacuum Services at 973-249-0854

Click Here for Varian V250 Manual
A&J Vacuum also repair / rebuild and service Varian V250, TV250 / 9699007 Turbo Pumps along with all other Varian Turbo Pumps and Agilent Varian Vacuum Rotary Vane pumps. Please contact us for information on service program or click here http://www.ajvs.com/service.php to go to our Service page. We also offer Emergency service upon request. For more information Please contact A&J Vacuum Services at 973-249-0854
|
Service and Repair A & J Vacuum Services provides repair service for all types of High Vacuum equipment. We perform Turbomolecular Pump repair, Turbo Pump Repair, Dry Pump repair, Vacuum Pump repair, Mass Spectrometer repair, Rotary Vane Pump repair, Vacuum Booster repair, and Leak detector repair. Our highly trained technicians have years of experience and guarantee the highest quality service.
We operate at our own full service repair facility in Clifton, NJ. We have invested in state-of-the-art equipment including; complete line of decontamination, cleaning, drying, balancing, vibration analysis and software to minimize failures. Our in-house machine shop is capable of machining various components, prototypes and housing conversions as needed.
We support all major manufacturers including Pfeiffer Vacuum, Alcatel / Adixen, Edwards Vacuum, Varian, Oerlikon / Leybod Vacuum, Vacuubrand, and Agilent Technologies.
Repair Steps
Every pump and instrument is extensively tested for 48 hours. During our final tests, we monitor total pressure, temperature, vibration and noise level utilizing newest testing technologies and techniques specified by OEM. Upon request, we can provide our customers with a pump down graph. Call us for your free repair estimate at 1-973-249-0854.
Overview
The Agilent V 250 turbo pump has the pumping speed up to 250 l/s N2. Agilent V 250 (9699007) has the compression ratio 2 x 108. The weight of Agilent V 250 is 11.4 kg. Varian V250 rotational speed is 56000 RPM. Noise level of Agilent 969-9007 is 45 dB at 1 meter.
The Varian V 250 Turbo pump p/n 9699007 consists of a high frequency motor driving a turbine fitted with 8 bladed stages and 3 Macrotorr stages. The turbine rotates in an counter clockwise direction when viewed from the high vacuum flange end. The turbine is made of high-strength, light aluminium alloy, and is machined from a single block of aluminium.
The 969-9007 Varian V-250 turbine blades have five different angles, from 42° to 10°, while the Macrotorr stages are in form of discs. The turbine rotor is supported by permanently lubricated high precision ceramic ball bearings installed on the forevacuum side of the pump. The static blades of the stator are fabricated in stainless steel with five different angles, from 36° to 10°. These are supported and accurately positioned by spacer rings.The Macrotorr stators are in the form of selfpositioning machined discs with pumping channels and an opening restricted by the corresponding rotor discs. These are made of aluminium alloy.
During normal operation, the Varian V 250 pump motor functions with a power feed at 58 Vac three-phase at 933 Hz. To reduce losses during start-up to a minimum, the frequency increases according to a ramp with a higher initial voltage/frequency ratio. The external body of the pump is fitted with fins which allow the pump itself to function with natural convection air cooling. Kits are available for water cooling or forced air cooling to cool the pump in the cases where it is used under heavy load or when natural convection is insufficient for cooling purposes. A thermistor sensor is mounted near the upper bearing to prevent the pump from overheating. The thermistor sensor, the motor stator windings and the earth are connected to a Turbo-V 250 controller p/n 9699523 / P/N 18446 through a 6 pin socket on the side of the pump.
The Varian V250 pump is balanced after assembly with a residual vibration amplitude less than 0.01. The pump can operate in any position and can be supported on the high vacuum flange or on its base. The connection of the forevacuum on the side of the pump is a KF 16 NW flange.


Click Here for Varian V250 Manual
A&J Vacuum also repair / rebuild and service Varian V250, TV250 / 9699007 Turbo Pumps along with all other Varian Turbo Pumps and Agilent Varian Vacuum Rotary Vane pumps. Please contact us for information on service program or click here http://www.ajvs.com/service.php to go to our Service page. We also offer Emergency service upon request. For more information Please contact A&J Vacuum Services at 973-249-0854
Specifications

Click Here for Varian V250 Manual
A&J Vacuum also repair / rebuild and service Varian V250, TV250 / 9699007 Turbo Pumps along with all other Varian Turbo Pumps and Agilent Varian Vacuum Rotary Vane pumps. Please contact us for information on service program or click here http://www.ajvs.com/service.php to go to our Service page. We also offer Emergency service upon request. For more information Please contact A&J Vacuum Services at 973-249-0854
Service & Repair
A & J Vacuum Services provides repair service for all types of High Vacuum equipment. We perform Turbomolecular Pump repair, Turbo Pump Repair, Dry Pump repair, Vacuum Pump repair, Mass Spectrometer repair, Rotary Vane Pump repair, Vacuum Booster repair, and Leak detector repair. Our highly trained technicians have years of experience and guarantee the highest quality service.
We operate at our own full service repair facility in Clifton, NJ. We have invested in state-of-the-art equipment including; complete line of decontamination, cleaning, drying, balancing, vibration analysis and software to minimize failures. Our in-house machine shop is capable of machining various components, prototypes and housing conversions as needed.
We support all major manufacturers including Pfeiffer Vacuum, Alcatel / Adixen, Edwards Vacuum, Varian, Oerlikon / Leybod Vacuum, Vacuubrand, and Agilent Technologies.
Repair Steps
Every pump and instrument is extensively tested for 48 hours. During our final tests, we monitor total pressure, temperature, vibration and noise level utilizing newest testing technologies and techniques specified by OEM. Upon request, we can provide our customers with a pump down graph. Call us for your free repair estimate at 1-973-249-0854.