phone icon
Sales and Service
855 882 2886
basket icon
0 Items
$0.00
Find us on:
Main Categories

- Agilent Technologies / Varian
- Stokes Vacuum
- AJVS
- Thread Sealants
- Mounting Kits
- Leak Detectors
- Shipping Crates
Category of products: Refurbished / Demo Vacuum Boosters
- Agilent Technologies / Varian
- Stokes Vacuum
- AJVS
- Thread Sealants
- Mounting Kits
- Leak Detectors
- Shipping Crates
Found 9 products
Item#: PN06875 Mfr Part#: A30186905 Manufacturer: Edwards Vacuum
PRICE: $4,750.00
WEB SAVINGS: $400.00
YOU PAY: $4,350.00
Tariff charges are calculated during checkout

Overview:

BOC Edwards QMB Mechanical Booster Pumps are compact and have high pumping speeds. Low system pressures can be achieved by using two or more mechanical booster pumps in series.

You must use the QMB Mechanical Booster Pump with a suitable backing pump. The maximum continuous inlet pressure is 20 mbar for the QMB250F and QMB500F Mechanical Booster Pumps and 1 mbar for the QMB1200F Mechanical Booster Pumps.

The QMB250F and QMB500F pumps are air-cooled and the QMB1200F pump is water-cooled. All the QMB pumps have enclosed, water-cooled motors and are therefore suitable for applications in clean environments where fan cooling is unacceptable.

The pump coupling-cover is connected to the pump outlet and forms an integral part of the vacuum system. The connecting pipelines have a filter which removes debris and so prevents contamination of the lubricating oil and bearings. For an even cleaner system, the coupling-cover and bearings can be evacuated by connection to the pump-inlet or to an external vacuum pump.

Three motor-protection thermistors (one on each winding) are fitted to the motor of the QMB pump. These thermistors are solid-state devices which have an electrical resistance of 100 to 500 W at normal pump-motor operational temperature. When the pump-motor is too hot, the electrical resistance rises quickly to 3000 W. The thermistors are connected in series and you can connect the thermistors to control equipment to automatically shut down the system if a pump-motor is too hot.

Unit is fully rebuilt and comes with a FULL 12-MONTH WARRANTY!

 

 

 


Condition:
Remanufactured
In Stock
Item#: PN19700 Mfr Part#: A30106949 / A301-06-946 Manufacturer: Edwards Vacuum
Price upon request

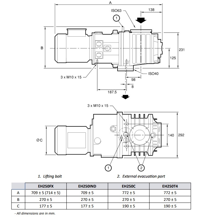
Edwards EH 250 Vacuum Booster Pump, Hydrocarbon Oil, 230 / 460 VAC 60 Hz, A30106949 / A301-06-946, EH-250

Edwards EH 250 Booster Pump Overview:

The Edwards EH-250 Vacuum Booster pumps are compact and have high pumping speeds. You must use the EH250 pump with a suitable backing pump. The Edwards  EH-250 Booster pumps can operate with a maximum continuous inlet pressure of 1000 mBar. You can achieve lower system pressures by the use of two or more Edwards EH-250 pump in series.

On all EH250 pumps, the hydrokinetic drive/gearbox is connected to the pump outlet by a pressure equalisation passageway, and forms an integral part of the vacuum system. The connecting passageway has a filter which removes debris and so prevents contamination of the lubricating oil and bearings. For an even cleaner system, you can evacuate the end-cover/gear cover by connection of the evacuation port to the pump-inlet or to an external vacuum pump.

The hydrocarbon safe area, ATEX compliant and chemical EH 250 pumps use hydrocarbon oils, such as Edwards Ultragrade 20. Versions of the safe area EH 250 pumps for use with PFPE (perfluoropolyether) oils are also available for vacuum systems in which oxygen or other reactive or corrosive gases are pumped. The EH 250 pumps must not be used to pump peroxides.

The EH pumps are positive displacement Roots vacuum pumps. The pump mechanism is driven by a three-phase electric motor through a hydrokinetic drive.

The pump shafts and rotors are made of cast SG iron. The internal and external shaft-seals are made of polytetrafluoroethylene (PTFE) or fluoro-elastomer. The pump-bearings, gears and seals are lubricated by oil fed from reservoirs in the hydrokinetic drive/gearbox. A series of seals stops the oil from reaching the vacuum side of the EH-250 pump. The hydrokinetic drive/gearbox is evacuated. You can inspect the oil-levels through sight-glasses which are fitted to the hydrokinetic drive/gearbox. Oil-filler, oil-drainage and external evacuation connections are provided on the hydrokinetic drive/gearbox. A30152936,

We repair and service all Edwards Booster pump, such EH250, EH500, EH1200, EH2800, QMB250, QMB500, QMB1200, QMB2600 Boster pump repair.

 


Condition:
Remanufactured
Out of Stock
Item#: PN15771 Mfr Part#: A30108946 / A301-08-946 Manufacturer: Edwards Vacuum
Price upon request

Edwards EH 250 FX Vacuum Booster Pump, PFPE Oil, 208-230 / 460 V, A30108946 / A301-08-946, EH-250

Edwards EH 250 FX (PFPE Prepared) Overview:

The Edwards EH250FX Vacuum Booster pumps are compact and have high pumping speeds. You must use the EH 250FX  pump with a suitable backing pump. The Edwards EH250FX  Booster pumps can operate with a maximum continuous inlet pressure of 1000 mBar. You can achieve lower system pressures by the use of two or more EH250 pump in series.

On all EH250 pumps, the hydrokinetic drive/gearbox is connected to the pump outlet by a pressure equalisation passageway, and forms an integral part of the vacuum system. The connecting passageway has a filter which removes debris and so prevents contamination of the lubricating oil and bearings. For an even cleaner system, you can evacuate the end-cover/gear cover by connection of the evacuation port to the pump-inlet or to an external vacuum pump.

The hydrocarbon safe area, ATEX compliant and chemical EH 250 pumps use hydrocarbon oils, such as Edwards Ultragrade 20. Versions of the safe area EH 250 pumps for use with PFPE (perfluoropolyether) oils are also available for vacuum systems in which oxygen or other reactive or corrosive gases are pumped. The EH 250 pumps must not be used to pump peroxides.

The EH pumps are positive displacement Roots vacuum pumps. The pump mechanism is driven by a three-phase electric motor through a hydrokinetic drive.

The pump shafts and rotors are made of cast SG iron. The internal and external shaft-seals are made of polytetrafluoroethylene (PTFE) or fluoro-elastomer. The pump-bearings, gears and seals are lubricated by oil fed from reservoirs in the hydrokinetic drive/gearbox. A series of seals stops the oil from reaching the vacuum side of the EH-250 pump. The hydrokinetic drive/gearbox is evacuated. You can inspect the oil-levels through sight-glasses which are fitted to the hydrokinetic drive/gearbox. Oil-filler, oil-drainage and external evacuation connections are provided on the hydrokinetic drive/gearbox. A30152936,

We repair and service all Edwards Booster pump, such EH250, EH500, EH1200, EH2800, QMB250, QMB500, QMB1200, QMB2600 Boster pump repair.

 


Condition:
Remanufactured
Out of Stock
Item#: PN06877 Mfr Part#: QMB500 Manufacturer: Edwards Vacuum
Price upon request

Overview:

BOC Edwards QMB Mechanical Booster Pumps are compact and have high pumping speeds. Low system pressures can be achieved by using two or more mechanical booster pumps in series.

You must use the QMB Mechanical Booster Pump with a suitable backing pump. The maximum continuous inlet pressure is 20 mbar for the QMB250F and QMB500F Mechanical Booster Pumps and 1 mbar for the QMB1200F Mechanical Booster Pumps.

The QMB250F and QMB500F pumps are air-cooled and the QMB1200F pump is water-cooled. All the QMB pumps have enclosed, water-cooled motors and are therefore suitable for applications in clean environments where fan cooling is unacceptable.

The pump coupling-cover is connected to the pump outlet and forms an integral part of the vacuum system. The connecting pipelines have a filter which removes debris and so prevents contamination of the lubricating oil and bearings. For an even cleaner system, the coupling-cover and bearings can be evacuated by connection to the pump-inlet or to an external vacuum pump.

Three motor-protection thermistors (one on each winding) are fitted to the motor of the QMB pump. These thermistors are solid-state devices which have an electrical resistance of 100 to 500 W at normal pump-motor operational temperature. When the pump-motor is too hot, the electrical resistance rises quickly to 3000 W. The thermistors are connected in series and you can connect the thermistors to control equipment to automatically shut down the system if a pump-motor is too hot.

Unit is fully rebuilt and comes with a FULL 12-MONTH WARRANTY!

 

 

 


Condition:
Remanufactured
Out of Stock
Item#: PN06878 Mfr Part#: eh1200 Manufacturer: Edwards Vacuum
Price upon request

General Overview:

The EH pumps are compact and have high pumping speeds. You must use the EH pump with a suitable backing pump. The EH pumps can operate with a maximum continuous inlet pressure of 1000 mbar. You can achieve low system pressures by the use of two or more EH pumps in series.

The EH pump coupling-cover is connected to the pump outlet and forms an integral part of the vacuum system. The connecting lines have a filter which removes debris and so prevents contamination of the lubricating oil and bearings. For an even cleaner system, you can evacuate the coupling-cover and bearings by connection to the pump-inlet or to an external vacuum pump.

The hydrocarbon safe area and chemical EHpumps use hydrocarbon oils, such as Ultragrade 20. Versions of the safe area pumps for use with PFPE (perfluoropolyether) oils are also available for vacuum systems in which oxygen or other reactive or corrosive gases are pumped All the EH pumps have ISO inlet-flange and outlet-flange connections.

Unit is fully rebuilt and comes with a FULL 12-MONTH WARRANTY!

AJVS can Repair and Service your Edwards EH-1200 Vacuum Booster. Please visit our Service Page for more information.


Condition:
Remanufactured
Out of Stock
Item#: PN06880 Mfr Part#: eh2600 Manufacturer: Edwards Vacuum
Price upon request

General Overview:

The EH pumps are compact and have high pumping speeds. You must use the EH pump with a suitable backing pump. The EH pumps can operate with a maximum continuous inlet pressure of 1000 mbar. You can achieve low system pressures by the use of two or more EH pumps in series.

The EH pump coupling-cover is connected to the pump outlet and forms an integral part of the vacuum system. The connecting lines have a filter which removes debris and so prevents contamination of the lubricating oil and bearings. For an even cleaner system, you can evacuate the coupling-cover and bearings by connection to the pump-inlet or to an external vacuum pump.

The hydrocarbon safe area and chemical EHpumps use hydrocarbon oils, such as Ultragrade 20. Versions of the safe area pumps for use with PFPE (perfluoropolyether) oils are also available for vacuum systems in which oxygen or other reactive or corrosive gases are pumped All the EH pumps have ISO inlet-flange and outlet-flange connections.

Unit is fully rebuilt and comes with a FULL 12-MONTH WARRANTY!

AJVS can Repair and Service your Edwards EH-2600 Vacuum Booster. Please visit our Service Page for more information.


Condition:
Remanufactured
Out of Stock
Item#: PN40908 Mfr Part#: A30274936 / A302-74-936 Manufacturer: Edwards Vacuum
PRICE: $20,514.00
WEB SAVINGS: $12,564.00
YOU PAY: $7,950.00
Tariff charges are calculated during checkout

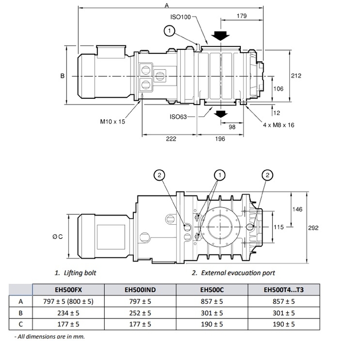
Edwards EH-500 FX Vacuum Booster Pump, 230 / 460 60 Hz EH 500 Booster, PFPE Oil Service, A30274936 / A302-74-936

General Overview of Edwards EH 500 FX (PFPE prepared):

The Edwards EH500 Booster pumps are compact and have high pumping speeds. You must use the EH-500 Blower pump with a suitable backing pump. The Edwards EH 500 booster pumps can operate with a maximum continuous inlet pressure of 1000 mbar. You can achieve low system pressures by the use of two or more EH pumps in series.

The Edwards EH 500 pump coupling-cover is connected to the pump outlet and forms an integral part of the vacuum system. The connecting lines have a filter which removes debris and so prevents contamination of the lubricating oil and bearings. For an even cleaner system, you can evacuate the coupling-cover and bearings by connection to the pump-inlet or to an external vacuum pump.

The hydrocarbon safe area and chemical EH-500 FX pumps use PFPE oils, such as KRYTOX 1514. Versions of the safe area pumps for use with PFPE (perfluoropolyether) oils are also available for vacuum systems in which oxygen or other reactive or corrosive gases are pumped All the EH pumps have ISO inlet-flange and outlet-flange connections.

The EH mechanical booster pumps feature the unique hydrokinetic drive, providing an efficient power transmission with benefits in economy, performance and compactness. The hydrokinetic drive provides pump down times cut by 50%, when compared with direct drive pumps, no bypass lines or pressure switches required, universal voltage motors, reduced capital and operating costs, air cooled motors – with water cooled options, and quiet, minimum vibration.

 The EH mechanical booster pumps, based on the simple Roots principle, remain the favourite pumps for applications where high pumping speeds over 3000 m3h‑1/1776 ft3min-1 are required in the pressure region of 0.01 to 50 mbar/0.0075 to 37.5 Torr. These must always be backed by another pump which can deliver against a high pressure differential to atmospheric pressure. Operating at relatively low pressures, the mechanical booster pump is not exposed to the same concentrations of corrosive process media as is the backing pump, which makes it highly reliable.

Technology

EH pumps with hydrokinetic drive
EH booster pumps have a unique and patented hydrokinetic fluid drive, which couples the motor to the pumping mechanism. The hydrokinetic drive offers the following advantages:

  • Pump down times cut by up to 50%
  • Reduced capital and operating costs
  • No pressure sensors, by-pass lines or valves
  • Can operate continuously at all pressures when used with a backing pump

EH booster pumps have universal voltage, air-cooled motors and are available with effective pumping speeds (at 50 Hz) of up to 3100 m3h-1. The pump bodies of the EH1200, EH2600 and EH4200 pumps are water-cooled.

 

AJVS can Repair and Service your Edwards EH-500 Vacuum Booster. Please visit our Service Page for more information.


Condition:
Remanufactured
Out of Stock
Item#: PN06876 Mfr Part#: A30272946 / A302-72-946 Manufacturer: Edwards Vacuum
Price upon request

Edwards EH-500 Vacuum Booster Pump, 230 / 460 60 Hz EH500 Booster, Hydrocarbon Oil Service, A30272946 / A302-72-946

General Overview of Edwards EH 500:

The Edwards EH500 Booster pumps are compact and have high pumping speeds. You must use the EH-500 Blower pump with a suitable backing pump. The Edwards EH 500 booster pumps can operate with a maximum continuous inlet pressure of 1000 mbar. You can achieve low system pressures by the use of two or more EH pumps in series.

The Edwards EH 500 pump coupling-cover is connected to the pump outlet and forms an integral part of the vacuum system. The connecting lines have a filter which removes debris and so prevents contamination of the lubricating oil and bearings. For an even cleaner system, you can evacuate the coupling-cover and bearings by connection to the pump-inlet or to an external vacuum pump.

The hydrocarbon safe area and chemical EH-500 pumps use hydrocarbon oils, such as Ultragrade 20. Versions of the safe area pumps for use with PFPE (perfluoropolyether) oils are also available for vacuum systems in which oxygen or other reactive or corrosive gases are pumped All the EH pumps have ISO inlet-flange and outlet-flange connections.

The EH mechanical booster pumps feature the unique hydrokinetic drive, providing an efficient power transmission with benefits in economy, performance and compactness. The hydrokinetic drive provides pump down times cut by 50%, when compared with direct drive pumps, no bypass lines or pressure switches required, universal voltage motors, reduced capital and operating costs, air cooled motors – with water cooled options, and quiet, minimum vibration.

 The EH mechanical booster pumps, based on the simple Roots principle, remain the favourite pumps for applications where high pumping speeds over 3000 m3h‑1/1776 ft3min-1 are required in the pressure region of 0.01 to 50 mbar/0.0075 to 37.5 Torr. These must always be backed by another pump which can deliver against a high pressure differential to atmospheric pressure. Operating at relatively low pressures, the mechanical booster pump is not exposed to the same concentrations of corrosive process media as is the backing pump, which makes it highly reliable.

Technology

EH pumps with hydrokinetic drive
EH booster pumps have a unique and patented hydrokinetic fluid drive, which couples the motor to the pumping mechanism. The hydrokinetic drive offers the following advantages:

  • Pump down times cut by up to 50%
  • Reduced capital and operating costs
  • No pressure sensors, by-pass lines or valves
  • Can operate continuously at all pressures when used with a backing pump

EH booster pumps have universal voltage, air-cooled motors and are available with effective pumping speeds (at 50 Hz) of up to 3100 m3h-1. The pump bodies of the EH1200, EH2600 and EH4200 pumps are water-cooled.

 

AJVS can Repair and Service your Edwards EH-500 Vacuum Booster. Please visit our Service Page for more information.


Condition:
Remanufactured
Out of Stock
Item#: PN06879 Mfr Part#: qmb1200 Manufacturer: Edwards Vacuum
Price upon request

General Overview:

BOC Edwards QMB Mechanical Booster Pumps are compact and have high pumping speeds. Low system pressures can be achieved by using two or more mechanical booster pumps in series. You must use the QMB Mechanical Booster Pump with a suitable backing pump. The maximum continuous inlet pressure is 20 mbar for the QMB250F and QMB500F Mechanical Booster Pumps and 1 mbar for the QMB1200F Mechanical Booster Pumps.

The QMB250F and QMB500F pumps are air-cooled and the QMB1200F pump is water-cooled. All the QMB pumps have enclosed, water-cooled motors and are therefore suitable for applications in clean environments where fan cooling is unacceptable. The pump coupling-cover is connected to the pump outlet and forms an integral part of the vacuum system. The connecting pipelines have a filter which removes debris and so prevents contamination of the lubricating oil and bearings. For an even cleaner system, the coupling-cover and bearings can be evacuated by connection to the pump-inlet or to an external vacuum pump.

Three motor-protection thermistors (one on each winding) are fitted to the motor of the QMB pump. These thermistors are solid-state devices which have an electrical resistance of 100 to 500 W at normal pump-motor operational temperature. When the pump-motor is too hot, the electrical resistance rises quickly to 3000 W. The thermistors are connected in series and you can connect the thermistors to control equipment to automatically shut down the system if a pump-motor is too hot.

Unit is fully rebuilt and comes with a FULL 12-MONTH WARRANTY!

AJVS can Repair and Service your Edwards QMB-1200 Vacuum Booster. Please visit our Service Page for more information.


Condition:
Remanufactured
Out of Stock
Contact
address
A&J Vacuum Services
16 Somerset Place, Clifton, NJ 07012
customer service
Customer Service
Phone: 973-249-0854, Fax: 973-249-0855
working hours
Service Hours
8:00am to 5:00pm, Monday thru Friday EST
All trademarks, trade names or logons mentioned or used are the property of their respective owners.