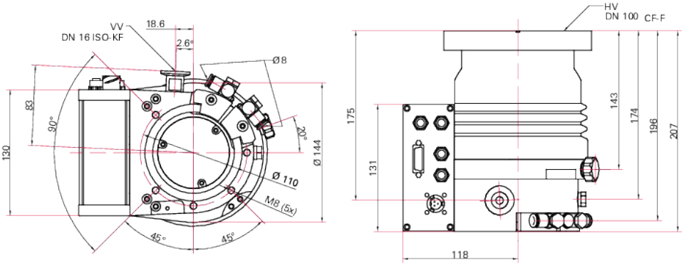
The Pfeiffer HiPace 300 PMP03901 DN 100 CF-F is a complete line of compact yet powerful turbopump featuring pumping speeds that range from 10 - 2,000 liters per second. These models are cost-effective and offer flexible installation in any orientation.
The Pfeiffer Hipace 300 Turbo Vacuum Pump's proven bearing system provides unrivaled dependability and their sophisticated rotor design makes for higher pumping speeds, higher backing pump compatibility, higher gas throughputs and good compression for light gasses.
The turbopump HiPace 300 forms a complete unit together with the electronic drive unit TC 400. This turbopump offers water as well as air cooling. This pump has not integrated power supply.
Complete Operating Instruction for HiPace 300 PM P03 901 is available in PDF format below.


Click Here to view Pfeiffer Vacuum HiPace 300 Turbo Pump Operating Instructions
A&J Vacuum Repair / Rebuild and Service all Pfeiffer Vacuum Hipace 300 Turbo Pumps along with all other Pfeiffer Turbo Pump Service and repair. Please contact us for information on service program or click here http://www.ajvs.com/service.php to go to our Service page. We also offer Emergency service upon request. For more information Please contact A&J Vacuum Services at 973-249-0854.
| Bearing | Hybrid |
| Compression ratio for Ar | > 1 · 1011 |
| Compression ratio for H2 | 9 · 105 |
| Compression ratio for He | > 1 · 108 |
| Compression ratio for N2 | > 1 · 1011 |
| Cooling method, optional | Air |
| Cooling method, standard | Water |
| Cooling water flow | 50 l/h |
| Cooling water flow, max | 50 l/h |
| Cooling water flow, min | 50 l/h |
| Cooling water temperature | 15-35 °C | 59-95 °F | 288-308 K |
| Current max. | 12,5 A |
| Electronic drive unit | with TC 400 |
| Flange (in) | DN 100 CF-F |
| Flange (out) | DN 16 ISO-KF/G ¼" |
| Fore-vacuum max. for N2 | 20 hPa | 15 Torr | 20 mbar |
| Gas throughput at full rotational speed for Ar | 7 hPa·l/s |
| Gas throughput at full rotational speed for H2 | > 14 hPa·l/s |
| Gas throughput at full rotational speed for He | 20 hPa·l/s |
| Gas throughput at full rotational speed for N2 | 14 hPa·l/s |
| I/O interfaces | RS-485, Remote |
| Interface, extended | Profibus, DeviceNet, E74 |
| Mounting orientation | Any |
| Permissible magnetic field max. | 5.5 mT |
| Power consumption max. | 300 W |
| Protection category | IP54 |
| Pumping speed for Ar | 255 l/s |
| Pumping speed for H2 | 220 l/s |
| Pumping speed for He | 255 l/s |
| Pumping speed for N2 | 260 l/s |
| Rotation speed ± 2 % | 60,000 rpm | 60,000 min-1 |
| Rotation speed variable | 35 – 100 % |
| Run-up time | 1.8 min |
| Sound pressure level | ≤50 dB(A) |
| Ultimate pressure | 5 · 10-10 hPa | 3.75 · 10-10 Torr | 5 · 10-10 mbar |
| Ultimate pressure without gas ballast | 5 · 10-10 hPa | 3.75 · 10-10 Torr | 5 · 10-10 mbar |
| Venting connection | G 1/8" |
| Weight | 8.7 kg | 19.18 lb |
Click Here to view Pfeiffer Vacuum HiPace 300 Turbo Pump Operating Instructions
A&J Vacuum Repair / Rebuild and Service all Pfeiffer Vacuum Hipace 300 Turbo Pumps along with all other Pfeiffer Turbo Pump Service and repair. Please contact us for information on service program or click here http://www.ajvs.com/service.php to go to our Service page. We also offer Emergency service upon request. For more information Please contact A&J Vacuum Services at 973-249-0854.
Pfeiffer_Vacuum_HiPace_300_Turbo_Pump_Operating_Instructions
Pfeiffer Vacuum TC400 Turbo Pump Controller, TC-400, TC 400, PMC01800
|
Service and Repair A & J Vacuum Services provides repair service for all types of High Vacuum equipment. We perform Turbomolecular Pump repair, Turbo Pump Repair, Dry Pump repair, Vacuum Pump repair, Mass Spectrometer repair, Rotary Vane Pump repair, Vacuum Booster repair, and Leak detector repair. Our highly trained technicians have years of experience and guarantee the highest quality service.
We operate at our own full service repair facility in Clifton, NJ. We have invested in state-of-the-art equipment including; complete line of decontamination, cleaning, drying, balancing, vibration analysis and software to minimize failures. Our in-house machine shop is capable of machining various components, prototypes and housing conversions as needed.
We support all major manufacturers including Pfeiffer Vacuum, Alcatel / Adixen, Edwards Vacuum, Varian, Oerlikon / Leybod Vacuum, Vacuubrand, and Agilent Technologies.
Repair Steps
Every pump and instrument is extensively tested for 48 hours. During our final tests, we monitor total pressure, temperature, vibration and noise level utilizing newest testing technologies and techniques specified by OEM. Upon request, we can provide our customers with a pump down graph. Call us for your free repair estimate at 1-973-249-0854.
Overview
The Pfeiffer HiPace 300 PMP03901 DN 100 CF-F is a complete line of compact yet powerful turbopump featuring pumping speeds that range from 10 - 2,000 liters per second. These models are cost-effective and offer flexible installation in any orientation.
The Pfeiffer Hipace 300 Turbo Vacuum Pump's proven bearing system provides unrivaled dependability and their sophisticated rotor design makes for higher pumping speeds, higher backing pump compatibility, higher gas throughputs and good compression for light gasses.
The turbopump HiPace 300 forms a complete unit together with the electronic drive unit TC 400. This turbopump offers water as well as air cooling. This pump has not integrated power supply.
Complete Operating Instruction for HiPace 300 PM P03 901 is available in PDF format below.


Click Here to view Pfeiffer Vacuum HiPace 300 Turbo Pump Operating Instructions
A&J Vacuum Repair / Rebuild and Service all Pfeiffer Vacuum Hipace 300 Turbo Pumps along with all other Pfeiffer Turbo Pump Service and repair. Please contact us for information on service program or click here http://www.ajvs.com/service.php to go to our Service page. We also offer Emergency service upon request. For more information Please contact A&J Vacuum Services at 973-249-0854.
Specifications
| Bearing | Hybrid |
| Compression ratio for Ar | > 1 · 1011 |
| Compression ratio for H2 | 9 · 105 |
| Compression ratio for He | > 1 · 108 |
| Compression ratio for N2 | > 1 · 1011 |
| Cooling method, optional | Air |
| Cooling method, standard | Water |
| Cooling water flow | 50 l/h |
| Cooling water flow, max | 50 l/h |
| Cooling water flow, min | 50 l/h |
| Cooling water temperature | 15-35 °C | 59-95 °F | 288-308 K |
| Current max. | 12,5 A |
| Electronic drive unit | with TC 400 |
| Flange (in) | DN 100 CF-F |
| Flange (out) | DN 16 ISO-KF/G ¼" |
| Fore-vacuum max. for N2 | 20 hPa | 15 Torr | 20 mbar |
| Gas throughput at full rotational speed for Ar | 7 hPa·l/s |
| Gas throughput at full rotational speed for H2 | > 14 hPa·l/s |
| Gas throughput at full rotational speed for He | 20 hPa·l/s |
| Gas throughput at full rotational speed for N2 | 14 hPa·l/s |
| I/O interfaces | RS-485, Remote |
| Interface, extended | Profibus, DeviceNet, E74 |
| Mounting orientation | Any |
| Permissible magnetic field max. | 5.5 mT |
| Power consumption max. | 300 W |
| Protection category | IP54 |
| Pumping speed for Ar | 255 l/s |
| Pumping speed for H2 | 220 l/s |
| Pumping speed for He | 255 l/s |
| Pumping speed for N2 | 260 l/s |
| Rotation speed ± 2 % | 60,000 rpm | 60,000 min-1 |
| Rotation speed variable | 35 – 100 % |
| Run-up time | 1.8 min |
| Sound pressure level | ≤50 dB(A) |
| Ultimate pressure | 5 · 10-10 hPa | 3.75 · 10-10 Torr | 5 · 10-10 mbar |
| Ultimate pressure without gas ballast | 5 · 10-10 hPa | 3.75 · 10-10 Torr | 5 · 10-10 mbar |
| Venting connection | G 1/8" |
| Weight | 8.7 kg | 19.18 lb |
Click Here to view Pfeiffer Vacuum HiPace 300 Turbo Pump Operating Instructions
A&J Vacuum Repair / Rebuild and Service all Pfeiffer Vacuum Hipace 300 Turbo Pumps along with all other Pfeiffer Turbo Pump Service and repair. Please contact us for information on service program or click here http://www.ajvs.com/service.php to go to our Service page. We also offer Emergency service upon request. For more information Please contact A&J Vacuum Services at 973-249-0854.
Spare Parts
Accessories
Service & Repair
A & J Vacuum Services provides repair service for all types of High Vacuum equipment. We perform Turbomolecular Pump repair, Turbo Pump Repair, Dry Pump repair, Vacuum Pump repair, Mass Spectrometer repair, Rotary Vane Pump repair, Vacuum Booster repair, and Leak detector repair. Our highly trained technicians have years of experience and guarantee the highest quality service.
We operate at our own full service repair facility in Clifton, NJ. We have invested in state-of-the-art equipment including; complete line of decontamination, cleaning, drying, balancing, vibration analysis and software to minimize failures. Our in-house machine shop is capable of machining various components, prototypes and housing conversions as needed.
We support all major manufacturers including Pfeiffer Vacuum, Alcatel / Adixen, Edwards Vacuum, Varian, Oerlikon / Leybod Vacuum, Vacuubrand, and Agilent Technologies.
Repair Steps
Every pump and instrument is extensively tested for 48 hours. During our final tests, we monitor total pressure, temperature, vibration and noise level utilizing newest testing technologies and techniques specified by OEM. Upon request, we can provide our customers with a pump down graph. Call us for your free repair estimate at 1-973-249-0854.